电脑桌面
添加小米粒文库到电脑桌面
安装后可以在桌面快捷访问

仓库管理规章制度及流程 (2)VIP专享VIP免费

仓库管理规章制度及流程 (2)_第1页
1/8
仓库管理规章制度及流程 (2)_第2页
2/8
仓库管理规章制度及流程 (2)_第3页
3/8
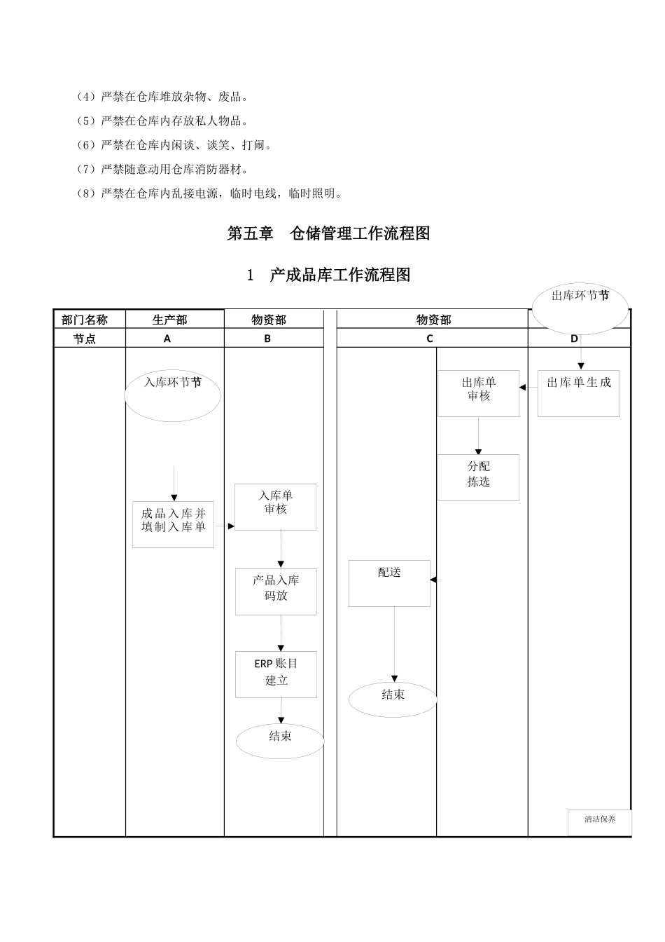
仓库管理规章制度及流程第一章总则第一条为使本公司的仓库管理规范化,保证财产物资的完好无损,根据企业管理和财务管理的一般要求,结合本公司具体情况,特制订本规定。第二条仓库管理工作的任务(1)做好物资出库和入库工作。(2)做好物资的保管工作。(3)做好各种防患工作,确保物资的安全保管,不出事故。第二章仓库物资的入库第一条、产成品及包材入库流程(一)、产成品入库流程1、产成品入库前由生产部协同质检员进行抽样检验并填制入库审核单,当库管员接收到入库审核单后,再统一安排生产部入库人员进行有序入库。2、产成品入库完毕,由库管员填制产成品入库单。3、库管员将填制好的产成品入库单递交至物资部U8统计员处,由U8统计员完成产品入库数据处理。(二)、包材入库流程1、供应商包材到货,库管员在第一时间通知质检员进行包材抽样检验并填制入库审核单。2、确认包材质量、规格、文字等方面无误后,由库管员协助库工进行有序入库。3、包材入库完毕,由库管员填制包材入库单。4、库管员将填制好的包材入库单递交至物资部U8统计员处,由U8统计员完成包材入库数据处理。第二条对于业务人员购入的货物,保管人员要认真验收物资的数量、名称是否与货单相符,对于实物与货单内容不符的,办理入库手续要如实反映。第三条对于货物验收过程中所发现的有关数量、质量、规格、品种等不相符现象,保管人员有权拒绝办理入库手续,并视具体情况报告主管人员处理。第三章仓库货物的出库第一条、产成品及包材出库流程(一)、产成品出库流程1、库管员在指定时间(13:30)到达市场部领取产成品发货单。2、库管员通知物流公司到仓库填制物流托运单。3、库管员按发货单拣货(按产品名称、规格、批号拣货,按发货单要求拣选货)。4、物流公司专人负责装车。5、产品发出,由库管员将发货单号、客户联系电话反馈至市场部;发货单及托运单(红联)递交至贮运专员处;发货单(黄联)递交至U8统计员处。(二)、包材出库流程1、生产部派专人到包材库填制包材领料单。2、库管员审核包材领料单;经审核,确认无误给予领料。3、库管员根据领料单进行拣选发货。4、领料作业完毕,由库管员填制包材出库单并递交至物资部U8统计员处。第二条对于一切手续不全的提货,保管人员有权拒绝发货,并视具体情况报告主管人员。第四章仓库货物的保管第一条仓库保管员要及时登记各类货物明细帐,做到日清月结,达到帐帐相符,帐物相符、帐卡相符。第二条每月月底之前,保管人员要对当月各种货物予以汇总,并编制报表上报部门主管人员。第三条保管人员对库存货物要每月月末盘点对帐。发现盈余、短少、残损,必须查明原因,分清责任,及时写出书面报告,提出处理意见,报部门主管人员。第四条做好仓库与运输环节的衔接工作,在保证货物供应、合理储备的前提下,力求减少库存量,并对货物的利用、积压产品的处理提出建议。第五条根据各种货物的不同种类及其特性,结合仓库条件,保证仓库货物定置摆放,合理有序,保证货物的进出和盘存方便。第六条对于易燃、易爆、剧毒等货物,应指定专人管理,并设置明显标志。第七条建立健全出入库人员登记制度。第八条严格执行安全工作规定,切实做好防火、防盗工作,保证仓库和货物财产的安全。第九条库管人员每天上下班前要做到三“检查”,确保财产货物的完整。如有异常情况,要立即上报主管部门。(1)上班必须检查仓库门锁有无异常,物品有无丢失。(2)下班检查是否锁门、拉闸、断电及不安全隐患。(3)检查易燃、易爆物品是否单独存储、妥善保管。第十条严格遵守仓库保管纪律、规定,仓库保管纪律内容规定:(1)严禁在仓库内吸烟。(2)严禁无关人员进入仓库。(3)严禁涂改账目。(4)严禁在仓库堆放杂物、废品。(5)严禁在仓库内存放私人物品。(6)严禁在仓库内闲谈、谈笑、打闹。(7)严禁随意动用仓库消防器材。(8)严禁在仓库内乱接电源,临时电线,临时照明。第五章仓储管理工作流程图1产成品库工作流程图部门名称生产部物资部物资部市场部节点ABCD清洁保养入库环节节成品入库并填制入库单入库单审核产品入库码放出库环节节出库单生成出库单审核结束分配...

1、当您付费下载文档后,您只拥有了使用权限,并不意味着购买了版权,文档只能用于自身使用,不得用于其他商业用途(如 [转卖]进行直接盈利或[编辑后售卖]进行间接盈利)。
2、本站所有内容均由合作方或网友上传,本站不对文档的完整性、权威性及其观点立场正确性做任何保证或承诺!文档内容仅供研究参考,付费前请自行鉴别。
3、如文档内容存在违规,或者侵犯商业秘密、侵犯著作权等,请点击“违规举报”。

碎片内容

仓库管理规章制度及流程 (2)

确认删除?
VIP
微信客服
  • 扫码咨询
会员Q群
  • 会员专属群点击这里加入QQ群
客服邮箱
回到顶部