电脑桌面
添加小米粒文库到电脑桌面
安装后可以在桌面快捷访问

煤矿采区课程设计VIP免费

煤矿采区课程设计_第1页
1/29
煤矿采区课程设计_第2页
2/29
煤矿采区课程设计_第3页
3/29
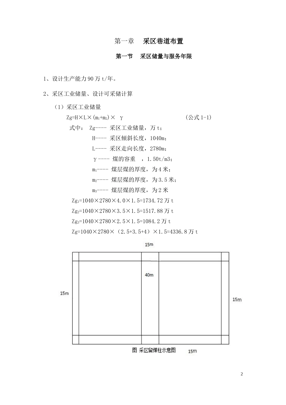
一、设计题目课程设计条件采区概况位置某矿东翼二采区,西部以一采区为界,东部以三采区为界走向长度自量,倾斜长度自量大巷位置回风大巷及运输分别设在+50M和-250M标高运输方式大巷采用3吨底卸式,架线电机车牵引14个井底车场环形车场瓦斯等级相对涌出量5m3/吨日矿井通风方式对角式地表特征柱状图煤层赋存条件可采煤层数倾角厚度煤岩性质柱状厚度m砂岩15砂页岩22#煤4砂页岩123#煤3.5粗砂岩20自量C24mC33.5mC42.5m地质构造断层褶曲火成岩侵入无走向有起伏其他发火期2~3个月设计任务确定采区生产能力为90万/年的采煤方法。二、设计图纸的内容本设计绘制两张大图(零号图纸)1、采煤工作面层面图(1:4000),剖面图(1:4000),2、工作面巷道布置平面图(1:300)和剖面图。设计图纸上、下、右各留10mm边框线,左边留25mm边框线,右下角留出标题栏。1第一章采区巷道布置第一节采区储量与服务年限1、设计生产能力90万t/年。2、采区工业储量、设计可采储计算(1)采区工业储量Zg=H×L×(m1+m2)×γ(公式1-1)式中:Zg----采区工业储量,万t;H----采区倾斜长度,1040m;L----采区走向长度,2780m;γ----煤的容重,1.50t/m3;m1----煤层煤的厚度,为4米;m2----煤层煤的厚度,为3.5米;m3----煤层煤的厚度,为2米Zg1=1040×2780×4.0×1.5=1734.72万tZg2=1040×2780×3.5×1.5=1517.88万tZg3=1040×2780×2.5×1.5=1084.2万tZg=1040×2780×(2.5+3.5+4)×1.5=4336.8万t2(2)设计可采储量ZK=(Zg-p)×C式中:ZK----设计可采储量,万t;Zg----工业储量,万t;p----永久煤柱损失量,万t;C----采区采出率,厚煤层取75%,中厚煤取80%,薄煤层85%。P1=15×2×2780×4×1.5+15×2×(1040-15×2)×4×1.5=82.36万tP2=15×2×2780×3.5×1.5+15×2×(1040-30)×3.5×1.5=73.8万tP3=15×2×2780×2.5×1.5+15×2×(1040-30)×2.5×1.5=52.74万tZ1=(Zg1-p1)×C=(1734.72-82.36)×0.75=1238.82万tZ2=(Zg2-p2)×C=(1517.88-73.8)×0.8=1155.3万tZ3=(Zg3-p3)×C=(1084.2-52.74)×0.8=825.17万tZK=Z1+Z2+Z3=1238.82+1155.3+825.17=3219.29万t(3)采区服务年限T=ZK/(A×K)(公式1-3)式中:T----采区服务年限,a;A----生产能力,90万t;ZK----设计可采储量;K----储量备用系数,取1.3。T=ZK/(A×K)=3219.29/(90×1.3)=27.52a取T=28年。(4)验算采区采出率采区采出率C=(Zg-P)/Zg(公式1-4)式中:C-----采区采出率,%Zg----采区的工业储量,万tP----采区的煤柱损失量,万t1煤层:C1=(Zg1-P1)/Zg1=(1734.12-82.36)/1734.12=95.2%>75%2煤层:C2=(Zg2-P2)/Zg2=(1517.88-73.8)/1517.88=95.1%>75%2煤层:C3=(Zg3-P3)/Zg3=(1084.2-52.74)/1084.2=95.1%>75%则1#、2#、3#均满足采区回采要求。(符合国家对采区采出率的要求。)3第二节采区内的再划分1、确定工作面长度由已知条件知:该煤层左右边界各有15m的边界煤柱,上部、下部留15m护巷煤柱,故其煤层倾向共有:1040-30=1010m的长度,走向长度2780-30=2750m。地质构造简单,煤层附存条件较好,瓦斯涌出量小。且现代工作面长度有加长趋势,且采煤工艺选取的是较先进的综采。又知,一般而言,考虑到设备选型及技术方面的因素综采工作面长度为180~250m,巷道宽度为4m~4.5m,本采区选取4.5m,且采区生产能力为90万t/a,一个中厚煤层的一个工作面便可以满足生产要求,采用双巷布置,巷道间留煤墙,取5米,如图1-2:取区段平巷的宽度为4.5m,留5m煤墙,则采煤工作面长度为:L1=(b-2×q-((2×L2+p)×n-p))/n(公式1-5)式中:L1——工作面长度,m;L2——区段平巷宽度,m;b——采区倾向长度,m;q——采区上下边界预留煤柱宽度,m;P——护巷煤柱宽度,m;n——区段数目,个;L1=(1040-2×15-((2×4.5+5)×5)-5)/5=181m,取L=1802、工作面生产能力Qr=A/(T×1.1)(公式1-6)式中:A----采区生产能力,90万t/a;Qr----工作面生产能力,t/天;T----每a正常工作日,330天。故:Qr=A/(T×1.1)=90/(330×1.1)=2479.3t目前,煤炭企业生产系统向高产高效集中化生产的方向发展,新建大型化矿井均朝“一矿一井一面”的设计思想改革,采用提高工作面单产,用一个工...

1、当您付费下载文档后,您只拥有了使用权限,并不意味着购买了版权,文档只能用于自身使用,不得用于其他商业用途(如 [转卖]进行直接盈利或[编辑后售卖]进行间接盈利)。
2、本站所有内容均由合作方或网友上传,本站不对文档的完整性、权威性及其观点立场正确性做任何保证或承诺!文档内容仅供研究参考,付费前请自行鉴别。
3、如文档内容存在违规,或者侵犯商业秘密、侵犯著作权等,请点击“违规举报”。

碎片内容

煤矿采区课程设计

确认删除?
VIP
微信客服
  • 扫码咨询
会员Q群
  • 会员专属群点击这里加入QQ群
客服邮箱
回到顶部