电脑桌面
添加小米粒文库到电脑桌面
安装后可以在桌面快捷访问

发动机装配的实时在线检测VIP免费

发动机装配的实时在线检测_第1页
1/10
发动机装配的实时在线检测_第2页
2/10
发动机装配的实时在线检测_第3页
3/10
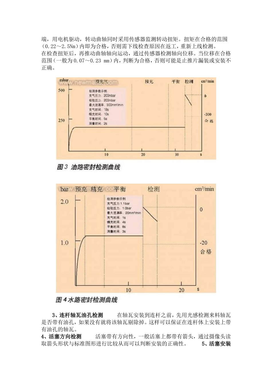
概述和起因发动机装配质量控制的重要性不言而喻,国内外的整机和零部件生产企业、科研部门为此进行了大量的工作。研究表明,发动机的装配质量除了外协(购)件的质量控制、装配环境、工人的素质和技能之外,主要取决于装配生产系统的完备性和先进性。某发动机总装配线一般地,发动机装配生产系统由各部件装配、总成装配和与此对应过程的各种检测和控制组成,如气缸盖装配、活塞连杆总成装配、主轴瓦检测、曲轴转动和轴向间隙检查、扭矩检测、密封检测、冷态检测等。整个装配生产系统的完备性和先进性又主要取决于装配流水线中各关键工位(控制点)的控制,这些关键工位对于最终所生产出来的发动机的质量是至关重要的。对于装配线上关键工位的研究,在传统的发动机装配生产中,往往要等到产品全部完成之后,通过繁复的分析检测,才能反过来分析生产过程中的哪些步骤和工艺需要改进;而如何改进和改进的程度是多少,又必须通过又一轮的全新试验和生产才能得知;因此很难实现生产的实时控制,更会造成生产设备、生产时间的浪费和返工率的成倍增加。所以,我们要做的就是如何安排合理地工序间的实时检测和如何进行有效的实时在线检测,及时地发现装配过程中的缺陷,从而降低返工率,提高装配的效率和质量。目前,一些国际一流汽车发动机生产企业的研究和实践表明,合理工序间的在线实时检测能够从装配过程中对最终产品的质量进行即时预测,然后加以科学反馈,实施及时有效的调整,从而以较低的时间成本、物料成本和加工成本生产出高质量的发动机产品。在此,将主要讨论总装配线上关键工位的控制,对各分总成装配线的情况暂不分析。总装配线上关键工位的选择通过工作实践和对发动机制造工艺的研究,发动机总装线上以下几个控制点是非常重要的。图1所示为某总装配线上典型的关键控制点,其中:OP10—主轴瓦是否安装和安装是否正确;OP20—曲轴和轴盖安装后曲轴是否能正常转动,曲轴的间隙是否能保持在正常的范围内OP30—连杆轴瓦是否安装及安装是否正确;OP40—活塞型号及方向是否安装正确;OP50—活塞连杆组安装到曲轴上后曲轴是否能正常转动;OP60—短发动机的油道和水道是否存在泄漏;OP70—短发动机安装的完整性、冷态检测等;OP80—长发动机水路系统是否密封;OP90—电气系统功能是否正常。需要说明的是,OH10、OH20工位是缸盖分总成装配线上的内容,为缸盖气阀座密封检测和缸盖气门锁片检查工位,在此,暂不讨论。主要检测工艺和手段针对关键点,采用先进的检测设备可准确地判断出这些关键工序是否符合工艺要求。1、主轴瓦检测的三种方法□在主轴档装好主轴瓦后用激光检测距离判断轴瓦是否存在,如果没有安装,检测出的距离短。□采用充气检测,可往通往曲轴油道的通路中充气,随后保持充气压力,如果没有安装轴瓦,压力会下降。□设备上安装一定高度的档杆,当工件流经该工位时,如果安装了轴瓦,轴瓦会碰到档杆,随后给传感器一个信号;如果没有安装轴瓦,档杆将不会被碰,从而传感器读不到信号,判断出轴瓦漏装。这个方法对工件和传送板定位要求较高,否则容易误报警。2、曲轴转动和轴向间隙检查在曲轴轴盖螺栓安装并拧紧后,夹具套住曲轴前端,用电机驱动,转动曲轴同时采用传感器监测转动扭矩。扭矩在合格的范围(0.22~2.5Nm)内即为合格,否则需下线检查原因在返工,重新上线检测。在检查扭矩后,再推动曲轴轴向运动,通过传感器检测轴向位移。当位移在合格范围(一般为0.07~0.23mm)内,判断为合格,否则可能是止推片漏装或安装不正确。3、连杆轴瓦油孔检测在轴瓦安装到连杆之前,先用光感检测来料轴瓦是否带有油孔,如果没有就将该轴瓦剔除掉。这样可以保证在连杆体上安装上带有油孔的轴瓦。4、活塞方向检测活塞带有方向性,一般活塞上都带有箭头,通过摄像头读取箭头形状与标准图形进行比较从而可以判断安装的正确性。5、活塞安装以后曲轴转动检查和振动检验检测曲轴转动扭矩是否在正常范围内(5~19Nm),同时进行振动检测,测验噪音。如果有异响,可判断出连杆轴瓦漏装。6、短发发动机油道水道检测某发动机总装线上全自动油水路密封检测系统的检测工艺简单阐述如下:□...

1、当您付费下载文档后,您只拥有了使用权限,并不意味着购买了版权,文档只能用于自身使用,不得用于其他商业用途(如 [转卖]进行直接盈利或[编辑后售卖]进行间接盈利)。
2、本站所有内容均由合作方或网友上传,本站不对文档的完整性、权威性及其观点立场正确性做任何保证或承诺!文档内容仅供研究参考,付费前请自行鉴别。
3、如文档内容存在违规,或者侵犯商业秘密、侵犯著作权等,请点击“违规举报”。

碎片内容

发动机装配的实时在线检测

您可能关注的文档

确认删除?
VIP
微信客服
  • 扫码咨询
会员Q群
  • 会员专属群点击这里加入QQ群
客服邮箱
回到顶部