电脑桌面
添加小米粒文库到电脑桌面
安装后可以在桌面快捷访问

混凝土强度与温度和龄期增长曲线图VIP免费

混凝土强度与温度和龄期增长曲线图_第1页
1/5
混凝土强度与温度和龄期增长曲线图_第2页
2/5
混凝土强度与温度和龄期增长曲线图_第3页
3/5
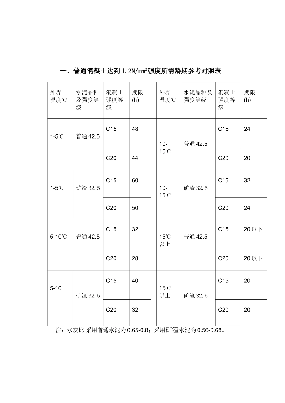
混凝土强度与温度和龄期增长曲线图组混凝土立方体试件,在标准条件下养护的1、2、3、7、28d的强度值。3、用估算法估算混凝土强度的步骤:1)用标准养护试件1~7d龄期强度数据,经回归分析拟合成下列形式曲线方程:f=aeb/D式中f——混凝土立方体抗压强度(N/mm2);D——混凝土养护龄期(d);a、b——参数。2)根据现场实测混凝土养护温度资料,用下式计算已达到的等效龄期(相当于20℃标准养护的时间)。t=ΣαT·tT(2)式中t——等效龄期(d);αT——温度为T℃时的等效系数,按下表使用;tT——温度为T℃的持续时间(h)。3)以等效龄期t代替D带入公式(1)可算出强度。等效系数αT温度等效温度系数αT温度等效温度系数αT温度等效温度系数αT503.16281.4560.43493.07271.3950.40482.97261.3340.37472.88251.2730.35462.80241.2220.32452.71231.1610.30442.62221.1100.27432.54211.0510.25422.46201.00-20.23412.38190.95-30.21402.30180.91-40.20392.22170.86-50.18382.14160.81-60.16372.07150.77-70.15361.99140.73-80.14351.92130.68-90.13341.85120.64-100.12331.78110.61-110.11321.71100.57-120.11311.6590.53-130.10301.5880.50-140.10291.5270.46-150.09一、普通混凝土达到1.2N/mm2强度所需龄期参考对照表外界温度℃水泥品种及强度等级混凝土强度等级期限(h)外界温度℃水泥品种及强度等级混凝土强度等级期限(h)1-5℃普通42.5C154810-15℃普通42.5C1524C2044C20201-5℃矿渣32.5C156010-15℃矿渣32.5C1532C2050C20245-10℃普通42.5C153215℃以上普通42.5C1520以下C2028C2020以下5-10矿渣32.5C154015℃以上矿渣32.5C1520C2032C2020注:水灰比:采用普通水泥为0.65-0.8;采用矿渣水泥为0.56-0.68。二、自然养护条件下不同温度与龄期的混凝土强度参考百分率(%)水泥品种和强度硬化龄期/d混凝土硬化时的平均温度/℃1510152025303532.5级普通水泥2--192530354045314202532374348525243036445057636673240465462687376104250586674788286155263718088---2868788694100---32.5级矿渣水泥、火山灰质水泥2---15182430353--11172226323851217222834394452718243238455055631025344452586367751532465767748086922848648392100---注:本表自然养护指在露天温度(+5℃以上)条件下,混凝土表面进行覆盖,浇水养护或在结构平面上使混凝土在潮湿条件下,强度正常发展的养护工艺。三、温度、龄期对混凝土强度影响参考曲线图温度、龄期与混凝土强度关系综合参考图(a)32.5级水泥混凝土早期强度龄期参考曲线(b)32.5级水泥混凝土早期强度龄期参考曲线

1、当您付费下载文档后,您只拥有了使用权限,并不意味着购买了版权,文档只能用于自身使用,不得用于其他商业用途(如 [转卖]进行直接盈利或[编辑后售卖]进行间接盈利)。
2、本站所有内容均由合作方或网友上传,本站不对文档的完整性、权威性及其观点立场正确性做任何保证或承诺!文档内容仅供研究参考,付费前请自行鉴别。
3、如文档内容存在违规,或者侵犯商业秘密、侵犯著作权等,请点击“违规举报”。

碎片内容

混凝土强度与温度和龄期增长曲线图

您可能关注的文档

金钥匙书屋+ 关注
实名认证
内容提供者

热爱教育事业,爱好互联网行业

确认删除?
VIP
微信客服
  • 扫码咨询
会员Q群
  • 会员专属群点击这里加入QQ群
客服邮箱
回到顶部