电脑桌面
添加小米粒文库到电脑桌面
安装后可以在桌面快捷访问

小箱梁预制施工方案VIP专享VIP免费

小箱梁预制施工方案_第1页
1/40
小箱梁预制施工方案_第2页
2/40
小箱梁预制施工方案_第3页
3/40
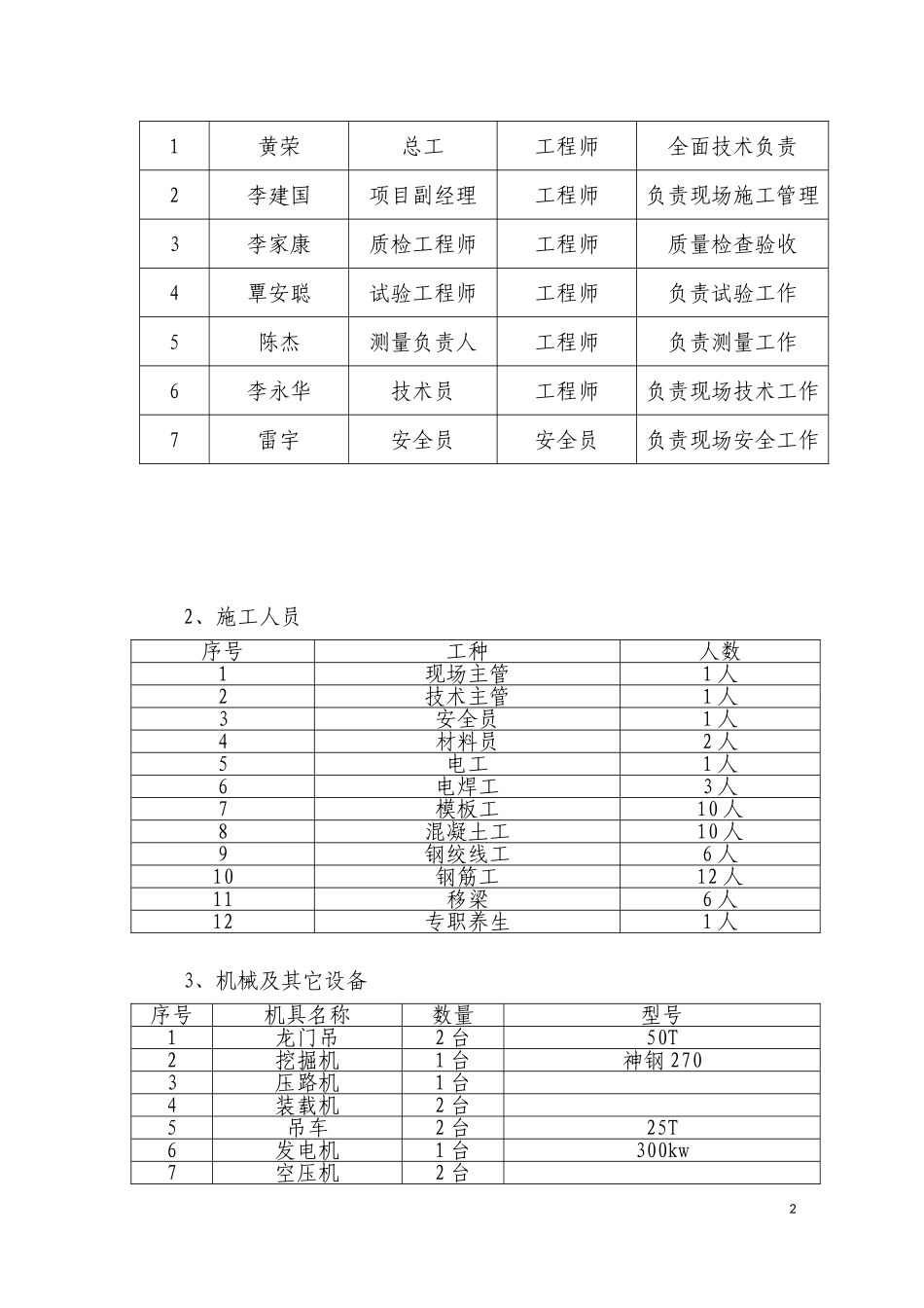
小箱梁预制施工方案一、工程概况TJ11标段路线长9.668km,标段起讫里程桩号为K80+370~K90+050,位于雅安市雨城区草坝镇和凤鸣乡境内,工程项目主要位于草坝镇。本标段穿越香樟咀设置水口长隧道,经大通寺后通过草坝坪坝区,于草坝镇北东侧史家沟设置草坝互通连接省道S305线,经石碑田水库西侧设肖家碾大桥,穿越肖家山设置中隧道,到达本标段终点。本标段共有三座大桥、六座中桥、一座小桥。其中三座大桥和三座中桥上部结构采用20m跨径的预应力砼简支小箱梁,共计313片;一座中桥上部结构采用20-25-20m跨径的现浇预应力砼连续梁,共计两联;一座中桥上部结构采用18m跨径的现浇预应力砼空心板,共计两片;一座中桥上部结构采用20m跨径的预制预应力砼空心板,共计10片,一座小桥上部结构采用10m跨径的预制简支空心板,共计18片。本标段共有八座大中桥上部结构采用20m跨径的预应力砼简支小箱梁,共计313片。梁场主要负责313片20m跨径的预应力砼简支小箱梁、10片20m跨径的预应力砼空心板和18片10m跨径的简支空心板的预制和存放。二、编制依据1、国家高速公路网成渝地区环线乐山至雅安公路TJ11合同段两阶段施工图设计文件。2、国家高速公路网成渝地区环线乐山至雅安段公路TJ11合同段路基土建工程施工合同文件。3、进场后我公司对施工现场及周围环境的调查了解。4、我公司现有人员、技术、机械、财务综合实力与以往我公司承建类似高等级公路的施工经验。5、《公路桥涵施工技术规范》(JTJ041-2000)。6、《公路工程施工安全技术规范》(JTJ076-95)。7、招标文件中的补充技术规范。8、相关施工手册和作业指导书。三、施工总体规划及组织安排1、主要管理和技术人员序号姓名职务技术职称主要工作分工11黄荣总工工程师全面技术负责2李建国项目副经理工程师负责现场施工管理3李家康质检工程师工程师质量检查验收4覃安聪试验工程师工程师负责试验工作5陈杰测量负责人工程师负责测量工作6李永华技术员工程师负责现场技术工作7雷宇安全员安全员负责现场安全工作2、施工人员序号工种人数1现场主管1人2技术主管1人3安全员1人4材料员2人5电工1人6电焊工3人7模板工10人8混凝土工10人9钢绞线工6人10钢筋工12人11移梁6人12专职养生1人3、机械及其它设备序号机具名称数量型号1龙门吊2台50T2挖掘机1台神钢2703压路机1台4装载机2台5吊车2台25T6发电机1台300kw7空压机2台28电焊机5台9张拉设备4台YCW150B10千斤顶4个20T11真空压浆机2套12钢筋切割机3台13钢筋弯曲机3台14钢筋调直机3台15振捣器8台4、时间安排梁场场地建设工期拟为2010年10月6日至2010年10月26日,共计20天。小箱梁预制计划于2010年11月10日开工,2011年6月16日完工,工期为218天。四、施工准备1、技术准备(1)施工前仔细阅读设计文件,认真听取设计技术交底。(2)项目部在施工前召开包括施工班组在内的现场会,对其进行详细的技术交底。确保每道工序交待清楚。2、材料准备(1)、钢绞线a、钢绞线的技术条件应符合GB/T5224-2003标准,其力学性能应符合下表规定:3b、钢绞线进料必须具有技术条件证明书。物资部门应按技术条件证明书进行验收。验收按批进行,每批由同一牌号、同一批号、同一规格、同一生产工艺制造的钢绞线组成,每批重量不大于60t。c、物资部门应对进场钢绞线进行外观、尺寸检查,除直径不得超过规定允许公差外,其表面不得带有润滑剂、油渍等降低钢绞线与混凝土粘接力的物质,也不得有机械损伤、死弯、气孔、锈迹、氧化皮等,允许有浮锈但不得锈蚀成目视可见的麻坑,取弦长为1m的钢绞线,放在一平面上其弦与弧的最大矢度不大于25mm。钢绞线内不应有折断,横裂和相互交叉的钢丝。d、试验室应从每批钢绞线中任取3盘,并从所选的每盘钢绞线端部正常部位截取一根试样进行表面质量、直径偏差和力学性能试验。如每批少于3盘,则应逐盘取样进行上述试验,试验结果如有一项不合格时,则不合格盘报废,并再从该批未试验过的钢绞线中取双倍数量的试样进行不合格项的复验,如仍有一项不合格,则该批钢绞线为不合格。e、钢绞线切断后应是不松散的或可以不困难地捻正到原来的位置。f、钢绞线运输应有雨布遮盖。应分批堆放,并做上标识。...

1、当您付费下载文档后,您只拥有了使用权限,并不意味着购买了版权,文档只能用于自身使用,不得用于其他商业用途(如 [转卖]进行直接盈利或[编辑后售卖]进行间接盈利)。
2、本站所有内容均由合作方或网友上传,本站不对文档的完整性、权威性及其观点立场正确性做任何保证或承诺!文档内容仅供研究参考,付费前请自行鉴别。
3、如文档内容存在违规,或者侵犯商业秘密、侵犯著作权等,请点击“违规举报”。

碎片内容

小箱梁预制施工方案

确认删除?
VIP
微信客服
  • 扫码咨询
会员Q群
  • 会员专属群点击这里加入QQ群
客服邮箱
回到顶部