电脑桌面
添加小米粒文库到电脑桌面
安装后可以在桌面快捷访问

建筑工程竣工验收组织程序方案VIP免费

建筑工程竣工验收组织程序方案_第1页
1/3
建筑工程竣工验收组织程序方案_第2页
2/3
建筑工程竣工验收组织程序方案_第3页
3/3
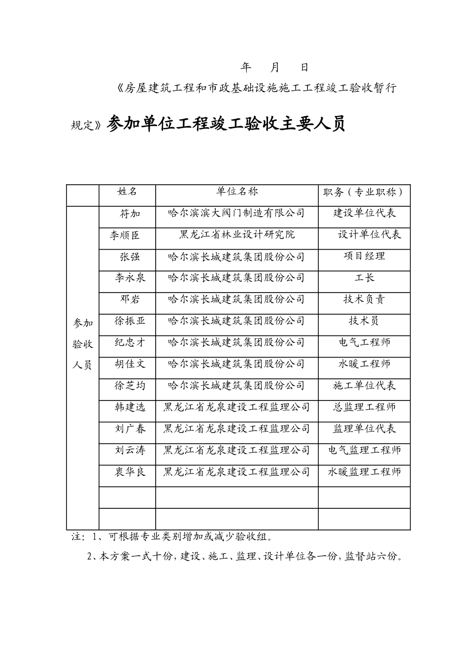
建筑工程竣工验收方案根据《房屋建筑工程和市政基础设施施工工程竣工验收暂行规定》(建设部建建[2000]14号文)及《房屋建筑工程和市政基础设施工程竣工验收备案管理暂行办法》(中华人民共和国建设部令第78号)相关法律、法规的要求,我单位特制定大型调节调控阀门项目工程竣工验收方案及验收程序,请工程竣工验收法定监督机构哈尔滨经济技术开发区建设工程质量安全监督站实施监督,请参验各方质量责任主体单位和相关单位进行验收。一、本工程完成情况(一)已完成设计文件和合同约定的内容;(二)涉及设计文件的重大变更,已由设计单位签署认可文件,并经审图机构审查通过;(三)施工、监理、勘察及设计单位分别出具了工程竣工报告质量评估报告和质量检查报告;检测机构已出具检测信息书面确认意见;消防、环保、规划已出具书面验收结论。(四)工程质量控制资料已经建设(监理)单位核查,总监理工程师已签署结论性意见,并符合要求;(五)工程安全和功能检验资料已经建设(监理)单位核查并符合要求;初检提出的问题及历次监督机构检查整改的问题已整改完毕。(六)其中分部工程中的(基础)、(主体)、(节能)已按要求办完相关分部验收(备案)手续;(七)工程概况:1、大型调节调控阀门项目-实验楼为框架结构,报建面积3767.84m2、层数4层、局部2层;实际竣工面积3767.84m2。2、大型调节调控阀门项目-机加厂房为钢结构,报建面积2958.28m2、层数单层;实际竣工面积2958.28m2。3、大型调节调控阀门项目-冷作厂房为钢结构,报建面积2081.32m2、层数单层;实际竣工面积2081.32m2。4、大型调节调控阀门项目-库房为钢结构,报建面积824.23m2、层数单层;实际竣工面积824.23m2。5、大型调节调控阀门项目-门卫房为砖混结构,报建面积112.5m2、层数单层;实际竣工面积112.5m2。二、竣工验收拟定时间及地点竣工验收时间拟定为2011年3月5日。竣工验收拟定地点为:平房开发区南海路三、参加验收人员根据规定,我单位组成了竣工验收组,成员包括:建设单位(项目)负责人;施工单位、设计、监理等单位(项目)负责人以及相关单位的技术、质量负责人、分包工程负责人,验收组成员中土建、水电及其他安装专业方面的人员已配齐,验收组组长由建设单位代表(符加)担任,具体名单及执业资格证明材料附后。参加竣工验收人员资格已核查,项目经理及项目总监理工程师与施工许可信息相符,设计单位经建设与监理单位项目负责人审核与设计文件信息相符。五大责任主体及检测机构责任人员均已到场。参验相关单位代表均已到现场。四、竣工验收标准竣工验收标准为国家工程建设强制性标准、黑龙江省地方标准(DB23)、经审查通过的设计文件、现行施工验收规范及相关标准以及有关的法律、法规、规章和规范性文件。满足建筑结构安全及使用功能。五、竣工验收程序及内容(一)施工单位、设计(勘察)、监理、检测等单位分别书面汇报工程项目建设质量状况、合同履约及执行国家法律、法规和工程建设强制性标准情况;由建设单位作出作出综合验收结论。(二)验收组分为三部分分别进行检查验收:1、检查工程实体质量,并进行必要的检测抽查;2、检查工程建设参建各方提供的竣工资料;3、对建筑工程的使用功能进行抽查、试验,包括水压、通电、通暖、排污主管通球、绝缘电阻、接地电阻、漏电跳闸测试、室内净空尺寸等。(三)总监理工程师负责组织完成单位(子单位)工程观感质量检查的评定和记录,综合验收结论形成过程,由法定监督机构监督。(四)对竣工验收情况进行汇总讨论,形成单位工程竣工验收结论,填写《单位工程施工质量竣工验收记录》和《单位工程竣工验收报告》,验收组各方代表分别签字、单位盖章;(五)经验收达不到竣工验收合格标准时,由监督机构和相关职能部门责成责任单位整改,待整改完成后,重新确定时间组织单位工程竣工验收;(六)当竣工验收组各方不能形成一致竣工验收意见时,依法提交工程质量监督机构裁决或组织协调。六、本方案按《房屋建筑工程和市政基础设施施工工程竣工验收暂行规定》要求,已提前7日提交监督机构审核通过,并已抄送相关单位及验收组成员。建设单位...

1、当您付费下载文档后,您只拥有了使用权限,并不意味着购买了版权,文档只能用于自身使用,不得用于其他商业用途(如 [转卖]进行直接盈利或[编辑后售卖]进行间接盈利)。
2、本站所有内容均由合作方或网友上传,本站不对文档的完整性、权威性及其观点立场正确性做任何保证或承诺!文档内容仅供研究参考,付费前请自行鉴别。
3、如文档内容存在违规,或者侵犯商业秘密、侵犯著作权等,请点击“违规举报”。

碎片内容

建筑工程竣工验收组织程序方案

确认删除?
VIP
微信客服
  • 扫码咨询
会员Q群
  • 会员专属群点击这里加入QQ群
客服邮箱
回到顶部