电脑桌面
添加小米粒文库到电脑桌面
安装后可以在桌面快捷访问

施工电梯防护架方案VIP免费

施工电梯防护架方案_第1页
1/8
施工电梯防护架方案_第2页
2/8
施工电梯防护架方案_第3页
3/8
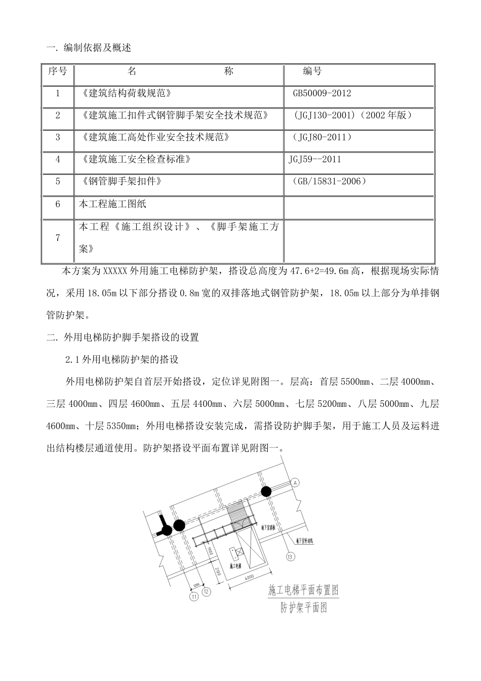
第1页共8页附:施工电梯防护架搭设方案目录一.编制依据及工程概述……………………………………………………………………2二.外用电梯防护脚手架搭设的设置………………………………………………………22.1外用电梯的搭设……………………………………………………………………22.2外用电梯防护架形式………………………………………………………………52.3通道平台架的构造参数……………………………………………………………52.4通道平台架的材料要求……………………………………………………………5三.室外施工电梯口防护措施…………………………………………………………………6四.通道平台架搭设、使用和拆除安全技术措施……………………………………………64.1搭设注意事项………………………………………………………………………64.2通道平台架搭设质量的检查验收及管理规定……………………………………74.3防护架使用规定……………………………………………………………………8五.通道平台使用时的安全注意事项…………………………………………………………8一.编制依据及概述序号名称编号1《建筑结构荷载规范》GB50009-20122《建筑施工扣件式钢管脚手架安全技术规范》(JGJ130-2001)(2002年版)3《建筑施工高处作业安全技术规范》(JGJ80-2011)4《建筑施工安全检查标准》JGJ59--20115《钢管脚手架扣件》(GB/15831-2006)6本工程施工图纸7本工程《施工组织设计》、《脚手架施工方案》本方案为XXXXX外用施工电梯防护架,搭设总高度为47.6+2=49.6m高,根据现场实际情况,采用18.05m以下部分搭设0.8m宽的双排落地式钢管防护架,18.05m以上部分为单排钢管防护架。二.外用电梯防护脚手架搭设的设置2.1外用电梯防护架的搭设外用电梯防护架自首层开始搭设,定位详见附图一。层高:首层5500mm、二层4000mm、三层4000mm、四层4600mm、五层4400mm、六层5000mm、七层5200mm、八层5000mm、九层4600mm、十层5350mm;外用电梯搭设安装完成,需搭设防护脚手架,用于施工人员及运料进出结构楼层通道使用。防护架搭设平面布置详见附图一。2.1.1电梯脚手架底层搭设时,先垫放50厚木脚手板,离地250mm高处搭设扫地杆。立杆根据现场实际情况,除安全门位置以外的设置间距≤1.5m,步距≤2.0m。2.1.2防护架搭设采用:18.05m以下部分搭设0.8m宽的双排落地式钢管防护架,18.05m以上部分为单排钢管防护架。外立杆距离主体结构距离按现场实际尺寸确定,150-2650mm范围内。2.1.3在电梯靠近楼层处需搭设拉车平台,门桥高度1.8米左右。2.1.4立杆必须对接,立杆、大横杆的加长用对接扣件连接,立杆和大横杆相交处用直角或旋转扣件连接。相邻两根立杆的接头要错开500mm以上,并不得在同一步架内,同一步架内外和上下相邻的两根大横杆的接头也要错开。2.1.5大横杆置于小横杆之下,在立杆的内侧(为保证脚手板的牢固,在两大横杆的中间加一根横杆),用直角扣件与立杆扣紧。2.1.6钢管的接头位置:不可在同一断面,必须相互错开,各杆相交深处的端头,均要大于100mm,以防杆件滑脱。2.1.7平台搭设时,立杆距墙皮或板边200mm,平台两侧设置栏杆,并用脚手板围护,密目安全网封闭,平台面先铺50*100木枋,再满铺15厚胶合板固定牢固并设置防滑条做脚手板。2.1.8室外施工电梯口防护措施楼层电梯出入口每层每个电梯笼需要安装1个安全门(1500*1800),安全门采用标准成品。2.1.9脚手板:脚手板采用50*100木枋,再满铺15厚胶合板固定牢固并设置防滑条。所有电梯出入口必须满铺脚手板,在脚手板木枋铺好后,用8#铁丝将脚手板四角与外架横杆绑扎牢固,每块木枋与横杆的绑扎点不得少于4点。2.1.10防护设施:脚手架外要满挂全封闭式的密目式安全网。密目安全网规格采用1800×6000,用网绳绑扎在大横杆外立杆里侧。2.1.11在施工中,防护栏、安全网、脚手板未经相关部门批准,不可随意拆除。2.1.12在电梯出口处有洞口的楼层需要用脚手板盖上。2.1.13电梯安全防护门搭设楼层门门框及其以外的防护围栏,安装楼层防护门。随着导轨架的升高,升降机达到每一层新的楼层时,要及时在通道靠近施工升降机一端安装楼层防护...

1、当您付费下载文档后,您只拥有了使用权限,并不意味着购买了版权,文档只能用于自身使用,不得用于其他商业用途(如 [转卖]进行直接盈利或[编辑后售卖]进行间接盈利)。
2、本站所有内容均由合作方或网友上传,本站不对文档的完整性、权威性及其观点立场正确性做任何保证或承诺!文档内容仅供研究参考,付费前请自行鉴别。
3、如文档内容存在违规,或者侵犯商业秘密、侵犯著作权等,请点击“违规举报”。

碎片内容

施工电梯防护架方案

您可能关注的文档

确认删除?
VIP
微信客服
  • 扫码咨询
会员Q群
  • 会员专属群点击这里加入QQ群
客服邮箱
回到顶部