电脑桌面
添加小米粒文库到电脑桌面
安装后可以在桌面快捷访问

防护围栏安装工程施工方案VIP免费

防护围栏安装工程施工方案_第1页
1/15
防护围栏安装工程施工方案_第2页
2/15
防护围栏安装工程施工方案_第3页
3/15
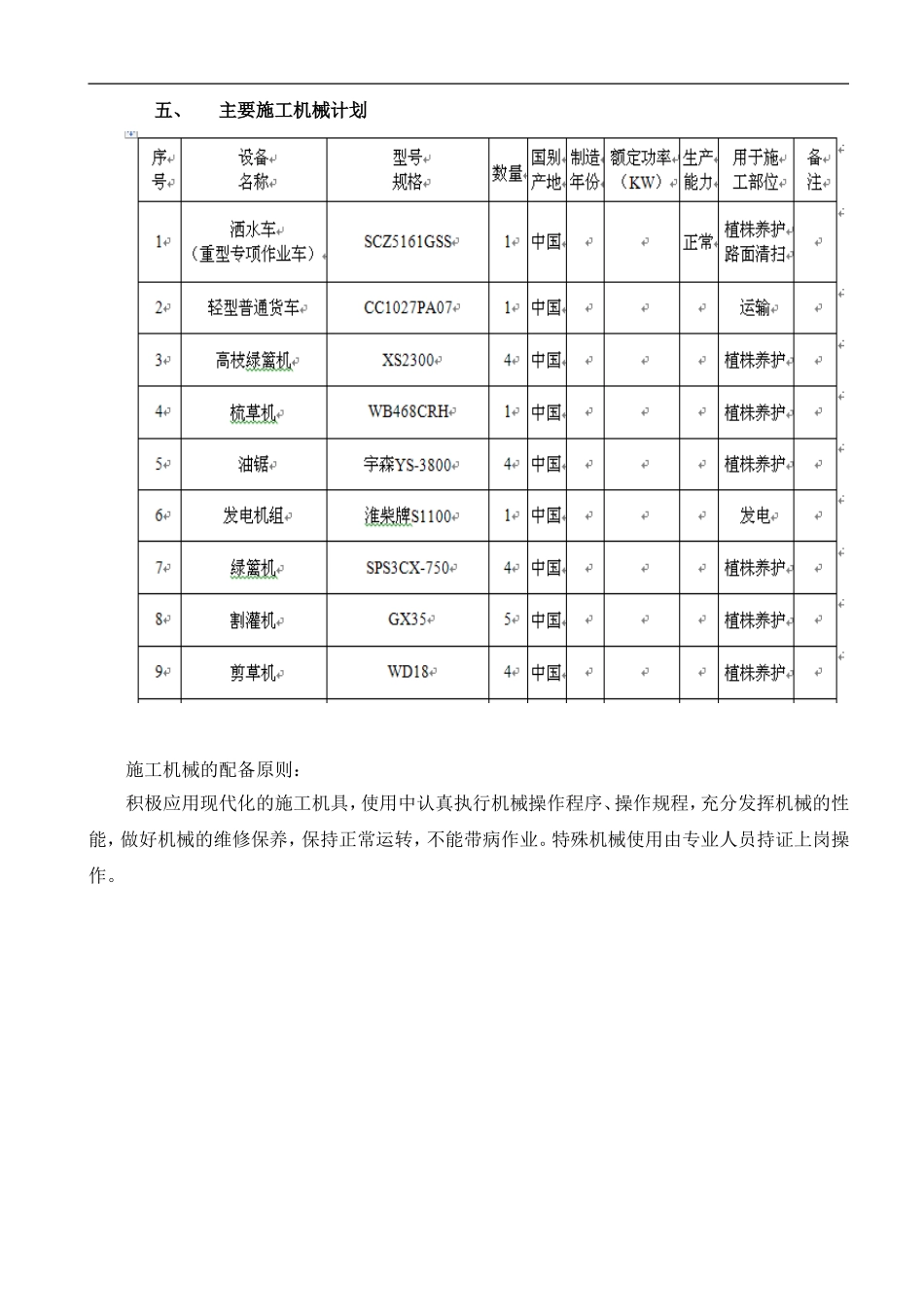
第一节.围网施工方案一、技术准备技术准备在施工前由技术负责人主持对各项施工负责人进行施工方案技术交底,并由专业人员施工队长编写安全技术交底,对施工人员进行培训及现场作业指导。根据施工图纸和设计要求,采购工程所需各种原材料。栏杆确定材料符合图纸设计要求无误后加工制作,确保不合格材料不得使用。二、基坑开挖(1)开挖槽、坑、沟深度超过1.5m时,应设置人员上下坡道或爬梯。开挖深度超过2m时,必须在边沿处设置两道护身栏杆。危险处夜间应设红色标志灯。(2)槽、坑、沟边1m以内不得推土、推料、停置机具。槽、坑、沟边与建筑物、构筑物的距离不得小于1.5m,特殊情况必须采用有效的技术措施。三、预埋件产品到达施工现场后按图纸上所规定的位置及尺寸准确安装就位,确定好标高及垂直平整度。应按照甲方要求与图纸设计要求进行定位,确保达到设计要求与验收规范。预埋件安装根据图纸设计要求和施工现场的实际情况准确无误的定位,避免造成不在一条平行线上。栏杆内所提供的标准线抄水平定位安装,预埋间距根据楼梯踏步数量及图纸设计要求,安装定位。安装偏差必须符合国家规定和设计要求,达到验收标准。预埋件、铁艺栏杆安装必须牢固,安装偏差根据国家规定和设计要求:扶手直线度<3mm,垂直度<3mm,栏杆间距误差<3mm,对角线误差<3mm,预埋件垂直误差<3mm,水平误差<3mm。预埋件安装定位准确无误经验收后刷两道防锈漆,再进行铁艺栏杆安装。防护栏杆安装完成后,经验收后再做表面一致清理。栏杆安装运输过程中,为防止擦伤损坏,应做包装防护。四、劳动力安排计划根据该工程的重要性,我公司将选派高素质的专业管理人员,选用以往曾屡获优质工程奖和最有战斗力的施工队伍,组建成一支优秀的项目团队。由我公司成建制的具有同类工程施工经验、较高施工技术水平的施工队伍进场承担施工任务。不雇佣临时工,不转包或分包,保证使用熟练工人,执行标准工艺。开工之前进行岗前教育和培训,特殊工种持证上岗。五、主要施工机械计划施工机械的配备原则:积极应用现代化的施工机具,使用中认真执行机械操作程序、操作规程,充分发挥机械的性能,做好机械的维修保养,保持正常运转,不能带病作业。特殊机械使用由专业人员持证上岗操作。六、施工总进度计划1、招标工期为日历天,本计划实际施工控制工期为“”日历天。2、网络计划原则是“排满时间、占满空间”找出网络计划中关键线路,确保各道工序必须时间、技术间歇时间前提下各工序施工时间尽量压缩,最大限度的挖掘关键路线的潜力。3、开工日期按业主要求或合同约定。进度第几天(总工期40天)备注1-45-89-1213-1617-2021-2425-2829-3233-3636-40准备工作基础工程砼浇筑围网安装标牌安装绿篱栽植场地清理竣工验收第二节.绿篱的养护1.0目的规范绿篱养护工作提高绿篱保养水平。2.0范围城镇临街围墙范围内的绿篱养护工作。3.0职责绿化主管负责绿篱养护的组织实施与质量控制。绿化班长负责绿篱养护质量保证和操作技术培训。绿化工负责按本规程进行绿篱养护具体操作。一、程序要点1、绿篱养护质量要求造型绿篱轮廓清晰,棱角分明。墙状修剪绿篱侧面垂直,水面水平,无明显缺剪漏剪,无崩口,脚部整齐。每次修剪原则上不超过上一次剪口,已定型的绿篱新枝留高不超过5cm。片植绿篱修剪应有坡度变化,但坡度应平滑,不能有明显交接口。绿篱内生出的杂生植物、爬藤等应及时予以连根清除。生长不良或遭受病虫害而严重变形的植株应及时用大小相当的同类植株予以更换。绿篱养护应视天气情况2-3天淋一次水,每半个月用水冲洗一次叶面。二、施肥球形灌木每年2月底施一次花生麸或其他有机肥,用量平均每棵30克,施后用土将肥覆盖。球形灌木要求每3个月施一次缓溶肥,施肥时应严防肥料粘在枝叶上或撤落路边,肥料不许成堆贴近植物根部。三、病虫害防治常见病害及其防治:a)白粉病。白粉病发作时用粉锈灵防治;b)黑斑病。黑斑病发作时用甲基托布津、代森锰锌、百菌清防止;c)煤污病。防治煤污病要清疏植株增强光照,喷杀蚧药和百菌清的混合液,结合防杀蚧壳虫同时进行。常见虫害及其防治:a)蚜虫。蚜虫发作时用氯氰菊脂类:万能粉防治;b)...

1、当您付费下载文档后,您只拥有了使用权限,并不意味着购买了版权,文档只能用于自身使用,不得用于其他商业用途(如 [转卖]进行直接盈利或[编辑后售卖]进行间接盈利)。
2、本站所有内容均由合作方或网友上传,本站不对文档的完整性、权威性及其观点立场正确性做任何保证或承诺!文档内容仅供研究参考,付费前请自行鉴别。
3、如文档内容存在违规,或者侵犯商业秘密、侵犯著作权等,请点击“违规举报”。

碎片内容

防护围栏安装工程施工方案

您可能关注的文档

确认删除?
VIP
微信客服
  • 扫码咨询
会员Q群
  • 会员专属群点击这里加入QQ群
客服邮箱
回到顶部