电脑桌面
添加小米粒文库到电脑桌面
安装后可以在桌面快捷访问

维修电工等级鉴定--高级电工实操试题VIP免费

维修电工等级鉴定--高级电工实操试题_第1页
1/12
维修电工等级鉴定--高级电工实操试题_第2页
2/12
维修电工等级鉴定--高级电工实操试题_第3页
3/12
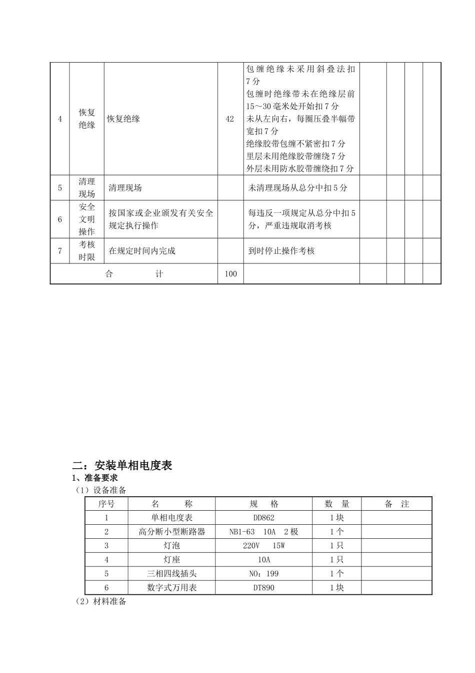
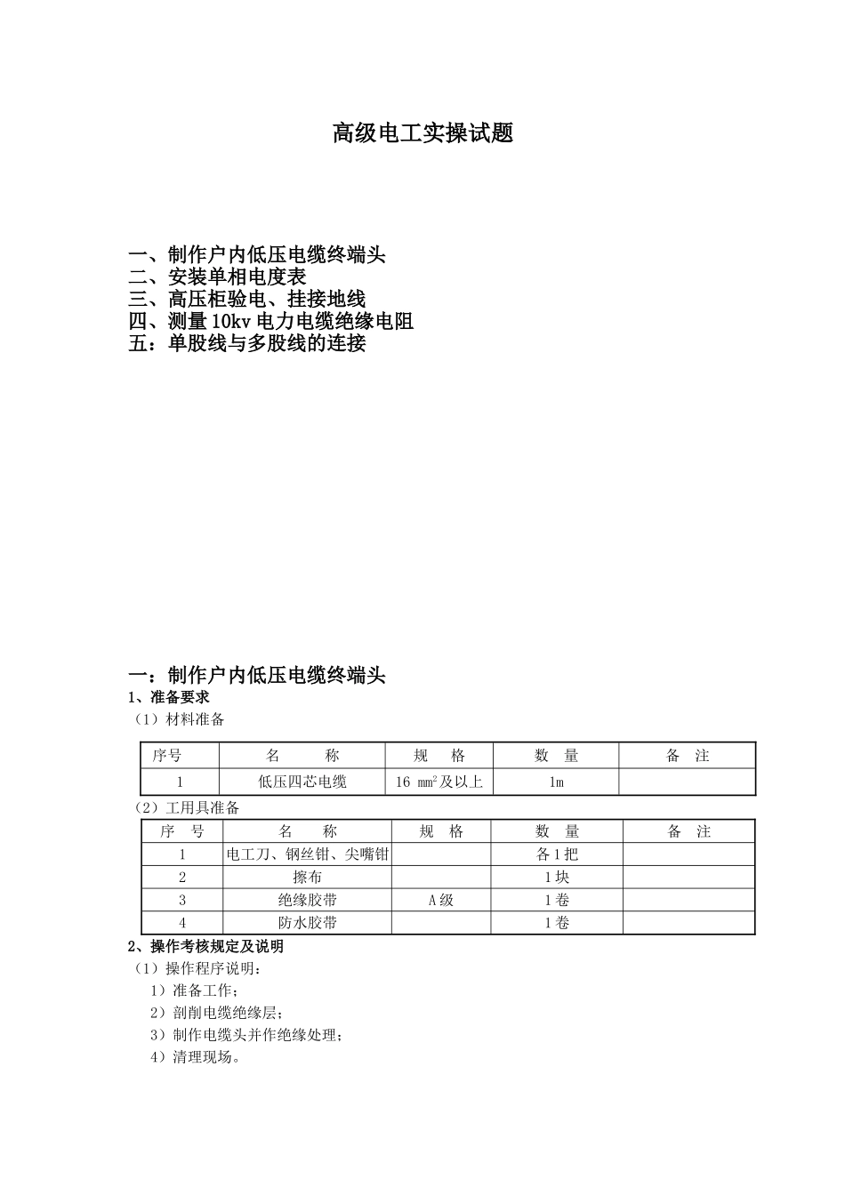
高级电工实操试题一、制作户内低压电缆终端头二、安装单相电度表三、高压柜验电、挂接地线四、测量10kv电力电缆绝缘电阻五:单股线与多股线的连接一:制作户内低压电缆终端头1、准备要求(1)材料准备(2)工用具准备序号名称规格数量备注1电工刀、钢丝钳、尖嘴钳各1把2擦布1块3绝缘胶带A级1卷4防水胶带1卷2、操作考核规定及说明(1)操作程序说明:1)准备工作;2)剖削电缆绝缘层;3)制作电缆头并作绝缘处理;4)清理现场。序号名称规格数量备注1低压四芯电缆16mm2及以上1m(2)考核规定说明:1)如操作违章或未按操作程序执行操作,将停止考核;2)考核采用百分制,考核项目得分按鉴定比重进行折算。(3)考核方式说明:该项目为实际操作(过程型),考核过程按评分标准及操作过程进行评分。(4)测量技能说明:本项目主要测量考生对制作低压电缆头的熟练程度。3、考核时限(1)准备时间:1min(不计入考核时间)。(2)正式操作时间15min。(3)提前完成操作不加分,到时停止操作考核。4、评分记录表试题名称:制作户内低压电缆终端头考核时间15min序号考核内容评分要素配分评分标准检测结果扣分得分备注1准备工作工用具准备6少选或错选一件扣1分2剖削电缆护套用电工刀具45°角切入;25°角平推剖削电缆绝缘层21未45°角切入导线扣7分未25°角平推剖削电缆绝缘层扣7分导线绝缘层剖削过长或过短扣7分3制作电缆头制作电缆头31钢铠未处理干净扣10分未保留内衬垫层扣10分未制作成伞形扣11分4恢复绝缘恢复绝缘42包缠绝缘未采用斜叠法扣7分包缠时绝缘带未在绝缘层前15~30毫米处开始扣7分未从左向右,每圈压叠半幅带宽扣7分绝缘胶带包缠不紧密扣7分里层未用绝缘胶带缠绕7分外层未用防水胶带缠绕扣7分5清理现场清理现场未清理现场从总分中扣5分6安全文明操作按国家或企业颁发有关安全规定执行操作每违反一项规定从总分中扣5分,严重违规取消考核7考核时限在规定时间内完成到时停止操作考核合计100二:安装单相电度表1、准备要求(1)设备准备序号名称规格数量备注1单相电度表DD8621块2高分断小型断路器NB1-6310A2极1个3灯泡220V15W1只4灯座10A1只5三相四线插头NO:1991个6数字式万用表DT8901块(2)材料准备序号名称规格数量备注1塑铜线1.5mm210米2多股绝缘塑料导线2.5mm2各5米黄、绿、红、蓝色3细木工板40cm×50cm1块4自攻螺丝长度20mm20个5端子排JD0-1020380V、10A30节(3)工用具准备序号名称规格数量备注1一字螺钉旋具1把2十字螺钉旋具1把3尖嘴钳1把4剥线钳1把5低压验电器500V1个6线手套1副2、操作考核规定及说明(1)操作程序说明:1)安装电路;2)通电试验;3)清理现场;4)安全文明操作。(2)考核规定说明:1)如操作违章或未按操作程序执行操作,将停止考核;2)考核采用百分制,考核项目得分按鉴定比重进行折算。(3)考核方式说明:该项目为实际操作(结果型),考核过程按评分标准及操作过程进行评分。(4)测量技能说明:本项目主要测量考生对安装单相电度表的熟练程度。3、考核时限(1)准备时间:1min(不计入考核时间)。(2)正式操作时间:15min。(3)提前完成操作不加分,到时停止操作考核。4、评分记录表附图单相电度表试题名称:安装单相电度表考核时间:15min序号考核内容评分要素配分评分标准检测结果扣分得分备注1安装电路按原理图安装电路80未按原理图接线扣80分电度表相线、零线接错扣20分电流线圈接错扣10分电压线圈接错扣10分连接片松动扣10分灯座相线、零线接错扣10分接点松动、露铜过长、压绝缘层、反圈每处扣1分(最多扣10分)损坏元件扣10分2通电试验接入负载通电试验20通电试验电度表反转、不转或转速慢扣20分3清理现场清理现场未清理现场从总分中扣5分4安全文明操作按国家或企业颁发有关安全规定执行操作每违反一项规定从总分中扣5分,严重违规取消考核5考核时限在规定时间内完成到时停止操作考核合计100三:高压柜验电、挂接地线1、准备要求(1)工具、仪器准备序号名称规格单位数量备注1高压验电器YDQ-6个12接地线组13电工工具套1自备2、操作考核规定及说明(1)操作程序说明:1)准备工作;;2)听指令检查验电器、接地线;3)开高压柜;4)...

1、当您付费下载文档后,您只拥有了使用权限,并不意味着购买了版权,文档只能用于自身使用,不得用于其他商业用途(如 [转卖]进行直接盈利或[编辑后售卖]进行间接盈利)。
2、本站所有内容均由合作方或网友上传,本站不对文档的完整性、权威性及其观点立场正确性做任何保证或承诺!文档内容仅供研究参考,付费前请自行鉴别。
3、如文档内容存在违规,或者侵犯商业秘密、侵犯著作权等,请点击“违规举报”。

碎片内容

维修电工等级鉴定--高级电工实操试题

确认删除?
VIP
微信客服
  • 扫码咨询
会员Q群
  • 会员专属群点击这里加入QQ群
客服邮箱
回到顶部