电脑桌面
添加小米粒文库到电脑桌面
安装后可以在桌面快捷访问

自行监测方案模板VIP免费

自行监测方案模板_第1页
1/13
自行监测方案模板_第2页
2/13
自行监测方案模板_第3页
3/13
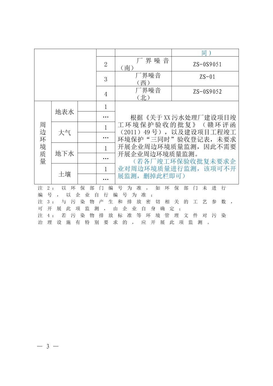
XXXX污水处理厂自行监测方案一、排污单位基本情况名称XXXXXX联系地址XXXXXX法人代表XXXX企业类型重点排污单位联系人XXXX联系电话XXXX所属行业污水处理数据公开时限手工完成监测数据后的次日自动实时自行监测开展方式手工+自动污染物产生情况废水根据环评及环评批复,我厂主要处理城镇生活管网收集的负荷相关接管标准的生活污水,脱泥压滤产生的少量污水回流至厂区提升泵房,进行处理。生产所排放的污染物主要为经过处理后,尚未彻底消解,并达到国家相关排放标准的污水。废气根据环评及环评批复,废气主要为污水及污泥处理过程中产生的恶臭,相关废气执行《城镇污水处理厂污染物排放标准》(GB18918-2002)二级标准排放。噪声污水处理提升泵等设备运行过程中产生噪声。固废根据环评及环评批复,我司污水处理厂固体废物主要为污水处理过程中产生的剩余污泥,固体废物满足相关稳定化和脱水处理后,进入垃圾填埋场进行妥善处理,防止二次污染。污染处理设施建设、运行情况废水处理设施XX县生活污水处理厂占地面积XX亩,主要收集处理城区生活污水的处理,XX年完成一期日处理XX万吨规模的建设,XX年完成二期XX万吨规模的建设,现设计总处理规模为X万吨/日。污水处理工艺为“沉砂池+改良型氧化沟工艺+二沉池+紫外消毒”,主要污染处理设施包括格—1—栅,提升泵、沉砂池、氧化沟生化降解池,二沉池,紫外消毒等设备设施。废气处理设施按环评要求设置了卫生防护距离,并在厂界四周种植了绿化隔离带。噪声处理设施采用低噪音环保设备并通过安装在室内、水下和消音装置及厂区内外种植树木等措施防治噪音。固废处理设施污泥经过稳定化和脱水处理后外运至垃圾填埋场处理。(各厂根据自身情况填写)污染物排放方式及排放去向污水处理后达到《城镇污水处理厂污染物排放标准》(GB18918-2002)一级B标准连续排放至XX;废气执行《城镇污水处理厂污染物排放标准》(GB18918-2002)二级标准,无组织排放;噪声执行《工业企业厂界环境噪声排放标准》(GB12348-2008)2类标准排放;剩余污泥经稳定化脱水处理后,达到《城镇污水处理厂污染物排放标准》(GB18918-2002)“污泥稳定化控制指标”要求,脱水后的污泥含水率小于80%,再外运至政府制定的垃圾填埋场卫生填埋。(各厂根据竣工环保验收批复及环评批复填写,各厂批复可能会有所不同,优先以竣工环评批复要求填写,请仔细核实)注1:自行监测开展方式包括手工监测、自动监测、手工与自动相结合三种。二、监测点位及示意图污染源类型序号监测点位名称排口编号【2】废水1出水总排放口WS-0S9050(根据环保标识牌填写)废气无组织1厂界CJ-XXX(各厂自行编号)2厂内CN-XXX(各厂自行编号,该项主要为甲烷,监测点为厂内甲烷浓度最高点)噪声1厂界噪音(东)ZS-0S9050(根据环保标识牌填写,下—2—同)2厂界噪音(南)ZS-0S90513厂界噪音(西)ZS-014厂界噪音(北)ZS-0S9052周边环境质量地表水1根据《关于XX污水处理厂建设项目竣工环境保护验收的批复》(赣环评函(2011)49号),以及建设项目工程竣工环境保护“三同时”验收登记表,未要求开展企业周边环境质量监测,因此不需要开展企业周边环境质量监测。(若各厂竣工环保验收批复未要求企业对周边环境质量进行监测,该项可不开展监测,删掉此栏即可)…大气1…地下水1…土壤1…注2:以环保部门编号为准,如环保部门未进行编号,以企业自行编号为准;注3:与污染物产生和排放密切相关的工艺参数,可开展此项监测,由企业自身确定;注4:若污染物排放标准等环境管理文件对污染治理设施有特别要求的,应开展此项监测。—3——4—三、监测指标及相关信息【5】12345678910监测点位名称【6】监测指标执行标准标准限值监测形式监测频次采样方法监测方法方法来源检出限废水排口总出水排放口化学需氧量(COD)《城镇污水处理厂污染物排放标准》(GB18918-2002)一级B标准。60mg/L手工与自动相结合自动监测为24小时连续监测;手工监测为1次/日手工重铬酸盐法HJ828-20174mg/L氨氮8(15)mg/L手工与自动相结合自动监测为24小时连续监测;手工监测为1次/日手工分光光度法HJ535-20090.025mg/LPH6-9手工与自动相结...

1、当您付费下载文档后,您只拥有了使用权限,并不意味着购买了版权,文档只能用于自身使用,不得用于其他商业用途(如 [转卖]进行直接盈利或[编辑后售卖]进行间接盈利)。
2、本站所有内容均由合作方或网友上传,本站不对文档的完整性、权威性及其观点立场正确性做任何保证或承诺!文档内容仅供研究参考,付费前请自行鉴别。
3、如文档内容存在违规,或者侵犯商业秘密、侵犯著作权等,请点击“违规举报”。

碎片内容

自行监测方案模板

您可能关注的文档

确认删除?
VIP
微信客服
  • 扫码咨询
会员Q群
  • 会员专属群点击这里加入QQ群
客服邮箱
回到顶部