电脑桌面
添加小米粒文库到电脑桌面
安装后可以在桌面快捷访问

建筑模板工程量的计算规则VIP免费

建筑模板工程量的计算规则_第1页
1/3
建筑模板工程量的计算规则_第2页
2/3
建筑模板工程量的计算规则_第3页
3/3
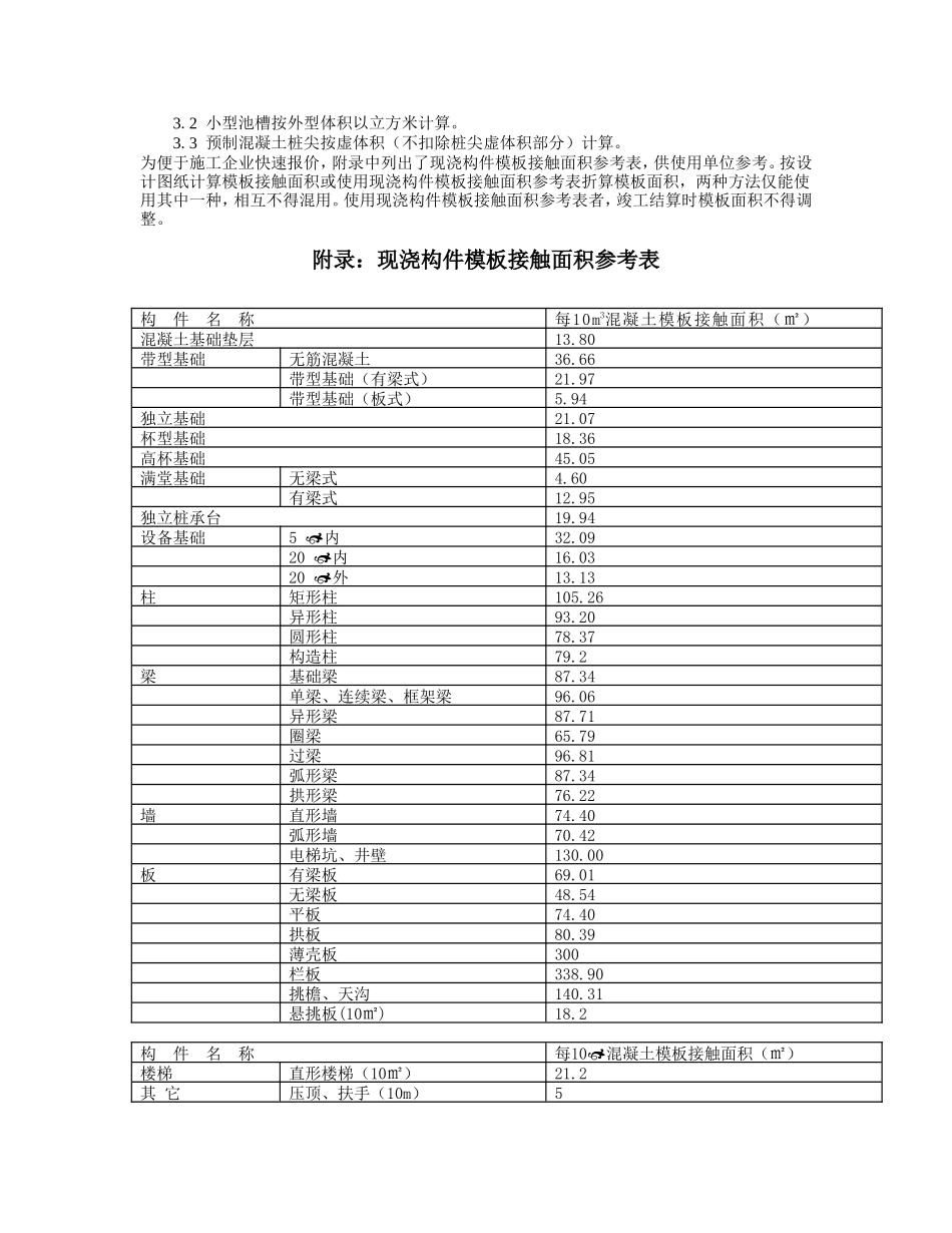
建筑模板工程量的计算规则1现浇混凝土模板工程量,除另有规定外,应区分不同材质,按混凝土与模板接触面积以平方米计算。1.1杯形基础杯口高度大于外杯口大边长度的,套用高杯基础定额;1.2有肋式带形基础,肋高与肋宽之比在4:1以内的按有肋式带形基础计算;肋高与肋宽之比超过4:1的,其底板按板式带形基础计算,以上部分按墙计算。1.3桩承台按独立式桩承台编制,带形桩承台按带形基础定额执行。1.4箱式满堂基础应分别按满堂基础、柱、墙、梁、地下室顶板有关规定计算。1.5柱模板:1.5.1柱高按下列规定确定:(1)有梁板的柱高,应自柱基或楼板的上表面至上层楼板底面计算;(2)无梁板的柱高,应自柱基或楼板的上表面至柱帽下表面计算;1.5.2暗柱、暗梁及墙凸出部分的模板并入墙模板工程量内计算。附墙柱凸出墙面部分小于墙厚1.5倍时,并入墙计算;超过墙厚1.5倍时,按柱计算。1.5.3计算柱模板时,不扣除梁与柱交接处的模板面积。1.5.4构造柱按外露部分计算模板面积,留马牙槎的按最宽面计算模板宽度。1.6梁模板:1.6.1梁长按下列规定确定:梁与柱连接时,梁长算至柱侧面;主梁与次梁连接时,次梁长算至主梁侧面。1.6.2计算梁模板时,不扣除梁与梁交接处的模板面积。1.7墙、板模板:1.7.1墙高应自墙基或楼板的上表面至上层楼板底面计算。1.7.2墙、板上单孔面积在0.3㎡以内的孔洞不扣除,洞侧模板也不增加,单孔面积在0.3㎡以上应扣除,洞侧模板并入墙、板模板工程量计算。1.7.3计算墙模板时,不扣除梁与墙交接处的模板面积。1.7.4计算板模板时,不扣除柱、墙所占的面积。1.8梁、板、墙模板均不扣除后浇带所占的面积。1.9现浇悬挑板按外挑部分的水平投影面积计算,伸出墙外的牛腿、挑梁及板边的模板不另计算。1.10薄壳板由平层和拱层两部分组成,按平层水平投影面积计算工程量。1.11板式转换层楼板模板按楼板水平投影面积以平方米计算,侧面面积不增加,不扣除柱、墙接触面所占面积;楼层顶撑按转换层楼板模板乘以实际支撑层数计算。1.12屋顶水池,分别按柱、梁、墙、板项目计算。1.13楼梯包括休息平台、梁、斜梁及楼梯与楼板的连接梁,按设计图示尺寸以水平投影面积计算,不扣除宽度小于500mm的楼梯井所占面积,楼梯的踏步板、平台梁等侧面模板不另计算。1.14混凝土压顶、扶手按延长米计算。1.15小型池槽模板按构件外围体积计算,池槽内、外侧及底部的模板不另计算。1.16台阶模板按水平投影面积计算,台阶两侧不另计算模板面积。1.17现浇混凝土散水按散水坡设计图示面积以平方米计算,现浇混凝土明沟按延长米计算。1.18小立柱、装饰线条及二次浇灌模板套用小型构件定额子目,按模板接触面积以平方米计算。1.19梁、墙、板后浇带模板工程量按后浇部分混凝土体积以立方米计算。2构筑物混凝土模板工程量,按以下规定计算:2.1构筑物的模板工程量,除另有规定者外,区别现浇、预制和构件类别,分别按本计算规则第1条和第3条的有关规定计算。2.2大型池槽等分别按基础、墙、板、梁、柱等有关规定计算并套相应定额子目。2.3液压滑升钢模板施工的烟筒、水塔塔身、贮仓等,均按混凝土体积,以立方米计算。2.4倒圆锥形水塔罐壳模板按混凝土体积以立方米计算。倒圆锥形水塔罐壳组装、提升、就位,按不同容积以座计算。3预制混凝土构件模板工程量,按以下规定计算:3.1预制混凝土模板工程量,除另有规定外均按混凝土实体体积以立方米计算。3.2小型池槽按外型体积以立方米计算。3.3预制混凝土桩尖按虚体积(不扣除桩尖虚体积部分)计算。为便于施工企业快速报价,附录中列出了现浇构件模板接触面积参考表,供使用单位参考。按设计图纸计算模板接触面积或使用现浇构件模板接触面积参考表折算模板面积,两种方法仅能使用其中一种,相互不得混用。使用现浇构件模板接触面积参考表者,竣工结算时模板面积不得调整。附录:现浇构件模板接触面积参考表构件名称每10m3混凝土模板接触面积(㎡)混凝土基础垫层13.80带型基础无筋混凝土36.66带型基础(有梁式)21.97带型基础(板式)5.94独立基础21.07杯型基础18.36高杯基础45.05满堂基础无梁式4.60有梁式12.95独立桩承台19.94设备基础5内32.0920内16...

1、当您付费下载文档后,您只拥有了使用权限,并不意味着购买了版权,文档只能用于自身使用,不得用于其他商业用途(如 [转卖]进行直接盈利或[编辑后售卖]进行间接盈利)。
2、本站所有内容均由合作方或网友上传,本站不对文档的完整性、权威性及其观点立场正确性做任何保证或承诺!文档内容仅供研究参考,付费前请自行鉴别。
3、如文档内容存在违规,或者侵犯商业秘密、侵犯著作权等,请点击“违规举报”。

碎片内容

建筑模板工程量的计算规则

状元书店+ 关注
实名认证
内容提供者

热爱教学事业,对互联网知识分享很感兴趣

确认删除?
VIP
微信客服
  • 扫码咨询
会员Q群
  • 会员专属群点击这里加入QQ群
客服邮箱
回到顶部