电脑桌面
添加小米粒文库到电脑桌面
安装后可以在桌面快捷访问

足球专项考核VIP免费

足球专项考核_第1页
1/4
足球专项考核_第2页
2/4
足球专项考核_第3页
3/4
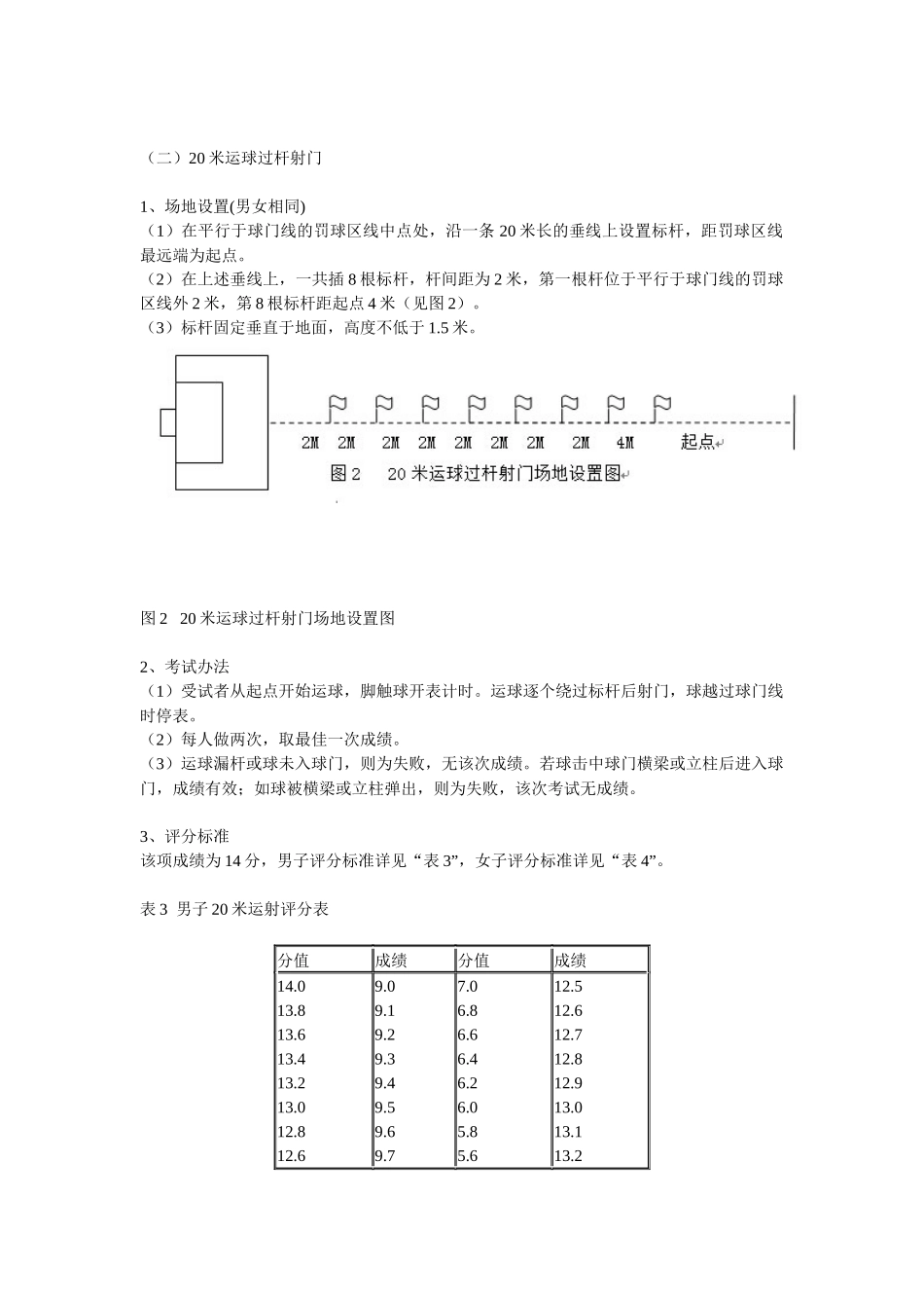
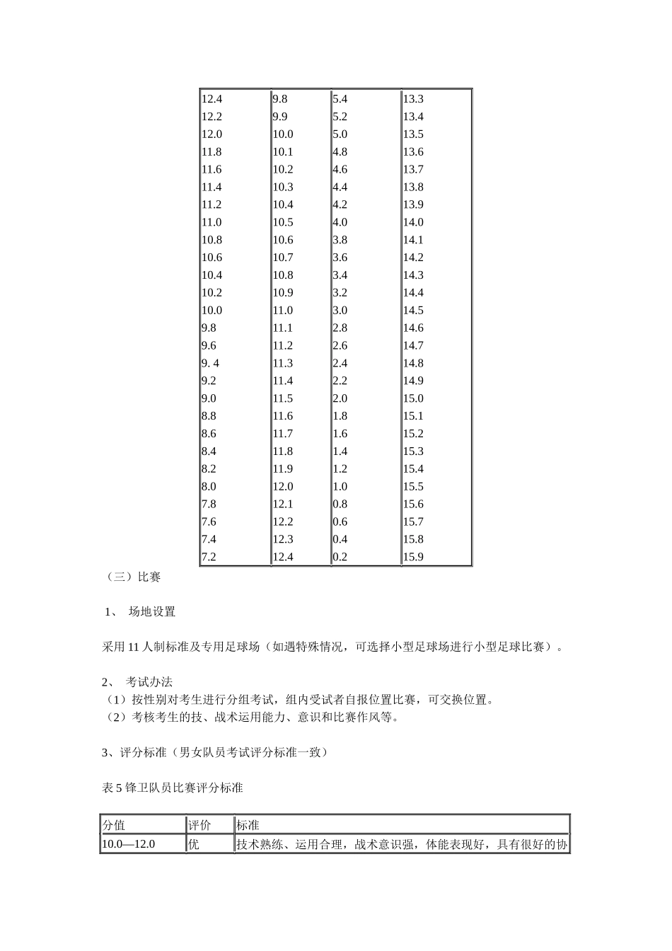
足球专项考核设计分为锋卫队员考试和守门员考试两大类,考生二选一参加考试。锋卫队员考试一、考试项目及分值1、定位球传准(14分)2、20米运球过杆射门(14分)3、比赛(12分)二、考试办法及评分细则(一)定位球传准1、场地设置(1)以O为圆心,以2.5米和3.5米为半径,画两个同心圆。圆心处放置一标志盘,作为传准的目标。(2)男子场地:距圆心25米外划一条5米长传球限制线(见图1)。(3)女子场地:距圆心22米外划一条5米长传球限制线(见图1)。图1定位球传准场地设置图2、考试办法(1)受试者将足球放在限制线上或后面,用脚向圆圈里传球,球的第一落点在圆圈内视为得分(落点在圆圈线上视为有效),而球的第一落点在半径为3.5米的大圆圈外,则不得分。(2)每人踢7次,每次均计成绩,7次成绩之和为该项成绩。3、评分标准该项成绩为14分,每次传入半径为2.5米的内圈,得2分;每次传入半径为2.5米和3.5米之间的外圈范围,得1.5分。(二)20米运球过杆射门1、场地设置(男女相同)(1)在平行于球门线的罚球区线中点处,沿一条20米长的垂线上设置标杆,距罚球区线最远端为起点。(2)在上述垂线上,一共插8根标杆,杆间距为2米,第一根杆位于平行于球门线的罚球区线外2米,第8根标杆距起点4米(见图2)。(3)标杆固定垂直于地面,高度不低于1.5米。图220米运球过杆射门场地设置图2、考试办法(1)受试者从起点开始运球,脚触球开表计时。运球逐个绕过标杆后射门,球越过球门线时停表。(2)每人做两次,取最佳一次成绩。(3)运球漏杆或球未入球门,则为失败,无该次成绩。若球击中球门横梁或立柱后进入球门,成绩有效;如球被横梁或立柱弹出,则为失败,该次考试无成绩。3、评分标准该项成绩为14分,男子评分标准详见“表3”,女子评分标准详见“表4”。表3男子20米运射评分表分值成绩分值成绩14.013.813.613.413.213.012.812.69.09.19.29.39.49.59.69.77.06.86.66.46.26.05.85.612.512.612.712.812.913.013.113.212.412.212.011.811.611.411.211.010.810.610.410.210.09.89.69.49.29.08.88.68.48.28.07.87.67.47.29.89.910.010.110.210.310.410.510.610.710.810.911.011.111.211.311.411.511.611.711.811.912.012.112.212.312.45.45.25.04.84.64.44.24.03.83.63.43.23.02.82.62.42.22.01.81.61.41.21.00.80.60.40.213.313.413.513.613.713.813.914.014.114.214.314.414.514.614.714.814.915.015.115.215.315.415.515.615.715.815.9(三)比赛1、场地设置采用11人制标准及专用足球场(如遇特殊情况,可选择小型足球场进行小型足球比赛)。2、考试办法(1)按性别对考生进行分组考试,组内受试者自报位置比赛,可交换位置。(2)考核考生的技、战术运用能力、意识和比赛作风等。3、评分标准(男女队员考试评分标准一致)表5锋卫队员比赛评分标准分值评价标准10.0—12.0优技术熟练、运用合理,战术意识强,体能表现好,具有很好的协作配合精神8.0—9.9良技术熟练,运用合理,战术意识较强,体能表现良好,具有较好的协作配合精神。6.0—7.9中技术较熟练,运用较合理,战术意识一般,体能表现良好,具有一定的协作配合精神。0—5.9差技术不熟练,运用不合理,战术意识差,体能表现差,不具有协作配合精神守门员考试一、考试项目及分值1、定位球传准(14分)2、接扑球技术(14分)3、比赛(12分)二、考试办法及评分细则(一)定位球传准场地设置、考试办法与评分标准与锋卫队员考试相同。(二)接扑球技术1、考试办法守门员立于球门线中间的场地内,考官位于守门员正面11—20米处。考官向守门员前面、左右两侧用手抛球或用脚射低球、平球和高球,守门员完成接扑球技术。2、评分标准表1守门员接扑球评分标准分值评价标准12.0—14.0优反应能力强,弹跳力强,接扑球技术运用合理,熟练。10.0—11.9良反应能力较强,弹跳力较好,接扑球技术运用较合理,较熟练8.4—9.9中反应能力和弹跳力一般,接扑球技术运用基本合理0—8.3差反应能力、弹跳力和接扑球技术较差

1、当您付费下载文档后,您只拥有了使用权限,并不意味着购买了版权,文档只能用于自身使用,不得用于其他商业用途(如 [转卖]进行直接盈利或[编辑后售卖]进行间接盈利)。
2、本站所有内容均由合作方或网友上传,本站不对文档的完整性、权威性及其观点立场正确性做任何保证或承诺!文档内容仅供研究参考,付费前请自行鉴别。
3、如文档内容存在违规,或者侵犯商业秘密、侵犯著作权等,请点击“违规举报”。

碎片内容

足球专项考核

确认删除?
VIP
微信客服
  • 扫码咨询
会员Q群
  • 会员专属群点击这里加入QQ群
客服邮箱
回到顶部