电脑桌面
添加小米粒文库到电脑桌面
安装后可以在桌面快捷访问

工程竣工移交范本VIP免费

工程竣工移交范本_第1页
1/9
工程竣工移交范本_第2页
2/9
工程竣工移交范本_第3页
3/9
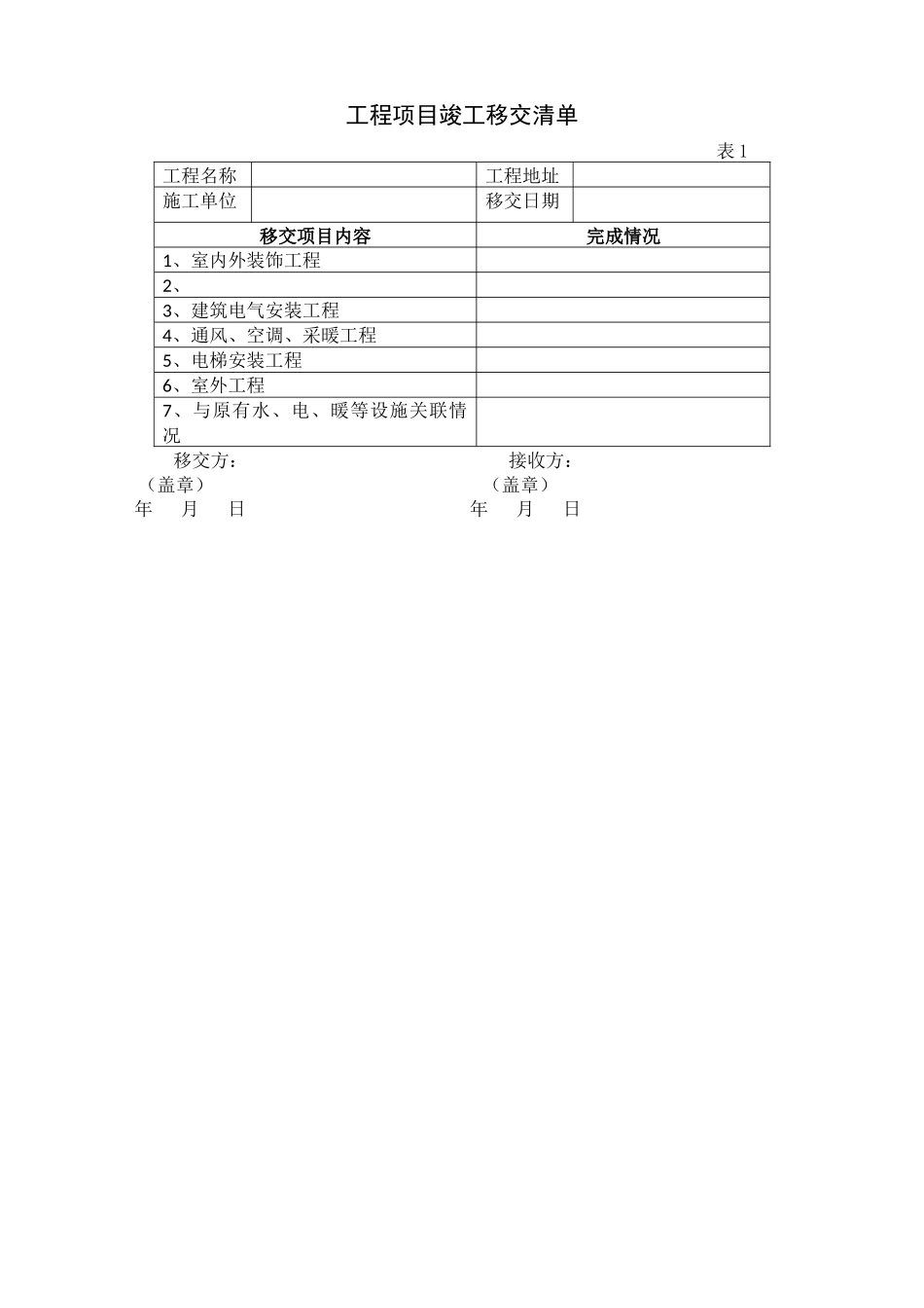
建设工程竣工移交单工程名称建设单位BT单位物业单位监理单位施工单位移交内容说明:1、工程附移交清单2、质量保修承诺书本工程已于年月日通过等相关单位竣工验收,质量符合合同要求,现于年月日由(移交单位)移交给(接收单位),按合同规定工程保修从年月日至年月日。本移交单一式四份,相关单位签署盖章后生效。施工单位经办人:负责人:监理单位经办人:负责人:BT单位经办人:负责人:建设单位经办人:负责人:物业单位经办人:负责人:工程项目竣工移交清单表1工程名称工程地址施工单位移交日期移交项目内容完成情况1、室内外装饰工程2、3、建筑电气安装工程4、通风、空调、采暖工程5、电梯安装工程6、室外工程7、与原有水、电、暖等设施关联情况移交方:接收方:(盖章)(盖章)年月日年月日房屋建筑物竣工项目财产交接表表2房屋建筑物座落房屋建筑物名称基本情况结构施工单位总建筑面积(㎡)开工时间层数竣工时间占地面积(㎡)占地面积(㎡)职工住宅户型套数资产情况︵万元︶总造价合计投资来源︵万元︶合计其中建筑投资其中小型基建拨款设备投资上级主管部门补助投资家具投资学校自筹投资其他投资房屋资料国有土地使用证号规划图(原件)开工许可证号计划审批文号竣工验收证明(原件)计委工程立项文件文号单位工程质量综合评定表建设工程规划许可证号备注备注:设备、家具投资清单见移交附表;表中所有文件填写文号,并附相应文件。移交方:移交方:(签字盖章)(签字盖章)日期:日期:工程项目竣工移交书工程名称工程地址建设部门接收部门使用部门管理部门施工单位移交时间年月日参加人员单位姓名职务移交情况续表1:项目存在问题及意见供水供电采暖土建续表2:项目存在问题及意见设备家具移交方:接收方:(盖章)(盖章)年月日年月日建筑工程质量保修书工程名称施工单位建设单位年月日房屋建筑工程质量保修书发包人(全称):承包人(全称):发包人、承包人根据《中华人民共和国建筑法》、《建设工程质量管理条例》和《房屋建筑工程质量保修办法》,经协商一致,对(工程全称)签订工程质量保修书。一、工程质量保修范围和内容承包人在质量保修内,按照有关法律、法规、规章的管理规定和双方约定,承担本工程质量保修责任。质量保修范围包括地基基础工程、主体结构工程,屋面防水工程、有防水要求的卫生间、房间和外墙面的防渗漏;供热与供冷系统、电气管线、给排水管道、设备安装和装修工程以及双方约定的其他项目。具体保修的内容,双方约定如下:地基基础工程、主体结构工程、有防水要求的卫生间、房间和外墙的防渗漏;给排水管道、装饰工程,以及双方约定的其他项目。二、质量保修期双方根据《建设工程质量管理条例》及有关规定,约定本工程的质量保修期如下:1、地基基础工程和主体结构工程为设计文件规定的该工程合理使用年限;2、屋面防水工程、有防水要求的卫生间,房间和外墙的防渗漏为5年;3、装修工程为2年;4、电气管线、给排水管道、设备安装工程为2年;5、供热与供冷系统为/个采暖期、供冷期;6、住宅小区内的给排水设施、道路等配套工程为/年;7、其他项目保修期限约定如下:《工程质量管理条例》没有规定最低保修期限的,双方约定保修期为1年。质量保修期自工程竣工验收合格之日计算。三、质量保修责任1、属于保修范围、内容的项目,承包人应当在接到保修通知之日起7天内派人保修。承包人不在约定期限内派人保修的,发包人可以委托他人修理。2、发生紧急抢修事故的,承包人在接到事故通知后,应当立即到达事故现场抢修。3、对于涉及结构安全的质量问题,应当按照《房屋建筑工程质量保修办法》的规定,立即向当地建设行政主管部门报告,采取安全防范措施;由原设计单位或具有相应资质等级的设计单位提出保修方案,承包人实施保修。4、质量保修完成任务后,由发包人组织验收。四、保修费用保修费用由造成质量缺陷的责任承担。五、其他双方约定的其他工程质量保修事项:无。本工程质量保修书,由施工合同发包人、承包人双方在竣工验收前共同签署,作为施工合同附件,其有效期限至保修满。发包人(公章)承包人(公章)法定代表人(签字):法定...

1、当您付费下载文档后,您只拥有了使用权限,并不意味着购买了版权,文档只能用于自身使用,不得用于其他商业用途(如 [转卖]进行直接盈利或[编辑后售卖]进行间接盈利)。
2、本站所有内容均由合作方或网友上传,本站不对文档的完整性、权威性及其观点立场正确性做任何保证或承诺!文档内容仅供研究参考,付费前请自行鉴别。
3、如文档内容存在违规,或者侵犯商业秘密、侵犯著作权等,请点击“违规举报”。

碎片内容

工程竣工移交范本

确认删除?
VIP
微信客服
  • 扫码咨询
会员Q群
  • 会员专属群点击这里加入QQ群
客服邮箱
回到顶部