电脑桌面
添加小米粒文库到电脑桌面
安装后可以在桌面快捷访问

中国通信系统---铁路通信工程技术标准VIP专享VIP免费

中国通信系统---铁路通信工程技术标准_第1页
1/73
中国通信系统---铁路通信工程技术标准_第2页
2/73
中国通信系统---铁路通信工程技术标准_第3页
3/73
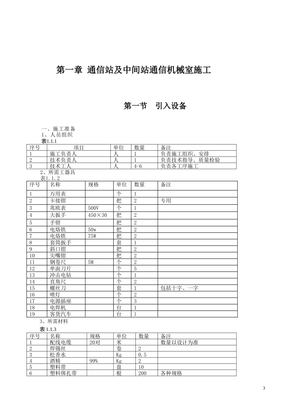
中国通信系统中铁三局集团电务工程有限公司通信分公司铁路通信工程施工技术标准(试行)(征求意见稿)二〇〇五年八月一日山西·晋中12第一章通信站及中间站通信机械室施工第一节引入设备一、施工准备1、人员组织表1.1.1序号项目单位数量备注1施工负责人人1负责施工组织、安排2技术负责人人1负责技术指导、质量检验3技术工人人4-6负责各工序施工2、所需工器具表1.1.2序号名称规格单位数量备注1万用表个12卡接钳把2专用3兆欧表500V个14大扳手450×30把25手钳把26电烙铁50w把27电烙铁75W把28套筒扳手套19斜口钳把210尖嘴钳把211钢卷尺5M个212单面刀片个513冲击电钻个114直角尺个215螺丝刀套1包括十字、一字16喷灯个217电源插座个318电焊机台119客货汽车台l3、所需材料表1.1.3序号名称规格单位数量备注1配线电缆20对米数量以设计为准2焊锡丝卷23松香水Kg0.54酒精99%Kg25塑料带盘106塑料绑扎带根200各种规格37棉纱kg58塑料小套管米59尾纤10m/根10环氧树脂Kg5已配制好的混合剂11绑把线Kg0.512膨胀螺栓个规格、数量以实际需要定13电源线米2014角钢Kg规格、数量以实际需要定15扁钢kg规格、数量以实际需要定16汽油90#Kg1017铜鼻子个规格、数量以实际需要定18钢芯绝缘线16mm2米数量以实际需要定19铜芯绝缘线10mm2米数量以实际需要定20铜芯绝缘线6mm2米数量以实际需要定21标签纸张222透明胶带卷523粉笔合24、费用指标:二、操作程序1、工序流程图图1.1.1引入设备安装工序流程图2、操作要领(1)走线架安装走线架有两种方式:上走线架和下走线架。一般通机室或通信站内如有防静电地板时采用下走线方式,施工中采取何种方式必须以设计图纸为准。①上走线架安装走线架一般采用45×45×5mm的角钢和30×3mm的扁钢连接而成。其宽度有150、200、300、400mm四种,前三种宽度的走线架适用于主走线架和列走线架,后一种宽度的走线架适用于引入、试验列安装的走线架。走线架的连接一般有焊接、铆接、螺栓连接和卡子连接四种方式。见图1.1.2、图1.1.31-梯铁;2-焊接;3-边铁;4铆钉图1.1.2组线架组装图施工时走线架的规格尺寸、连接方式以设计图纸为准。②下走线架安装下走线架的规格尺寸和上走线架基本相同,连接方式也相同,只是安装时用膨胀螺栓直接将走线架固4定在地面上,其固定间隔一般为1.5米左右,距地面高度以5—15cm为宜。现在有些机房因有防静电地板,在有些设计中虽然设计是下走线方式,但不要求做下走线架,而是直接将缆、线布放于防静电地板下。1-边铁;2-卡子;3-梯铁图1.1.3组线架组装图(2)设备开箱检查引入设备主要包括YR—7型引入架(或YRD—2、YRD—3型电化引入架)、RS—V型引入试验架(或SY—V型试验架)、PJ—6型中间配线架(或PJ—8中间配线架)和MDL型数字列头柜。当设备到货后,必须会同甲方、监理和供应方共同对到货的设备及配件按照定货合同和装箱单进行开箱检验,检查设备的完好及电气特性状况,并做好详细的纪录。检查内容如下:①外观检查:设备运输包装良好,无明显损坏。打开包装箱,检查设备漆饰完好,无碰撞凹陷、锈蚀及机盘、螺丝脱落等现象。②设备说明书、合格证、机号、出厂日期及备品备件完整齐全,说明书及合格证所标机型、机号与实物相符。③检查工作及检验工作完成后,应对检查工作内容、日期、结果及负责人签字等资料一并交技术部门存档备查。如设备有质量问题或备品备件短缺应与生产厂家联系,确定解决办法和时间,必须保证施工的顺利进行。(3)设备安装固定①设备在运输到现场后,应在有足够的人力情况下将设备搬到室内就位。设备安装程序如下:根据设计图纸用钢卷尺和直角尺量出每一列设备的安装位置,同一列的设备应正面对齐,紧密靠拢。左右两边应根据设计要求留出主副通道。主通道宽度不小于1.2M,副通道宽度不小于0.8M。特殊情况应跟设计、甲方、监理、接管单位共同协商,但绝对不能太窄影响维修通行方便。机列面对面之间的距离一般在1.1—1.5米;机列面对背之间的距离一般在0.9—1.3米;机列背对背之间的距离一般在0.8—1.2米;机列背面与墙的距离一般在0.7—1.3米;机列正面与墙的距离一般在0.9—1.2米;因各工程通机室和设备数量不同,各机列之间的距离必须...

1、当您付费下载文档后,您只拥有了使用权限,并不意味着购买了版权,文档只能用于自身使用,不得用于其他商业用途(如 [转卖]进行直接盈利或[编辑后售卖]进行间接盈利)。
2、本站所有内容均由合作方或网友上传,本站不对文档的完整性、权威性及其观点立场正确性做任何保证或承诺!文档内容仅供研究参考,付费前请自行鉴别。
3、如文档内容存在违规,或者侵犯商业秘密、侵犯著作权等,请点击“违规举报”。

碎片内容

中国通信系统---铁路通信工程技术标准

确认删除?
VIP
微信客服
  • 扫码咨询
会员Q群
  • 会员专属群点击这里加入QQ群
客服邮箱
回到顶部