电脑桌面
添加小米粒文库到电脑桌面
安装后可以在桌面快捷访问

隧道施工“三检”记录表VIP免费

隧道施工“三检”记录表_第1页
1/14
隧道施工“三检”记录表_第2页
2/14
隧道施工“三检”记录表_第3页
3/14
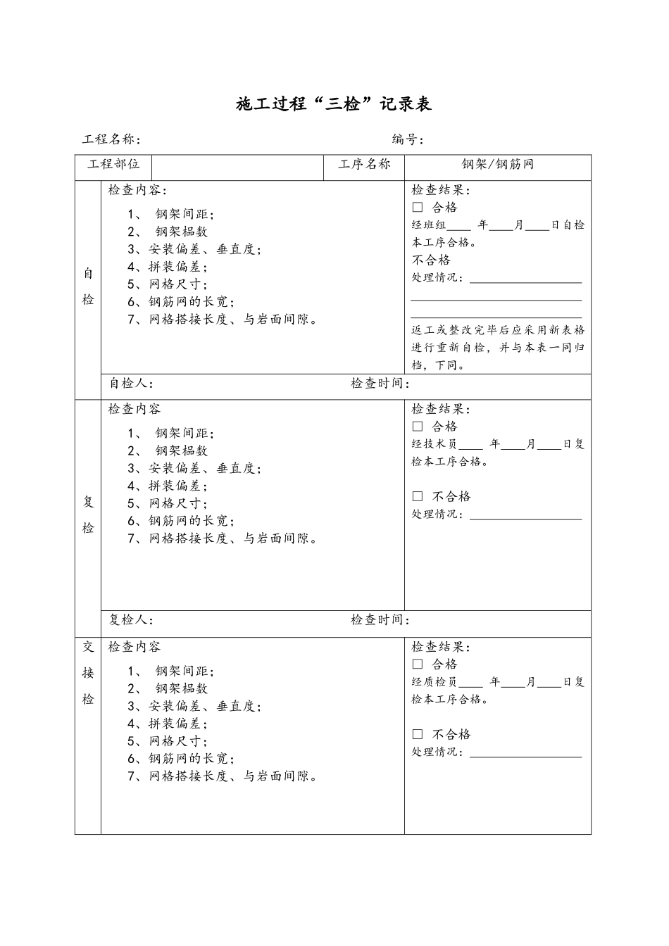
施工过程“三检”记录表工程名称:编号:工程部位工序名称洞身开挖自检检查内容:1、超欠挖;2、围岩地质情况。检查结果:□合格经班组年月日自检本工序合格。不合格处理情况:返工或整改完毕后应采用新表格进行重新自检,并与本表一同归档,下同。自检人:检查时间:复检检查内容1、超欠挖;2、围岩地质情况。检查结果:□合格经技术员年月日复检本工序合格。□不合格处理情况:复检人:检查时间:交接检检查内容1、超欠超挖;2、围岩地质情况。检查结果:□合格经质检员年月日复检本工序合格。□不合格处理情况:交接检人:检查时间:施工过程“三检”记录表工程名称:编号:工程部位工序名称钢架/钢筋网自检检查内容:1、钢架间距;2、钢架榀数3、安装偏差、垂直度;4、拼装偏差;5、网格尺寸;6、钢筋网的长宽;7、网格搭接长度、与岩面间隙。检查结果:□合格经班组年月日自检本工序合格。不合格处理情况:返工或整改完毕后应采用新表格进行重新自检,并与本表一同归档,下同。自检人:检查时间:复检检查内容1、钢架间距;2、钢架榀数3、安装偏差、垂直度;4、拼装偏差;5、网格尺寸;6、钢筋网的长宽;7、网格搭接长度、与岩面间隙。检查结果:□合格经技术员年月日复检本工序合格。□不合格处理情况:复检人:检查时间:交接检检查内容1、钢架间距;2、钢架榀数3、安装偏差、垂直度;4、拼装偏差;5、网格尺寸;6、钢筋网的长宽;7、网格搭接长度、与岩面间隙。检查结果:□合格经质检员年月日复检本工序合格。□不合格处理情况:交接检人:检查时间:施工过程“三检”记录表工程名称:编号:工程部位工序名称锚杆支护自检检查内容:1、锚杆数量;2、孔位;3、钻孔深度;4、锚杆长度;5、钻孔直径。检查结果:□合格经班组年月日自检本工序合格。不合格处理情况:返工或整改完毕后应采用新表格进行重新自检,并与本表一同归档,下同。自检人:检查时间:复检检查内容1、锚杆数量;2、孔位;3、钻孔深度;4、锚杆长度;5、钻孔直径。检查结果:□合格经技术员年月日复检本工序合格。□不合格处理情况:复检人:检查时间:交接检检查内容1、锚杆数量;2、孔位;3、钻孔深度;4、锚杆长度;5、钻孔直径。检查结果:□合格经质检员年月日复检本工序合格。□不合格处理情况:交接检人:检查时间:施工过程“三检”记录表工程名称:编号:工程部位工序名称喷射混凝土自检检查内容:1、喷射砼厚度;2、平整度。检查结果:□合格经班组年月日自检本工序合格。不合格处理情况:返工或整改完毕后应采用新表格进行重新自检,并与本表一同归档,下同。自检人:检查时间:复检检查内容1、喷射砼厚度;2、平整度。检查结果:□合格经技术员年月日复检本工序合格。□不合格处理情况:复检人:检查时间:交接检检查内容1、喷射砼厚度;2、平整度。检查结果:□合格经质检员年月日复检本工序合格。□不合格处理情况:交接检人:检查时间:施工过程“三检”记录表工程名称:编号:工程部位工序名称超前小导管自检检查内容:1、钻孔深度;2、小导管长度、数量;3、孔位;4、孔径;5、钻孔注浆施工。检查结果:□合格经班组年月日自检本工序合格。不合格处理情况:返工或整改完毕后应采用新表格进行重新自检,并与本表一同归档,下同。自检人:检查时间:复检检查内容1、钻孔深度;2、小导管长度、数量;3、孔位;4、孔径;5、钻孔注浆施工。检查结果:□合格经技术员年月日复检本工序合格。□不合格处理情况:复检人:检查时间:交接检检查内容1、钻孔深度;2、小导管长度、数量;3、孔位;4、孔径;5、钻孔注浆施工。检查结果:□合格经质检员年月日复检本工序合格。□不合格处理情况:交接检人:检查时间:施工过程“三检”记录表工程名称:编号:工程部位工序名称隧底开挖自检检查内容:1、隧底开挖底部高程(超欠挖);2、隧底虚碴清理,积水抽排,杂物清理;检查结果:□合格经班组年月日自检本工序合格。不合格处理情况:返工或整改完毕后应采用新表格进行重新自检,并与本表一同归档,下同。自检人:检查时间:互检检查内容1、隧底开挖底部高程(超欠挖);2、隧底虚碴清理,积水抽排,...

1、当您付费下载文档后,您只拥有了使用权限,并不意味着购买了版权,文档只能用于自身使用,不得用于其他商业用途(如 [转卖]进行直接盈利或[编辑后售卖]进行间接盈利)。
2、本站所有内容均由合作方或网友上传,本站不对文档的完整性、权威性及其观点立场正确性做任何保证或承诺!文档内容仅供研究参考,付费前请自行鉴别。
3、如文档内容存在违规,或者侵犯商业秘密、侵犯著作权等,请点击“违规举报”。

碎片内容

隧道施工“三检”记录表

您可能关注的文档

确认删除?
VIP
微信客服
  • 扫码咨询
会员Q群
  • 会员专属群点击这里加入QQ群
客服邮箱
回到顶部