电脑桌面
添加小米粒文库到电脑桌面
安装后可以在桌面快捷访问

钢筋加工场验收资料第一部分VIP免费

钢筋加工场验收资料第一部分_第1页
1/28
钢筋加工场验收资料第一部分_第2页
2/28
钢筋加工场验收资料第一部分_第3页
3/28
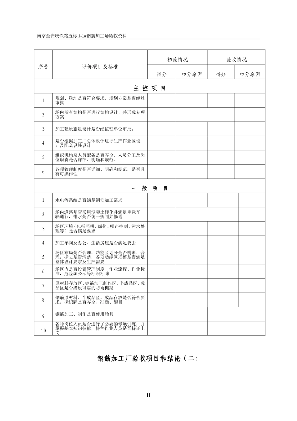
中国路桥宁安铁路工程第一项目分部钢筋加工厂验收申请表申请单位:中国路桥宁安铁路工程第一项目分部钢筋加工厂名称:中国路桥宁安铁路工程1-1#钢筋加工厂二〇一〇年五月南京至安庆铁路五标1-1#钢筋加工场验收资料宁安铁路钢筋加工厂验收基本情况施工单位名称中国路桥宁安铁路工程第一项目分部项目部钢筋加工厂名称中国路桥宁安铁路工程1-1#钢筋加工厂所承担工程项目区段K113+000~K115+000加工厂负责人温海港职称副经理电话13756495333本加工厂主要承建K113+000—K115+000范围内钢筋加工,主要构筑物:跨二环路特大桥、涵洞、道路立交、附属等。主要加工任务是二环路特大桥桩基、承台、墩柱、盖梁、垫石、桥台、现浇连续梁及框架涵的钢筋加工。加工时间为:2010年4月10日--2010年8月30日。加工厂至施工现场道路为一分部纵向贯通便道,便道顶宽6.0米,最大运输距离9Km,平均运距5Km。设负责人1名,生产计划负责人1人,技术负责人1名,收发料人员1名,焊工7名,钢筋工5名,试验负责人1名,试验人员1名,电工1名。场内道路全部硬化,场地排水已基本完善。存料场地全部硬化,排水畅通。标识醒目,内容齐全。加工厂职责详细、明确、规范。加工厂人员已分工,岗位职责已上墙。加工厂已制定出详细、明确、规范的管理制度,所有制度已上墙。质量保证体系健全,符合实际操作,质量保证体系已上墙。安全、卫生、环保、消防措施符合要求,措施均已上墙。办公室配备桌椅、电脑等办公设施,满足信息化管理要求。记录用表准备齐全,符合实际要求;专题培训结束,满足操作要求。钢筋加工厂验收项目和结论(一)I南京至安庆铁路五标1-1#钢筋加工场验收资料序号评价项目及标准初验情况验收情况得分扣分原因得分扣分原因主控项目1规划、选址是否符合要求,规划方案是否经过审批2场内所有结构是否进行结构设计,并形成专项方案3加工建设施组设计是否经监理单位审批。4是否根据加工厂总体设计进行生产作业区设计及配套设施设计5组织机构及人员配备是否齐全,人员分工及岗位职责是否详细、明确和规范。6各项管理制度是否详细、明确和规范,是否具有可操作性一般项目1水电等系统是否满足钢筋加工需求2场内道路是否采用混凝土硬化并满足重载车辆通行,排水是否统一规划并畅通3场区环境(包括照明、绿化、噪声控制、污水处理等)是否满足要求4加工车间及办公、生活房屋是否满足要去5场区布局是否合理,功能区划分是否明晰、合理,标志是否清楚,各项功能区规模是否满足总体设计要求及生产需要6场区内是否设置管理制度、作业流程、作业标准,危险源公示等标识标牌7原材料存放区、钢筋加工制作区、半成品区、成品区是否搭设可靠的防雨棚架8钢筋原材料、半成品区、成品存放是否符合要求,标识牌是否齐全、准确、醒目9钢筋加工、制作是否使用胎具10各种岗位人员是否进行了必要的专项训练,并掌握基本知识技能,特种作业人员是否持证上岗钢筋加工厂验收项目和结论(二)II南京至安庆铁路五标1-1#钢筋加工场验收资料序号评价项目及标准初验情况验收情况得分扣分原因得分扣分原因11机械设备的配置是否满足生产要求,各种设备是否有合格证或出厂质量证明文件,规格型号是否符合质量控制要求12设计度衡量的设备是否经有资质的计量部门检定,起重设备,压力容器等是否经特种设备管理部门进行检测、认证并进行备案13各种记录用表是否齐全14场内有关安全、质量消防、环保等标识是否规范、齐全初审意见意见:检查组成员签字:审定意见意见:检查组成员签字:III南京至安庆铁路五标1-1#钢筋加工场验收资料目录1钢筋加工场地概述........................................................................................................................................12组织机构........................................................................................................................................................22.1组织与管理机构图....................................................................................................................................22.2岗位职...

1、当您付费下载文档后,您只拥有了使用权限,并不意味着购买了版权,文档只能用于自身使用,不得用于其他商业用途(如 [转卖]进行直接盈利或[编辑后售卖]进行间接盈利)。
2、本站所有内容均由合作方或网友上传,本站不对文档的完整性、权威性及其观点立场正确性做任何保证或承诺!文档内容仅供研究参考,付费前请自行鉴别。
3、如文档内容存在违规,或者侵犯商业秘密、侵犯著作权等,请点击“违规举报”。

碎片内容

钢筋加工场验收资料第一部分

确认删除?
VIP
微信客服
  • 扫码咨询
会员Q群
  • 会员专属群点击这里加入QQ群
客服邮箱
回到顶部