电脑桌面
添加小米粒文库到电脑桌面
安装后可以在桌面快捷访问

学校维修工作实施方案VIP免费

学校维修工作实施方案_第1页
1/14
学校维修工作实施方案_第2页
2/14
学校维修工作实施方案_第3页
3/14
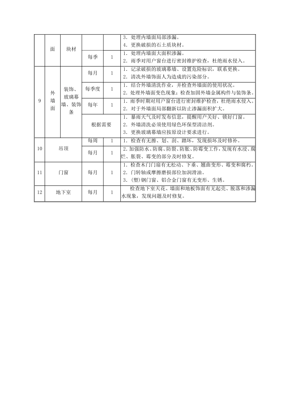
学校维修工作实施方案一、管理模式:工程维修主要以日常维修为主,涉及楼宇为学生公寓、教学楼、艺术楼、室外公共区域,针对学校的楼宇、学生分布特点和工作量等实际情况,结合我们一年来的实际运转情况,我们将日常工作进行区域划片管理,分为2个片区,“教学楼、艺术楼、小教学楼”简称教学区,为一区域;“学生公寓、室外公共设施”简称生活区,为一区域。大的维修实行集中管理,分工不分家。日常维修、设备养护责任到人,强化巡检、运行管理和预防性维修保养等。按公司ISO9000质量保证体系要求进行管理,如《设备设施管理程序》、《供配电管理程序》、《给排水管理程序》、《消防管理程序》、《日常维修工作程序》等程序文件,日常维修管理二、工程维修的工作内容及工作要点:3.1日常维修:3.1.1教学区域维修内容:黑板、课桌椅、办公家具、灯具、风扇、电插座、电开关、水龙头、洗手盆、每栋楼总闸后的给排水管道、每栋楼总闸后的供热管道、每栋楼总闸后的全部线路的维修与养护。工作要点:1、因学校维修具有较强的时间性,既要满足学生的需要,又不能影响学生的学习,所以教室内维修以学生上课前为主,快速、高效;2、上课期间主要以老师办公室、公共区域设施维修为主;3、维修人员要做到仪容仪表整洁、形象良好;4、报修主要以维修人员自查为主;5、大型维修要在寒暑假集中处理。3.1.2生活区域:维修内容:床、灯具、风扇、橱子、门窗、水龙头、大小便池、给排水、供暖系统、室外公共管道、路灯、喷泉、公共设施设备的维修与养护。工作要点:1、学生宿舍内维修要及时,尤其是床板的维修,维修质量要高;2、学生宿舍属人员密集型,消防设施要勤于检查,消防设施完好率100%;供电系统要符合标准;3、学生用水时间集中,时间短,要确保供水系统畅通。三、维修计划表4.1房屋本体维修养护计划表序号项目时间间隔次数维修养护内容1地基基础每年11.检查地基有无超过允许范围的不均匀沉降。2.检查基础有无开裂、破损,勒脚有无破损。2承重结构梁每年1检查有无变形、裂缝、腐蚀。检查罄体结构性能是否完好。板每年1检查有无弯曲变形、裂缝、腐蚀。检查整体结构性能是否完好。柱每年1检查有无倾斜,变形、裂缝、腐蚀。检查整体结构性能是否完好。承重墙每年1检查有无孔洞、裂缝、腐蚀。检查整体结构性能是否完好。3非承重墙每半年11.检查墙体有无裂缝、孔洞、风化等缺陷。4屋面防水涂层每周11.检查雨水口有无堵塞,发现异常及时疏通。2.发现涂料防水层破损、老化造成屋面渗漏的,及时修复或更换。3.检查隔热层,有无空洞、起鼓、渗漏,发现损坏及时修复4.检查避雷网有无脱焊和间断,发现异常及时补焊,油漆。5楼地面每月11.检查楼地面是否平整完好,有无空鼓和破裂。2.检查地面饰面材料有无松脱、空鼓、破损,发现问题及时处理。3.更换大面积松脱、破损的地面饰面材料。4.对大理石进行抛光、晶面、打蜡处理。5.对木地板打蜡。6楼梯每半年11.检查扶手、踏步有无损坏,发现异常随时修复。2.补换损坏的地砖。3.修复空鼓的地砖。7公共通道每周11.检查地面砖有无起砂、空鼓、开裂、松脱;发现异常及时修复。2.公共通道及门厅的墙面有无污迹和剥落,发现异常随时处理。3.检查中庭外廊护栏玻璃、支架、护栏网是否完好。发现异常及时处理。每半年11.检查扶手、踏步有无损坏,发现异常随时修复。2.补换损坏、空鼓的地砖。每年11.油漆金属支架和护栏网。2.对空鼓、开裂、损坏的地砖予以修复或更换。8内墙涂料、石土质每月11.修补内墙面裂缝、起鼓、脱落部分。2.处理内墙面变色现象。面块材3.处理内墙面局部渗漏。4.更换破损的石土质块材。每季11.处理内墙面大面积渗漏。2.雨季对用户窗台进行密封维护检查,杜绝雨水侵入。9外墙面装饰、玻璃幕墙、装饰条每月11.记录破损的玻璃幕墙、设置危险标识,联系更换。2.清冼外墙饰面人为造成的污染部分。每季度11.结合外墙清洗作业,并检查外墙面的使用状况。2.处理外墙面变色现象;检查加固外墙金属构件与装饰条。每年11.雨季时期对用户窗台进行密封维护检查,杜绝雨水侵入。2.对于外墙面局部翻新以防止渗漏面积扩大。...

1、当您付费下载文档后,您只拥有了使用权限,并不意味着购买了版权,文档只能用于自身使用,不得用于其他商业用途(如 [转卖]进行直接盈利或[编辑后售卖]进行间接盈利)。
2、本站所有内容均由合作方或网友上传,本站不对文档的完整性、权威性及其观点立场正确性做任何保证或承诺!文档内容仅供研究参考,付费前请自行鉴别。
3、如文档内容存在违规,或者侵犯商业秘密、侵犯著作权等,请点击“违规举报”。

碎片内容

学校维修工作实施方案

确认删除?
VIP
微信客服
  • 扫码咨询
会员Q群
  • 会员专属群点击这里加入QQ群
客服邮箱
回到顶部