电脑桌面
添加小米粒文库到电脑桌面
安装后可以在桌面快捷访问

仪表维修工技师技能操作试题解读VIP免费

仪表维修工技师技能操作试题解读_第1页
1/45
仪表维修工技师技能操作试题解读_第2页
2/45
仪表维修工技师技能操作试题解读_第3页
3/45
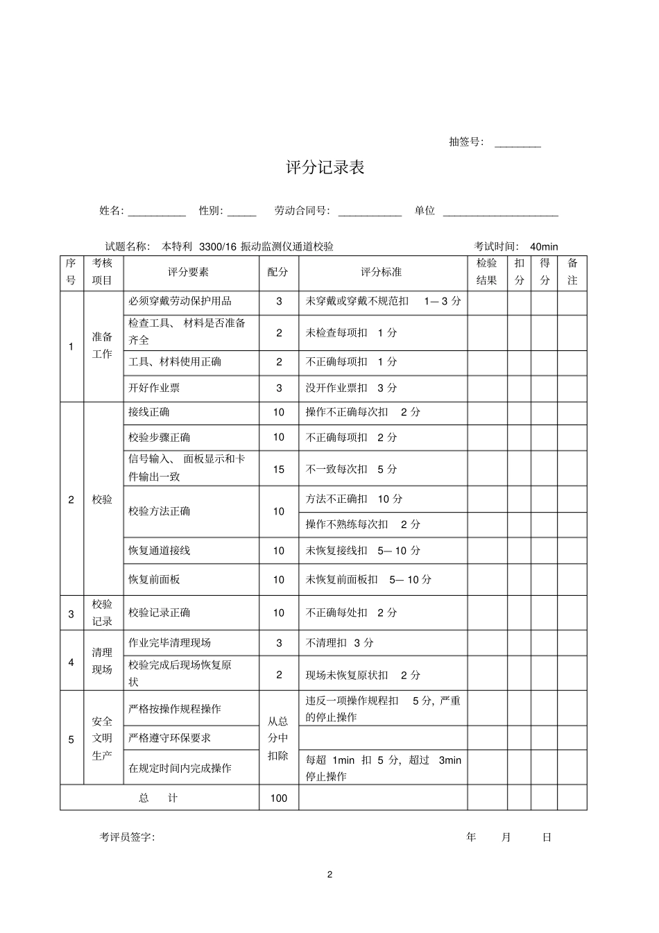
仪表工技师技能操作鉴定要素细目表工种:仪表维修工等级:技师与高级技师鉴定方式:技能操作鉴定范围鉴定点重要程度一级二级代码试题名称代码名称鉴定比重代码名称鉴定比重B专业技能100%A仪表校验20%001本特利3300/16振动监测仪通道校验X002本特利3300系列振动探头校验X003长行程执行机构的校验Y004装置开工前,自保和报警系统的联动校验Y005气动调节蝶阀校验(带电气阀门定位器)X006电容式料位计的校验XB仪表检修30%001差压变送器的安装X002标准孔板安装前的检查X003分析加热炉出口温度与炉膛温度串级调节的过程X004在水平或倾斜管道上选择压力取压点的开孔位置Y005重新装载TPSGUS属性XC故障判断及功能应用30%001串级控制回路在可编程调节器中的应用X002用PLC实现瞬时接通延时断开功能Y003用PLC实现延时接通延时断开功能X004Smar手持终端的操作X005JX—300系统控制回路的组态步骤X006JX—300系统中数据点组态参数的修改X007变送器线路板故障的排除YD培训指导20%001专业技术理论知识培训指导X002专业技能操作培训指导Y1一、BA001本特利3300/16振动监测仪通道校验1.准备要求1)场地准备(1)现场安全设施齐全、规范、无干扰。(2)照明良好,光线充足。2)设备准备序号名称规格单位数量备注1本特利3300/16带振动卡的状态监测仪鉴定站指定台1能正常工作2校验设备鉴定站指定套13信号线鉴定站指定清洁用具等3)工具考生自带4)测量技能说明本项目主要测量考生对本特利3300/16振动监测仪通道校验的综合能力。2.操作要求及时限(1)必须穿戴劳动保护用品。(2)必备的工具、设备、材料准备齐全。(3)准备时间:5min。(4)操作时间:40min。(5)提前完成操作不加分,超过规定时间按规定标准评分。3.操作程序及说明1)操作步骤(1)把振动A通道的COM、IN端子接线拆下,在端子上接上万用表和信号发生器。(2)调节号发生器输出波形(100HZ和-7V偏置正弦波)的幅度,使信号发生器的峰值分别为0V、0.75V、1.52V、2.31V、3.07V。(3)打开前面扳、测量相应的输出电流为4mA、8mA、12mA、16mA、20mA,如不对应,则调整电位器GA。(4)在通道校验单上填写相应的校验数据。(5)调整完成后恢复正常。2)技术要求(1)工具使用方法得当。(2)操作步骤正确。(3)校验符合要求。(4)符合安全规范。3)考试规定说明(1)如操作违章,将停止考试。(2)有专人监考,需要协助可口头向考评员说明。(3)按100分进行评分,然后按鉴定比重20%进行折算。2抽签号:________评分记录表姓名:__________性别:_____劳动合同号:___________单位____________________试题名称:本特利3300/16振动监测仪通道校验考试时间:40min序号考核项目评分要素配分评分标准检验结果扣分得分备注1准备工作必须穿戴劳动保护用品3未穿戴或穿戴不规范扣1—3分检查工具、材料是否准备齐全2未检查每项扣1分工具、材料使用正确2不正确每项扣1分开好作业票3没开作业票扣3分2校验接线正确10操作不正确每次扣2分校验步骤正确10不正确每项扣2分信号输入、面板显示和卡件输出一致15不一致每次扣5分校验方法正确10方法不正确扣10分操作不熟练每次扣2分恢复通道接线10未恢复接线扣5—10分恢复前面板10未恢复前面板扣5—10分3校验记录校验记录正确10不正确每处扣2分4清理现场作业完毕清理现场3不清理扣3分校验完成后现场恢复原状2现场未恢复原状扣2分5安全文明生产严格按操作规程操作从总分中扣除违反一项操作规程扣5分,严重的停止操作严格遵守环保要求在规定时间内完成操作每超1min扣5分,超过3min停止操作总计100考评员签字:年月日3二、BA002本特利3300系列振动探头校验1.准备要求1)场地准备(1)现场安全设施齐全、规范、无干扰。(2)振动探头完好,性能良好。(3)所需校验设备、前置器、延伸线等。(4)现场提供220VAC和24VDC电源。2)设备准备序号名称规格单位数量备注1本特利3300系列振动探头鉴定站指定台1能正常工作2校验设备鉴定站指定套1TK3—23信号线鉴定站指定3)工具考生自带4)测量技能说明本项目主要测量考生对本特利3300系列探头振动校验等的综合能力。2.操作要求及时限(1)必须穿戴劳动保护用品。(2)必...

1、当您付费下载文档后,您只拥有了使用权限,并不意味着购买了版权,文档只能用于自身使用,不得用于其他商业用途(如 [转卖]进行直接盈利或[编辑后售卖]进行间接盈利)。
2、本站所有内容均由合作方或网友上传,本站不对文档的完整性、权威性及其观点立场正确性做任何保证或承诺!文档内容仅供研究参考,付费前请自行鉴别。
3、如文档内容存在违规,或者侵犯商业秘密、侵犯著作权等,请点击“违规举报”。

碎片内容

仪表维修工技师技能操作试题解读

您可能关注的文档

确认删除?
VIP
微信客服
  • 扫码咨询
会员Q群
  • 会员专属群点击这里加入QQ群
客服邮箱
回到顶部