电脑桌面
添加小米粒文库到电脑桌面
安装后可以在桌面快捷访问

广东省高考化学一轮复习 课时跟踪检测(三十四)物质检验与性质探究、验证类实验-人教版高三全册化学试题VIP免费

广东省高考化学一轮复习 课时跟踪检测(三十四)物质检验与性质探究、验证类实验-人教版高三全册化学试题_第1页
1/6
广东省高考化学一轮复习 课时跟踪检测(三十四)物质检验与性质探究、验证类实验-人教版高三全册化学试题_第2页
2/6
广东省高考化学一轮复习 课时跟踪检测(三十四)物质检验与性质探究、验证类实验-人教版高三全册化学试题_第3页
3/6
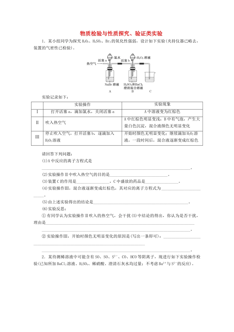
物质检验与性质探究、验证类实验1.某小组同学为探究H2O2、H2SO3、Br2的氧化性强弱,设计如下实验(夹持仪器已略去,装置的气密性已检验)。实验记录如下:实验操作实验现象Ⅰ打开活塞a,滴加氯水,关闭活塞aA中溶液变为红棕色Ⅱ吹入热空气A中红棕色明显变浅;B中有气泡,产生大量白色沉淀,混合液颜色无明显变化Ⅲ停止吹入空气,打开活塞b,逐滴加入H2O2溶液开始时颜色无明显变化;继续滴加H2O2溶液,一段时间后,混合液逐渐变成红棕色请回答下列问题:(1)A中反应的离子方程式是________________________________________________________________________。(2)实验操作Ⅱ中吹入热空气的目的是____________________________。(3)装置C的作用是________________,C中盛放的药品是________________。(4)实验操作Ⅲ,混合液逐渐变成红棕色,其对应的离子方程式为________________________。(5)由上述实验得出的结论是______________________________________________。(6)实验反思:①有同学认为实验操作Ⅱ吹入的热空气,会干扰(5)中结论的得出,你认为是否干扰,理由是________________________________________________________________________________________________________________________________________________。②实验操作Ⅲ,开始时颜色无明显变化的原因是(写出一条即可):________________________________________________________________________________________________________________________________________________。2.某待测稀溶液中可能含有SO、SO、S2-、CO、HCO等阴离子,现进行如下实验操作检验(已知所加BaCl2溶液、H2SO4、稀硝酸、澄清石灰水均过量;不考虑Ba2+与S2-的反应)。(1)沉淀C的化学式为________。(2)生成沉淀B的反应的离子方程式为_______________________________________________________________________________________________________________。(3)若气体A是单一气体,则其化学式为________;若气体A是混合气体,则其成分为________(填化学式)。(4)原待测液中是否含有CO、HCO?__________________________________________________________________________________________________________。(5)原待测液中是否含有SO、SO?_________________________________________________________________________________________________________________。3.(2014·四川高考)硫代硫酸钠是一种重要的化工产品。某兴趣小组拟制备硫代硫酸钠晶体(Na2S2O3·5H2O)。Ⅰ.[查阅资料](1)Na2S2O3·5H2O是无色透明晶体,易溶于水,其稀溶液与BaCl2溶液混合无沉淀生成。(2)向Na2CO3和Na2S混合溶液中通入SO2可制得Na2S2O3,所得产品常含有少量Na2SO3和Na2SO4。(3)Na2SO3易被氧化;BaSO3难溶于水,可溶于稀HCl。Ⅱ.[制备产品]实验装置如图所示(省略夹持装置):实验步骤:(1)检查装置气密性,按图示加入试剂。仪器a的名称是________;E中的试剂是________(选填下列字母编号)。A.稀H2SO4B.NaOH溶液C.饱和NaHSO3溶液(2)先向C中烧瓶加入Na2S和Na2CO3混合溶液,再向A中烧瓶滴加浓H2SO4。(3)待Na2S和Na2CO3完全消耗后,结束反应。过滤C中混合物,滤液经________(填写操作名称)、结晶、过滤、洗涤、干燥,得到产品。Ⅲ.[探究与反思](1)为验证产品中含有Na2SO3和Na2SO4,该小组设计了以下实验方案,请将方案补充完整(所需试剂从稀HNO3、稀H2SO4、稀HCl、蒸馏水中选择)取适量产品配成稀溶液,滴加足量BaCl2溶液,有白色沉淀生成,________,若沉淀未完全溶解,并有刺激性气味的气体产生,则可确定产品中含有Na2SO3和Na2SO4。(2)为减少装置C中生成Na2SO4的量,在不改变原有装置的基础上对实验步骤(2)进行了改进,改进后的操作是_________________________________________________________________________________________________________________________________。(3)Na2S2O3·5H2O的溶解度随温度升高显著增大,所得产品通过________方法提纯。4.某校化学兴趣小组为探究铁与浓硫酸反应,设计了图1、图2所示装置进行实验。(1)比较两实验装置,图2所示装置...

1、当您付费下载文档后,您只拥有了使用权限,并不意味着购买了版权,文档只能用于自身使用,不得用于其他商业用途(如 [转卖]进行直接盈利或[编辑后售卖]进行间接盈利)。
2、本站所有内容均由合作方或网友上传,本站不对文档的完整性、权威性及其观点立场正确性做任何保证或承诺!文档内容仅供研究参考,付费前请自行鉴别。
3、如文档内容存在违规,或者侵犯商业秘密、侵犯著作权等,请点击“违规举报”。

碎片内容

广东省高考化学一轮复习 课时跟踪检测(三十四)物质检验与性质探究、验证类实验-人教版高三全册化学试题

确认删除?
VIP
微信客服
  • 扫码咨询
会员Q群
  • 会员专属群点击这里加入QQ群
客服邮箱
回到顶部