电脑桌面
添加小米粒文库到电脑桌面
安装后可以在桌面快捷访问

2025年新版施工平面布置图VIP免费

2025年新版施工平面布置图_第1页
1/3
2025年新版施工平面布置图_第2页
2/3
2025年新版施工平面布置图_第3页
3/3
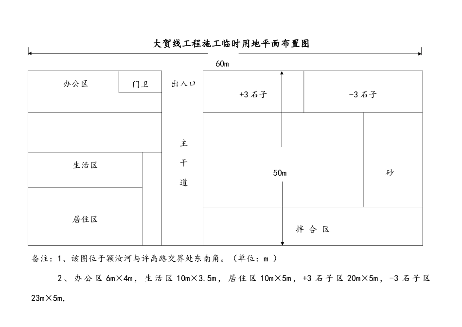
大贺线工程施工临时用地平面布置图60m办公区门卫出入口主干道+3石子-3石子50m砂生活区居住区拌合区备注:1、该图位于颖汝河与许禹路交界处东南角。(单位:m)2、办公区6m×4m,生活区10m×3.5m,居住区10m×5m,+3石子区20m×5m,-3石子区23m×5m,砂区10m×6m,拌合区35m×25m。

1、当您付费下载文档后,您只拥有了使用权限,并不意味着购买了版权,文档只能用于自身使用,不得用于其他商业用途(如 [转卖]进行直接盈利或[编辑后售卖]进行间接盈利)。
2、本站所有内容均由合作方或网友上传,本站不对文档的完整性、权威性及其观点立场正确性做任何保证或承诺!文档内容仅供研究参考,付费前请自行鉴别。
3、如文档内容存在违规,或者侵犯商业秘密、侵犯著作权等,请点击“违规举报”。

碎片内容

2025年新版施工平面布置图

静心书店+ 关注
实名认证
内容提供者

专注于各类考试试卷和真题。

相关文档

确认删除?
VIP
微信客服
  • 扫码咨询
会员Q群
  • 会员专属群点击这里加入QQ群
客服邮箱
回到顶部