电脑桌面
添加小米粒文库到电脑桌面
安装后可以在桌面快捷访问

2025年螺旋输送机安装工艺VIP免费

2025年螺旋输送机安装工艺_第1页
1/9
2025年螺旋输送机安装工艺_第2页
2/9
2025年螺旋输送机安装工艺_第3页
3/9
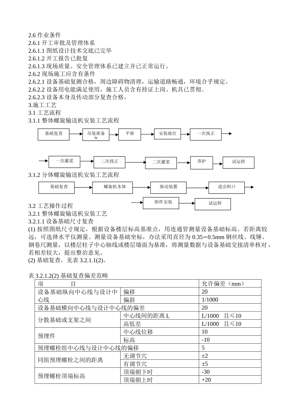
螺旋输送机安装工艺1.合用范畴本工艺合用于水平和倾斜角不大于20°,且输送非粘结散状物料、环境温度为-20~50℃、物料温度不大于200℃、输送长度不大于70m、公称直径为150mm~600mm的螺旋输送机的安装工程。2.施工准备2.1技术准备2.1.1施工技术资料2.1.1.1获得完整的设计文献和设备技术文献2.1.1.2进行图纸会审并形成统计2.1.1.3对其到货的螺旋输送机进行现场察看,阅读其安装阐明及试运转规定。2.1.1.4编制施工方案并获得监理单位(或其它对应权力部门)的同意,对施工班组进行技术交底。2.1.2有关原则规范2.1.2.1《持续输送设备安装工程施工及验收规范》GB502702.1.2.2《机械设备安装工程施工及验收通用规范》GB502312.1.2.3《现场设备、工业管道焊接工程施工及验收规范》GB502362.1.2.4《工业设备、管道防腐蚀工程施工及验收规范》HGJ2292.1.2.5《化工建设安装工程起重施工规范》HG12.1.2.6《化学工业工程建设交工技术规定》HG72.2作业人员2.2.1开工前对进场施工人员进行安装技术、安全、环保等有关方面的培训教育,做到熟悉螺旋输送机安装的有关原则、规范。2.2.2安装钳工、电工、电焊工、起重工等通过培训,并获得对应的资格证书,持证上岗。详见表2.2.2。表2.2重要作业人员表序号工种持证上岗规定备注1钳工2电工持证上岗3焊工持证上岗4起重工持证上岗2.3设备、材料的验收及保管2.3.1设备的检查验收:设备进场时,需建设、施工、制造、监理等有关单位参加,并按设备的名称、型号、规格、位号、数量清单逐个检查验收,作好设备验收统计,若检查验收不合格的设备不得进行安装。2.3.2设备的寄存、保管:对验收合格的设备,设立场地进行寄存,并加以保护,作好标记。2.3.3安装辅助材料的检查验收:对安装辅助材料如:垫铁、地脚螺栓、电焊条等按摄影应的原则规范、施工图纸规定进行检查验收,不合格不得使用。2.4重要施工机具吊车、叉车、手动运输车、倒链。吊车型号的选择应根据设备所处的位置高度及设备重量拟定。起重类特种机械必须通过本地技术监督局检查确认并颁发使用许可证,操作人员必须有上岗证。2.5施工测量及计量器具粉线、线锤、钢卷尺、钢盘尺、水准仪和经纬仪、百分表、压力表。2.6作业条件2.6.1开工审批及管理体系2.6.1.1图纸设计技术交底已完毕2.6.1.2开工报告已批复2.6.1.3现场质量、安全管理体系已建立并已正常运行。2.6.2现场施工应含有条件2.6.2.1设备基础复测合格,周边障碍物清理,运输道路畅通,环境合乎规定。2.6.2.2设备用电能满足使用,施工人员含有持证上岗、机具已贯彻。2.6.2.3设备本身及传动部分复查合格。3.施工工艺3.1工艺流程3.1.1整体螺旋输送机安装工艺流程3.1.2分体螺旋输送机安装工艺流程3.2工艺操作过程3.2.1整体螺旋输送机安装工艺3.2.1.1设备基础尺寸复查(1)按照图纸尺寸规定,根据设备楼层标高基准点,用连通管测量设备基础标高。若距离较远,可选择水平仪测量。测量设备基础坐标,办法采用直径为0.350.5mm∽钢丝线、线锤、钢卷尺测量,以楼层柱子中心轴线或楼层墙面为基准,将测量数据与设备基础交接清单核对,若相差较大,提出整治意见。(2)基础复查,见表3.2.1.1(2)。表3.2.1.2(2)基础复查偏差范畴项目允许偏差(mm)设备基础纵向中心线与设计中心线偏移20偏斜1/1000设备基础横向中心线与设计中心线的偏差20分散基础或支架之间中心线间的距离LL/1000且≤10高低差L/1000且≤10预埋件中心线位移10标高-10预埋螺栓组中心线与设计中心线的偏移5同组预埋螺栓之间的距离无调节穴±2有调节穴±5预埋螺栓顶端标高顶端朝下时-30顶端朝上时+20吊装准备备平移安装就位一次找正一次灌浆二次找正试运转二次灌浆基础复查养护基础复查螺旋机本体驱动装置进出料口试运转附件安装楼层地面标高+10-203.2.1.2吊装就位(1)将设备从设备堆放场用叉车或汽车运至设备所处位置附近地面,若设备位置是一层,则直接用叉车或汽车运至设备基础旁,也能够用叉车直接就位。(2)若设备基础位置较高,则采用吊车吊装,吊车型号应参考设备重量、设备安装位置的高度,吊装位置所处的回转半径进行选择。(3)若设备超重,位置超高,则另行编制吊装方案。3.2.1.3找正及灌浆(1)...

1、当您付费下载文档后,您只拥有了使用权限,并不意味着购买了版权,文档只能用于自身使用,不得用于其他商业用途(如 [转卖]进行直接盈利或[编辑后售卖]进行间接盈利)。
2、本站所有内容均由合作方或网友上传,本站不对文档的完整性、权威性及其观点立场正确性做任何保证或承诺!文档内容仅供研究参考,付费前请自行鉴别。
3、如文档内容存在违规,或者侵犯商业秘密、侵犯著作权等,请点击“违规举报”。

碎片内容

2025年螺旋输送机安装工艺

您可能关注的文档

读万卷书+ 关注
实名认证
内容提供者

各类经典PPT文档分享

确认删除?
VIP
微信客服
  • 扫码咨询
会员Q群
  • 会员专属群点击这里加入QQ群
客服邮箱
回到顶部