电脑桌面
添加小米粒文库到电脑桌面
安装后可以在桌面快捷访问

2025年喷射混凝土首件施工方案VIP专享VIP免费

2025年喷射混凝土首件施工方案_第1页
1/8
2025年喷射混凝土首件施工方案_第2页
2/8
2025年喷射混凝土首件施工方案_第3页
3/8
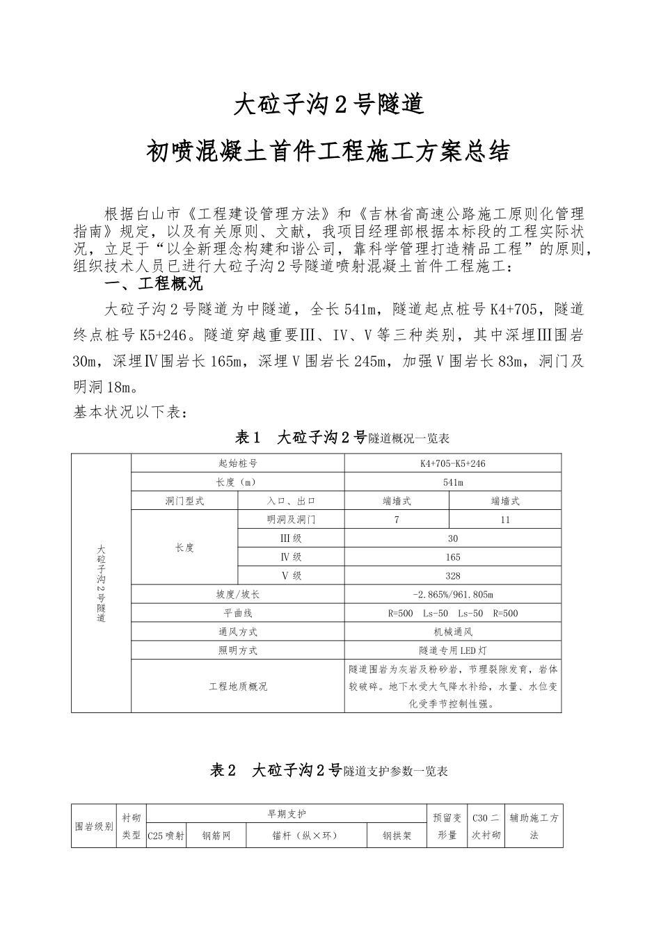
大砬子沟2号隧道初喷混凝土首件工程施工方案总结根据白山市《工程建设管理方法》和《吉林省高速公路施工原则化管理指南》规定,以及有关原则、文献,我项目经理部根据本标段的工程实际状况,立足于“以全新理念构建和谐公司,靠科学管理打造精品工程”的原则,组织技术人员已进行大砬子沟2号隧道喷射混凝土首件工程施工:一、工程概况大砬子沟2号隧道为中隧道,全长541m,隧道起点桩号K4+705,隧道终点桩号K5+246。隧道穿越重要Ⅲ、IV、V等三种类别,其中深埋Ⅲ围岩30m,深埋Ⅳ围岩长165m,深埋V围岩长245m,加强V围岩长83m,洞门及明洞18m。基本状况以下表:表1大砬子沟2号隧道概况一览表大砬子沟2号隧道起始桩号K4+705-K5+246长度(m)541m洞门型式入口、出口端墙式端墙式长度明洞及洞门711Ⅲ级30Ⅳ级165Ⅴ级328坡度/坡长-2.865%/961.805m平曲线R=500Ls-50Ls-50R=500通风方式机械通风照明方式隧道专用LED灯工程地质概况隧道围岩为灰岩及粉砂岩,节理裂隙发育,岩体较破碎。地下水受大气降水补给,水量、水位变化受季节控制性强。表2大砬子沟2号隧道支护参数一览表围岩级别衬砌类型早期支护预留变形量C30二次衬砌辅助施工方法C25喷射钢筋网锚杆(纵×环)钢拱架砼ⅢSM320cm拱部Φ825cm×25cm砂浆Φ22L=250cm120cm×120cmI14@150cm5cm35cm砼型钢钢架ⅣSM422cmΦ825cm×25cm砂浆Φ22L=250cm100cm×120cmI16@100cm7cm40cm砼型钢钢架配合Φ25超前锚杆ⅤJQ526cmΦ8双层20cm×20cmD25中空注浆锚杆L=300cm60cm×100cmI20a@60cm12cm50cm钢筋砼型钢钢架配合双层Φ42×3.5mm超前小导管SM524cmΦ820cm×20cmD25中空注浆锚杆L=300cm80cm×100cmI18a@80cm10cm45cm钢筋砼型钢钢架配合(双层)Φ42×3.5mm超前小导管二、重要工程量大砬子沟2号隧道K5+234.4-K5+235段一榀上台阶喷射C25混凝土:2.06m³三、具体位置(桩号)、工程部位、时间安排我标段准备以大砬子沟2号隧道K5+234.4-K5+235段一榀上台阶喷射混凝土为首件工程。项目部于6月12日已经完毕对上台阶喷射混凝土施工。四、现场组织管理机构1、人员配备我项目经理部组织了以骨干技术人员为主的现场组织管理机构:项目部隧道工程师孙晓刚和陈美玉担任现场施工技术负责人;项目部质检科长卢友胜担任现场质量负责人并兼任专职质检员;项目部安全员周立武担任现场专职安全员;项目部实验室主任李玉宝担任现场实验负责人;项目部实验员李军担任现场实验员;项目部测量工程师何彦雷任现场测量负责人;王超担任现场测量员;现场技术工人由林万隆等10名含有数年喷射混凝土施工经验的人员担任。五、机械设备数量配备及有关参数的拟定1、通过首件工程实施过程中得到所用机械设备和混凝土有关参数。2、喷射混凝土C25的坍落度宜控制在80~120mm。3、湿喷机喷嘴距岩面距离以80cm为宜,喷射机工作压力应控制在0.1~0.15MPa。4、喷嘴与岩面的角度,普通应垂直岩面。但在喷边墙时,宜将喷嘴与受喷面10°度左右。5、喷混凝土终凝2h后,应喷水养护,养护时间不少于7d;隧道内环境温度低于5℃时,不得喷水养护。六、施工准备1、检查水泥、砂、石、速凝剂、水的质量。砂、石均应过筛,并应事先冲洗干净。砂、石含水率应符合规定。2、检查断面净空尺寸,去除松动岩块和拱、墙脚处的石等杂物。3、用高压水冲洗受喷面,当受喷面遇水容易潮解、泥化时,采用高压风吹净岩面。4、设立控制喷射混凝土厚度的标志。5、检查机具设备和风、水、电等管线路,并试运转,确保作业区内含有良好通风和照明条件。6、当受喷面滴水、淋水、集中出水点时,应进行解决。七、质量检查、验收及实验检测仪器、办法、频率1、各道工序施工前上报监理工程师同意后方可施工,每道工序结束后均需按照《JTGF80/1-公路工程质量检查评定原则》进行质量检查、评定。2、中粗砂每200m3采用单质材料实验按照《JTGE042-公路工程集料实验规程》进行性能检测;多个规格碎石每200m3采用单质材料实验按照《JTGE042-公路工程集料实验规程》进行性能检测;水泥每200t采用水泥物理性质实验按照《JTGE30-水泥及水泥混凝土实验规程》进行性能检序号设备名称规格型号功率(kw)数量1混凝土喷射机自动上料斗7.512混...

1、当您付费下载文档后,您只拥有了使用权限,并不意味着购买了版权,文档只能用于自身使用,不得用于其他商业用途(如 [转卖]进行直接盈利或[编辑后售卖]进行间接盈利)。
2、本站所有内容均由合作方或网友上传,本站不对文档的完整性、权威性及其观点立场正确性做任何保证或承诺!文档内容仅供研究参考,付费前请自行鉴别。
3、如文档内容存在违规,或者侵犯商业秘密、侵犯著作权等,请点击“违规举报”。

碎片内容

2025年喷射混凝土首件施工方案

您可能关注的文档

确认删除?
VIP
微信客服
  • 扫码咨询
会员Q群
  • 会员专属群点击这里加入QQ群
客服邮箱
回到顶部