电脑桌面
添加小米粒文库到电脑桌面
安装后可以在桌面快捷访问

2025年桥梁湿接缝首件施工总结VIP免费

2025年桥梁湿接缝首件施工总结_第1页
1/11
2025年桥梁湿接缝首件施工总结_第2页
2/11
2025年桥梁湿接缝首件施工总结_第3页
3/11
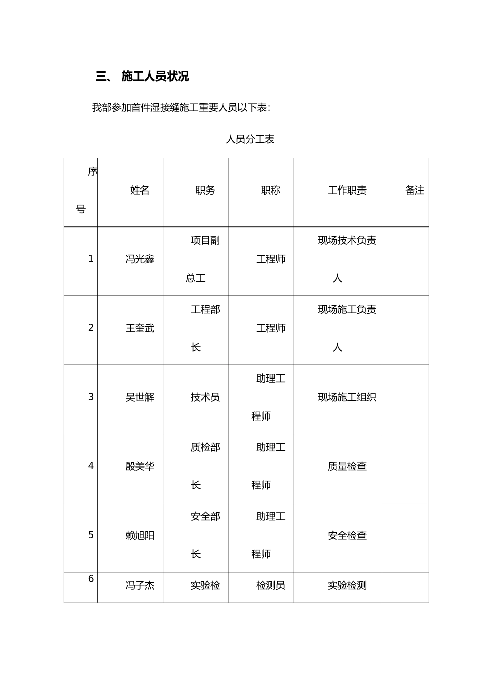
箱梁湿接缝首件工程施工总结一、编制根据1.广明高速公路延长线工程设计图纸。2.我国现行的公路工程施工技术规范及工程质量检查评定原则、安全规范等。3.本工程所在地的社会及自然环境等条件和现场踏勘调查所获得的有关资料。4.我公司现有的科研成果、先进施工办法和承建类似工程的施工经验。二、首件工程施工介绍我段首件湿接缝定为螺洞大桥右幅第一跨,桩中心里程桩号K88+875.5,共4条,每条长25m,宽度0.68m,厚度0.18m。C50混凝土理论方量12.2m³。施工前我部编制了湿接缝施工方案,在得到驻地办和总监办的批复后,通过细致的施工准备,严格按照有关技术规范和施工方案进行了首个湿接缝的施工,具体过程以下:6月1日:根据图纸对湿接缝钢筋进行下料、加工;6月2日~5日:绑扎、焊接湿接缝钢筋;6月7日:安装湿接缝模板;6月8日:浇筑湿接缝砼。湿接缝混凝土一次浇筑,砼设计坍落度为18cm~22cm,实测坍落度为19cm;砼罐车到桥头后,用斗车装料运输浇筑,砼的自由倾落高度保持在0.5m内距离,由于砼厚度总共为0.18m,因此一次性用振捣棒振捣到位,浇筑过程持续无间断。通过现场监理的监督和指导,在我项目部人员的共同努力下,于6月8日15:30~19:50分完毕了首个湿接缝的灌注施工。在施工过程中,技术人员全过程现场值班,做好了有关统计,做为总结报告的编制根据,在通过整顿分析后,可做为后来湿接缝施工的参考根据,成功达成了进行湿接缝首件施工的目的。三、施工人员状况我部参加首件湿接缝施工重要人员以下表:人员分工表序号姓名职务职称工作职责备注1冯光鑫项目副总工工程师现场技术负责人2王奎武工程部长工程师现场施工负责人3吴世解技术员助理工程师现场施工组织4殷美华质检部长助理工程师质量检查5赖旭阳安全部长助理工程师安全检查6冯子杰实验检检测员实验检测测员7陈文滔实验辅助工实验工辅助实验检测四、施工机械设备我部投入首件湿接缝施工的机械设备以下表:重要机械一览表序号名称型号单位数量1卷扬机300KG套22砼运输车9m³辆23拌合站HZS75套14插入式振捣器套2五、施工工艺总结5.1施工准备1.根据设计图纸,加工湿接缝所需的模板,模板采用黑色五合板木模板。2.熟悉施工图,认真做好图纸会审和技术交底工作。3.根据施工现场搭设临时设施,架设临时供电线路,建立施工排污系统,修建施工临时便道。5.2钢筋施工(1).钢筋制作钢筋制作在8#墩与9#墩之间通过硬化的钢筋场地内加工,钢筋根据设计图纸进行加工,湿接缝钢筋加工采用钢筋弯曲机弯曲。(2).钢筋安装湿接缝钢筋加工好半成品后,用卡车运至0#桥台桥头,再人工运至第一跨右幅桥面上进行绑扎焊接。钢筋焊接搭接长度为12cm。根据规定采用间隔焊接。即50%采用焊接,50%采用绑扎,绑扎和焊接不在同一截面上。湿接缝钢筋绑扎焊接5.3模板制作与安装模板采用五合板木模,在现场进行加工,每块模板6个安装固定点。一种卷扬机吊点。模板吊装采用300KG卷扬机进行吊装,螺杆外用PVC管套住,避免混凝土凝结固定住螺杆,以方便拆模。模板用蝴蝶扣固定加固。模板安装前,模板面必须涂刷脱模剂。以下图。模板形式入下图模板安装后以下图桥梁两侧设立临时安全防护护栏,护栏高1.2米,中间防护栏挂设安全网,确保在施工作业时的施工安全。5.4砼的质量控制(1)配合比的选定:C50砼配合比的选定由项目部自拌,并上报总监办实验室平行验证所拟定:水122kg:水泥490kg:砂753kg:16-31.5mm碎石1085kg:外加剂12.74kg。(2)砼的坍落度:湿接缝混凝土配合比设计坍落度为18cm~22cm,现场出机控制配合比为19cm左右,在现场温度为28℃的状况下,持续正常灌注速度的状况下,混凝土出机后至下最后一次料时再测同一罐车内的混凝土坍落度值为20cm,坍落度损失值约为1cm。5.6砼浇筑混凝土灌注过程中应注意下列几点:(1)湿接缝钢筋和模板经监理验收合格后,进行混凝土浇注。(2)砼浇筑前按设计规范绑扎焊接好钢筋,安装好模板,并经自检无误,经监理工程师确认合格后才浇注砼,砼振捣采用插入式震捣器振捣。(3)砼浇注前,对模板、钢筋和预埋件进行检查,并做好统计,符合设计规定后,才开始浇注;模板内的杂物、积水和钢筋上的污垢清理干净;...

1、当您付费下载文档后,您只拥有了使用权限,并不意味着购买了版权,文档只能用于自身使用,不得用于其他商业用途(如 [转卖]进行直接盈利或[编辑后售卖]进行间接盈利)。
2、本站所有内容均由合作方或网友上传,本站不对文档的完整性、权威性及其观点立场正确性做任何保证或承诺!文档内容仅供研究参考,付费前请自行鉴别。
3、如文档内容存在违规,或者侵犯商业秘密、侵犯著作权等,请点击“违规举报”。

碎片内容

2025年桥梁湿接缝首件施工总结

读万卷书+ 关注
实名认证
内容提供者

各类经典PPT文档分享

确认删除?
VIP
微信客服
  • 扫码咨询
会员Q群
  • 会员专属群点击这里加入QQ群
客服邮箱
回到顶部