电脑桌面
添加小米粒文库到电脑桌面
安装后可以在桌面快捷访问

2025年中级筑炉工模拟试题VIP免费

2025年中级筑炉工模拟试题_第1页
1/3
2025年中级筑炉工模拟试题_第2页
2/3
2025年中级筑炉工模拟试题_第3页
3/3
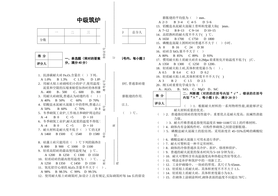
中级筑炉工一二三四总分总分人分数一、单选题(将对的答案前的字母填入括号内。每小题2分,满分40分)1.抗渗碳耐火砖Fe2O3含量在()下列。A1.0%B1.3%C1.5%D1.8%2.用耐火粘土砖砌咱们小的炉子,使用温度在()℃下列时,普通靠砖缝泥浆和空隙的压缩来赔偿加热时的体积膨胀。A、400B、500C、600D、8003.用耐火砖砌筑,普通认为砖缝约有()的厚度可起到有膨胀缝的作用.A40%B50%C60%D70%4.铝酸盐水泥耐火混凝土中的骨料,普通占总重量的()以上.A50%B60%C70%D80%5.冬季砌筑工业炉,工作地点和砌炉周边的温度均不得低于()℃。A-4B0C+5D+106.冬季砌筑工业炉,耐火泥浆的温度不得低于()℃。A-4B0C+5D+107.耐火材料是耐火度不低于()℃的无机非金属材料A1460B1500C1540D15808.硅藻土砖只能用在()℃下列的隔热部分。A800B900C1000D11009.轻质高铝砖的最高使用温度为()℃。A1200B1250C1300D155010.轻质硅砖的最高使用温度为()℃。。A1250B1350C1450D155011.氧化铝空心球的Al2O3含量不不大于()。A98%B98.5%C99%D99.5%12.使用耐火粘土砖砌筑时,如设计上没有规定,实际砌筑时每1m长的留设膨胀缝的平均值为()mm。A2~3B3~4C4~5D5~613.铝酸盐水泥耐火混凝土骨料粒度最大取()mm。A7~12B8~13C9~14D10~1514.高铝熟料的耐火度不不大于()℃。A1650B1700C1750D180015.磷酸盐混凝土困料时间普通不不大于()小时。A8B16C24D3016.硅砖含SiO2量不不大于()A80%B85%C89%D93%17.惯用耐火粘土质耐火砖在0.2Mpa荷重软化开始温度不低于()℃。A1350B1300C1250D1200。18.轻质耐火粘土砖,其体积密度最小为()。A0.5B0.4C0.3D0.219.轻质耐火粘土砖,其体积密度不不不大于()A3B2C1.5D2.520、刚玉砖重要化学成分为()A、Al2O3B、SiO2C、MgOD、SiC二、判断题(对的的在括号内划“√”,错误的在括号内划“×”。每小题1分,满分20分)()1.根据耐火材料的一系列物理性能,就能够评定耐火材料质量的优劣。()2.普通烧结镁砖的使用性能中,重要优点是耐火度高,抗碱性渣能力强。()3.耐火纤维普通是指使用温度在900~1100℃以上的纤维材料。()4.砌体内有金属构件时,应构件和砌体之间留设膨胀缝。()5.磷酸盐耐火混凝土的胶结剂,采用浓度在45~55%范畴的磷酸较好。()6.磷酸盐耐火混凝土可用水进行养护。()7.耐火可塑料是一种不定形材料。()8.砌体的冷修普通涉及冷炉、拆炉、修理和烘炉。()9.普通的耐火泥浆的保水时间为5~10分钟为宜。()10.耐火可塑料含有高温强度高和热稳定性好等优点。()11.喷涂是补炉和筑炉中的一项新工艺。()12.工业炉砌墙中,一块砖的厚度,其尺寸为65mm。()13.轻质粘土质耐火砖,其体积密度不不不大于1.5。()14.轻质粘土质耐火砖,其体积密度最小为0.3。()15.在砌体上涂刷涂料时,砌体表面的温度不应超出70℃。得分评分人得分评分人姓名单位座号准考证号身份证号---------------------------装-------------------------------------------订---------------------------------------------线-----------------------------------------------()16.耐火混凝土筑炉的办法是炉体整体浇捣成型。()17.荷重软化温度是指耐火制品在0.2Mpa压力下发生坍塌时的温度.。()18.耐火制品热稳定性是指高温下耐崩裂性和抗热震性。()19.抗渣性是指耐火制品在高温下抵抗炉渣、炉料等化学作用的性能。()20.所谓技术维护是指工业炉在使用过程中,为保持其完好状态或维持其工作能力而进行的各项工作。三、简答题(每小题5分,满分20分)1.加热炉和热解决炉砌筑质量对生产有哪些影响?2.熔炼炉重要涉及哪些种类?并阐明各类的用途.3.选用耐火材料重要参考哪些事项?4.耐火可塑料按骨料品种、按胶结剂种类、按硬化机理各分为哪几个?四、计算题(每小题10分,满分20分)1.TZ-3原则耐火粘土砖(230×114×65mm),每块砖3.5Kg,其开口气孔体积V1=402Cm3。求:每块砖的体积、体积密度及显气孔率。2.TZ-3原则耐火粘土砖,每块砖3.5Kg,每吨砖用耐火泥约80Kg,每立方米约用砖562块。现用此砖砌一道炉墙,体积为1.75m3,如果筑炉工每个工时砌砖20...

1、当您付费下载文档后,您只拥有了使用权限,并不意味着购买了版权,文档只能用于自身使用,不得用于其他商业用途(如 [转卖]进行直接盈利或[编辑后售卖]进行间接盈利)。
2、本站所有内容均由合作方或网友上传,本站不对文档的完整性、权威性及其观点立场正确性做任何保证或承诺!文档内容仅供研究参考,付费前请自行鉴别。
3、如文档内容存在违规,或者侵犯商业秘密、侵犯著作权等,请点击“违规举报”。

碎片内容

2025年中级筑炉工模拟试题

您可能关注的文档

确认删除?
VIP
微信客服
  • 扫码咨询
会员Q群
  • 会员专属群点击这里加入QQ群
客服邮箱
回到顶部