电脑桌面
添加小米粒文库到电脑桌面
安装后可以在桌面快捷访问

2025年元器件降额规范VIP免费

2025年元器件降额规范_第1页
1/9
2025年元器件降额规范_第2页
2/9
2025年元器件降额规范_第3页
3/9
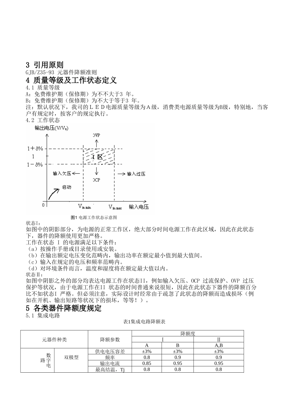
目录1目的....................................................................................22合用范畴................................................................................23引用原则.................................................................................24质量等级及工作状态定义..................................................................24.1质量等级...............................................................................24.2工作状态..............................................................................25各类器件降额度规定......................................................................35.1集成电路..............................................................................25.2分立半导体器件.........................................................................45.3固定电阻器、保险丝、热敏电阻..........................................................55.4电位器................................................................................55.5电容器.................................................................................65.6磁性器件...............................................................................75.7机电元件...............................................................................85.8连接器、电缆...........................................................................85.9电扇、PCB.............................................................................96应用阐明.................................................................................96.1半导体器件结温Tj拟定...................................................................9表目录表1集成电路降额表.................................................................3表2分立半导体降额表...............................................................4表3固定电阻降额表.................................................................5表4电位器降额表...................................................................5表5电容器降额表...................................................................6表6磁性器件降额表.................................................................7表7机电元件降额表.................................................................8表8连接器及电缆降额表.............................................................8图目录图1电源工作状态示意图...............................................................21目的为规范产品设计、验证过程中的对器件降额的规定,特制订本文献。2合用范畴本规范合用于我司产品设计中元器件的降额设计及作为元器件应力分析的鉴定根据。修订次修订内容修订日期制订审核核准A/0初次公布-5-13陈超A/1更新优化-5-173引用原则GJB/Z35-93元器件降额准则4质量等级及工作状态定义4.1质量等级A:免费维护期(保修期)为不不大于3年。B:免费维护期(保修期)为不大于等于3年。注:默认状况下,我司的LED电源质量等级为A级,消费类电源质量等级为B级,特别地,当客户有规定时,按客户的规定执行。4.2工作状态图1电源工作状态示意图状态I:如图中的阴影部分,为电源的正常工作区,绝大部分时间电源工作在此区域,因此在此状态下,器件的降额使用更加严格。工作在状态I的电源满足以下条件:(a)按操作手册或目录使用或安装。(b)在输出额定电压变化范畴内,输出功率在额定最小值到最大值间。(c)输入在规定的电压和频率范畴内。(d)对环境条件而言,温度和湿度将在额定最大值以内。状态Ⅱ:如图中阴影之外的部分均表达电源工作在状态II,例如输入欠压、OCP过流保护、OVP过压保护等状况,...

1、当您付费下载文档后,您只拥有了使用权限,并不意味着购买了版权,文档只能用于自身使用,不得用于其他商业用途(如 [转卖]进行直接盈利或[编辑后售卖]进行间接盈利)。
2、本站所有内容均由合作方或网友上传,本站不对文档的完整性、权威性及其观点立场正确性做任何保证或承诺!文档内容仅供研究参考,付费前请自行鉴别。
3、如文档内容存在违规,或者侵犯商业秘密、侵犯著作权等,请点击“违规举报”。

碎片内容

2025年元器件降额规范

您可能关注的文档

确认删除?
VIP
微信客服
  • 扫码咨询
会员Q群
  • 会员专属群点击这里加入QQ群
客服邮箱
回到顶部