电脑桌面
添加小米粒文库到电脑桌面
安装后可以在桌面快捷访问

2025年清单组价范本VIP免费

2025年清单组价范本_第1页
1/6
2025年清单组价范本_第2页
2/6
2025年清单组价范本_第3页
3/6
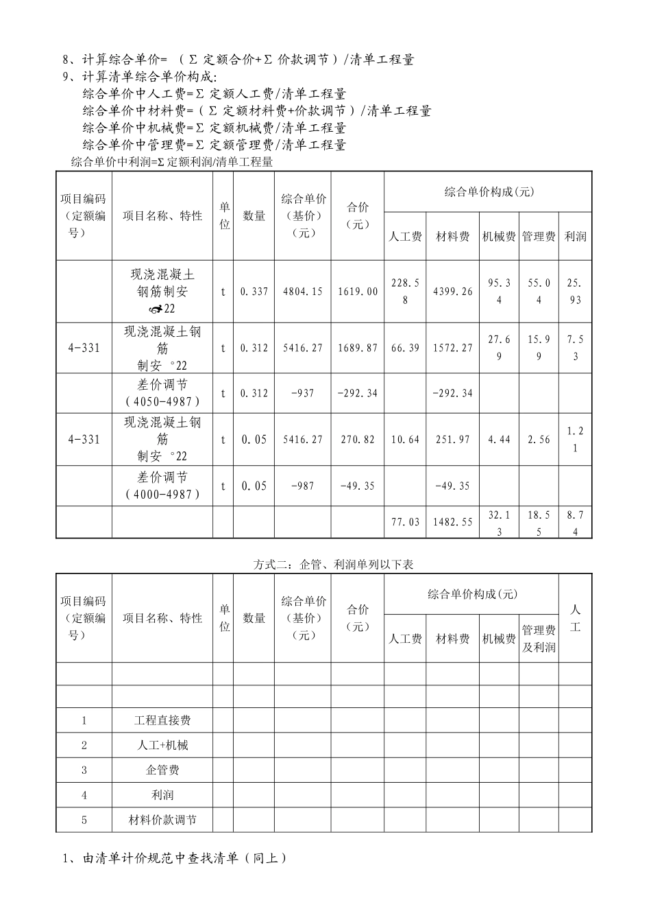
清单组价范本答题规定:按照二级开卷部分。一、清单表格构成1、工程项目总价表2、单位工程费汇总表3、分部分项工程量清单与计价表4、方法项目工程量清单与计价表5、其它项目清单与计价表6、重要材料设备表7、分部分项工程量清单综合单价分析表8、方法项目工程量清单综合单价分析表二、答题流程及范本一)填写分部分项工程量清单综合单价分析表(注:根据表格形式不同分析表计算流程不同,请根据具体表格形式选择对应计算方式)方式一:企管、利润未单列以下表项目编码(定额编号)项目名称、特性单位数量综合单价(基价)(元)合价(元)综合单价构成(元)人工费材料费机械费管理费利润1、由清单计价规范中查找清单,填写项目编码、名称、特性、单位、数量项目编码:清单编码+三位工程编码数量:为清单单位数量,注意清单与定额工程量计算的区别(钢筋清单量不包含搭接和损耗,土方清单工程量不包含工作面和放坡;整体踢脚线清单工程量扣除洞口面积;楼梯天棚抹灰清单工程量为实际抹灰面积等)2、根据清单项目特性选用定额计算定额基价定额选用后执行换算、消耗量调节、系数调节。(调节办法参见定额范本)由于清单综合单价中综合考虑了价款调节,因此材料价格不同时应当分别套用定额。3、计算定额综合单价综合单价=定额基价+(定额人工费+定额机械费)*(企管费费率+利润费率)定额基价为调节后基价;企管、利润费率参见取费本。(具体参见定额范本)4、计算定额合价=定额综合单价*定额工程量5、计算定额单价构成(注意:此处为合价中费用构成)计算定额合价中人工费、材料费、机械费、管理费、利润金额人工费=定额人工费*定额工程量;机械费=定额机械费*定额工程量材料费=定额材料费*定额工程量;管理费=定额(人工费+机械费)*费率*定额工程量利润=定额(人工费+机械费)*费率*定额工程量6计算价款调节价款调节=(材料市场单价-材料定额单价)*材料定额含量*定额工程量7、计算清单列合价=Σ定额合价+Σ价款调节8、计算综合单价=(Σ定额合价+Σ价款调节)/清单工程量9、计算清单综合单价构成:综合单价中人工费=Σ定额人工费/清单工程量综合单价中材料费=(Σ定额材料费+价款调节)/清单工程量综合单价中机械费=Σ定额机械费/清单工程量综合单价中管理费=Σ定额管理费/清单工程量综合单价中利润=Σ定额利润/清单工程量项目编码(定额编号)项目名称、特性单位数量综合单价(基价)(元)合价(元)综合单价构成(元)人工费材料费机械费管理费利润现浇混凝土钢筋制安22t0.3374804.151619.00228.584399.2695.3455.0425.934-331现浇混凝土钢筋制安22t0.3125416.271689.8766.391572.2727.6915.997.53差价调节(4050-4987)t0.312-937-292.34-292.344-331现浇混凝土钢筋制安22t0.055416.27270.8210.64251.974.442.561.21差价调节(4000-4987)t0.05-987-49.35-49.3577.031482.5532.1318.558.74方式二:企管、利润单列以下表项目编码(定额编号)项目名称、特性单位数量综合单价(基价)(元)合价(元)综合单价构成(元)人工人工费材料费机械费管理费及利润1工程直接费2人工+机械3企管费4利润5材料价款调节1、由清单计价规范中查找清单(同上)2、根据清单项目特性选用定额计算定额基价定额选用后执行换算、消耗量调节、系数调节。(调节办法参见定额范本)注意与方式一区别:方式二表格中已经分别列出企管与利润。方式一定额综合单价处计算的是定额综合单价(包含企管、利润)而方式二计算时计算的是定额基价。3、计算定额合价构成人工费=定额人工费*定额工程量;机械费=定额机械费*定额工程量材料费=定额材料费*定额工程量4、计算定额中人工工日=定额人工工日含量*定额工程量5、计算定额直接工程费=Σ定额合价6、计算直接工程费中Σ人工费+机械费7、计算企管、利润=(Σ人工费+机械费)*费率8、计算价款调节=(材料市场单价-材料定额单价)*材料定额含量*定额工程量9、计算累计=直接工程费+企管费+利润+价款调节10、计算清单综合单价构成综合单价中人工费=Σ定额人工费/清单工程量综合单价中材料费=(Σ定额材料费+价款调节)/清单工程量综合单价中机械费=Σ定额机械费/清单工...

1、当您付费下载文档后,您只拥有了使用权限,并不意味着购买了版权,文档只能用于自身使用,不得用于其他商业用途(如 [转卖]进行直接盈利或[编辑后售卖]进行间接盈利)。
2、本站所有内容均由合作方或网友上传,本站不对文档的完整性、权威性及其观点立场正确性做任何保证或承诺!文档内容仅供研究参考,付费前请自行鉴别。
3、如文档内容存在违规,或者侵犯商业秘密、侵犯著作权等,请点击“违规举报”。

碎片内容

2025年清单组价范本

您可能关注的文档

确认删除?
VIP
微信客服
  • 扫码咨询
会员Q群
  • 会员专属群点击这里加入QQ群
客服邮箱
回到顶部