电脑桌面
添加小米粒文库到电脑桌面
安装后可以在桌面快捷访问

2025年监理平行三检表格VIP免费

2025年监理平行三检表格_第1页
1/8
2025年监理平行三检表格_第2页
2/8
2025年监理平行三检表格_第3页
3/8
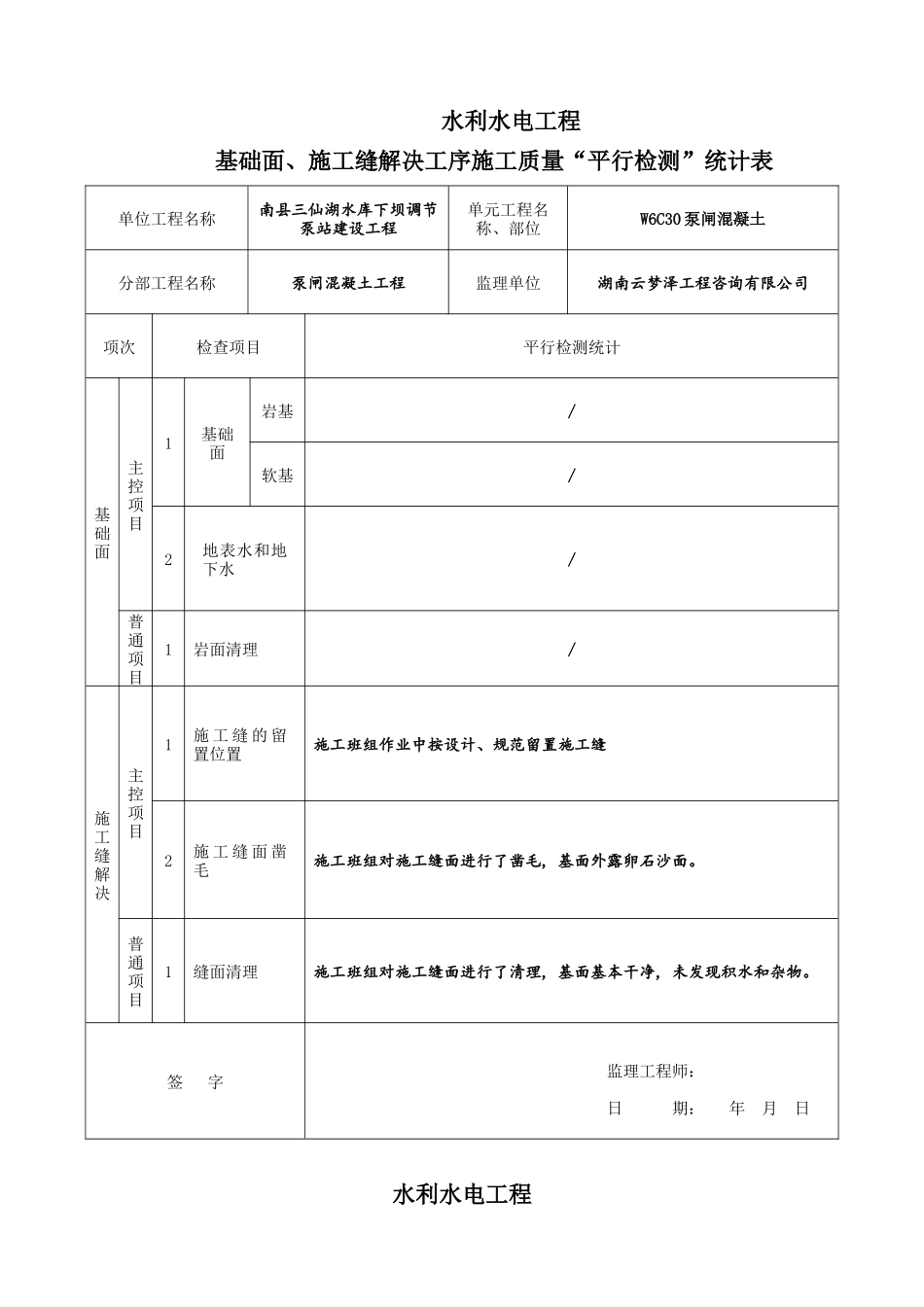
水利水电工程基础面、施工缝解决工序施工质量“平行检测”统计表单位工程名称南县三仙湖水库下坝调节泵站建设工程单元工程名称、部位W6C30泵闸混凝土分部工程名称泵闸混凝土工程监理单位湖南云梦泽工程咨询有限公司项次检查项目平行检测统计基础面主控项目1基础面岩基/软基/2地表水和地下水/普通项目1岩面清理/施工缝解决主控项目1施工缝的留置位置施工班组作业中按设计、规范留置施工缝2施工缝面凿毛施工班组对施工缝面进行了凿毛,基面外露卵石沙面。普通项目1缝面清理施工班组对施工缝面进行了清理,基面基本干净,未发现积水和杂物。签字监理工程师:日期:年月日水利水电工程模板制作及安装工序施工质量“平行检测”统计表单位工程名称南县三仙湖水库下坝调节泵站建设工程单元工程名称、部位W6C30泵闸混凝土分部工程名称泵闸混凝土工程监理单位湖南云梦泽工程咨询有限公司项次检查项目平行检测统计主控项目1稳定性、刚度和强度使用平面定型胶合模板0.9m*1.8m,满足混凝土施工荷载规定。2承重模板底面高程/3排架、梁板、柱、墙构造断面尺寸符合设计规定轴线位置2、2、4垂直度2、-2、34构造物边线与设计边线外露表面2、4、2隐蔽内面/5预留孔、洞尺寸及位置孔、洞尺寸2、5、8孔洞位置1、4、6普通项目1模板平整度、相邻两板面错台外露表面4、1、3隐蔽内面/2局部平整度外露表面4、3、1隐蔽内面/3板面缝隙外露表面/隐蔽内面/4构造物水平断面内部尺寸5、8、11、-6、10、75脱模剂涂刷己涂刷6模板外观符合设计规定签字监理工程师:日期:年月日水利水电工程钢筋制作及安装工序施工质量“平行检测”统计表单位工程名称南县三仙湖水库单元工程名C30混凝土下坝调节泵站建设工程称、部位分部工程名称泵闸混凝土工程监理单位湖南云梦泽工程咨询有限公司项次检查项目平行检测统计主控项目1钢筋的数量、规格尺寸、安装位置满足设计、质量原则2钢筋接头的力学性能施工班组钢筋接头作业,按设计规定进行绑扎。3焊接接头和焊缝外观/4.钢筋连接点焊及电弧焊帮条对焊接头中心/接头处钢筋轴线的波折/焊缝长度/高度/表面气孔夹渣/对焊及溶槽焊焊接接头根部未焊透深度Φ25~Φ4Omm钢筋/Φ40~Φ70mm钢筋/接头处钢筋中心线的位移/焊缝表面(长为2d)和焊缝截面上蜂窝、气孔、非金属杂质/绑扎连接缺扣、松扣绑扎牢固,检查65个点,无缺扣、松扣。弯钩朝向对的弯钩朝向,按图纸作业符合设计规定。搭接长度搭接长度,检查45个点,满足规定(钢筋直径的42倍)。续上表项次检查项目平行检测统计主控项目4.钢筋连接机械连接带肋钢筋冷挤压连接接头压痕处套筒外形尺寸/挤压道次/接头弯折/裂缝检查/直锥由螺纹连接接头丝头外观质量/套头外观质量/外露丝扣/螺纹匹配/5钢筋间距、保护层(200mm、50mm)普通项目1钢筋长度方向局部偏差±1/2净保护层厚(25mm)2同一排受力钢筋间距排架、梁、柱/板、墙/3双排钢筋,其排与排间距实测数据严控偏差±0.1倍排距(200mm)。4梁与柱中箍筋间距实测数据严控偏差±0.1倍箍筋间距。5保护层厚度实测数据严控局部偏差±1/4净保护层厚(50mm)。签字监理工程师:日期:年月日水利水电工程预埋件制作及安装工序施工质量“平行检测”统计表单位工程名称南县三仙湖水库下坝调节泵站建设工程单元工程名称、部位W6C30泵闸混凝土分部工程名称泵闸混凝土工程监理单位湖南云梦泽工程咨询有限公司项次检查项目平行检测统计止水片、止水带主控项目1片(带)外观表面平整,无浮皮、锈污、油渍、砂眼、钉孔、裂纹2基座/3片(带)插入深度/4沥青井(柱)/5接头符合设计规定普通项目1片(带)偏差宽4、3、2高2、1、1长/2搭接长度金属止水片/橡胶、PVC止水带/金属止水片与PVC止水带接头栓接长度/3片(带)中心线与接缝中心线安装偏差/伸缩缝(填充材料)主控项目1伸缩缝缝面/普通项目1涂敷沥青料/2粘贴沥青油毛毡/3铺设预制油毡板或其它闭缝板/续表2.1.4项次检查项目平行检测统计排水系统主控项目1孔口装置/2排水管畅通性/普通项目1排水孔倾斜度/2排水孔(管)位置/3基岩排水孔倾斜度孔深不不大于8m/孔深不大于8m/深度/冷却及灌浆管路主控项目1管路安装/普通项目1管路出口/铁件主控项目1高程、方位、埋入...

1、当您付费下载文档后,您只拥有了使用权限,并不意味着购买了版权,文档只能用于自身使用,不得用于其他商业用途(如 [转卖]进行直接盈利或[编辑后售卖]进行间接盈利)。
2、本站所有内容均由合作方或网友上传,本站不对文档的完整性、权威性及其观点立场正确性做任何保证或承诺!文档内容仅供研究参考,付费前请自行鉴别。
3、如文档内容存在违规,或者侵犯商业秘密、侵犯著作权等,请点击“违规举报”。

碎片内容

2025年监理平行三检表格

您可能关注的文档

确认删除?
VIP
微信客服
  • 扫码咨询
会员Q群
  • 会员专属群点击这里加入QQ群
客服邮箱
回到顶部