电脑桌面
添加小米粒文库到电脑桌面
安装后可以在桌面快捷访问

2025年建筑施工施工用电检查表VIP专享VIP免费

2025年建筑施工施工用电检查表_第1页
1/11
2025年建筑施工施工用电检查表_第2页
2/11
2025年建筑施工施工用电检查表_第3页
3/11
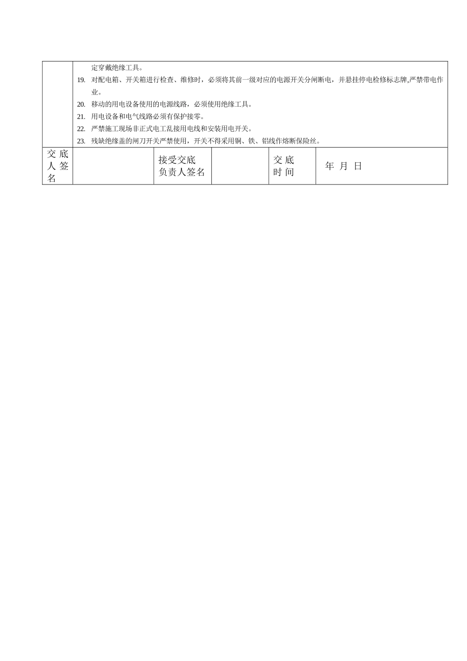
施工用电目录1、-------------------------------------现场临时用电电工操作安全技术交底2、-----------------------------------------------------施工现场临时用电验收表3、--------------------------------------------------------------接地电阻测验统计4、-----------------------------移动及手持移开工具定时绝缘电阻测验统计5、--------------------------------------------------------电工日常巡视维修统计6、-----------------------------------------------施工现场电器设备检查统计表7、--------------------------------------------------配电箱每旬专项检查统计表现场临时用电电工操作安全技术交底施工单位名称单位工程名称施工部位施工内容安全技术交底内容1.严格执行《施工现场临时用电安全技术规范》(JGJ46-88),按照施工用电组织设计架架设三相五线制的电气线路全部电线均应架空,过道或穿墙均要用钢管或胶套管保护,严禁运用大地作为工作零线。认真贯彻JGJ59-99《建筑施工安全检查原则》中临时用电规定。2.配电箱、开关箱内电气设备完好无缺。箱体下方进出线,开关箱应符合“一机一闸一漏一箱”的规定,门、锁完善,有防雨、防尘方法,箱内无杂物,箱前通道畅通,并应对电箱统一编号,刷上危险标志。保护零线(PE、绿/黄线)中间和末端必须重复接地,严禁与工作零线混接;产生振动的设备的重复接地不少于两处。3.临时用电施工组织设计和临时安全用电技术方法及电气防火方法,必须由电气工程技术人员编制,技术负责人审核,经主管部门同意后实施。4.安装、维修或拆除临时用电工程,必须由持证电工完毕,无证人员严禁上岗。电工等级应同工程的难易程度和技术复杂性相适应。5.使用设备必须按规定穿戴和配备好对应的劳动保护用品,并应检查电气装置和保护设施与否完好,严禁设备带病运转和进行运转中维修。6.停用的设备必须拉闸断电,锁好开关箱。负载线、保护零线和开关箱发现问题应及时报告解决。搬迁或移动的用电设备,必须由块业电工切断电源并作妥善解决。7.、按规范做好施工现场临时安全用电的安全技术档案。8.在建工程与外电线路的安全距离及外电防护和接地与防雷等应严格按规范执行。9.配电线路的架空线必须采用绝缘铜线和绝缘铝线。架空线必须设立在专用电杆上,严禁架设在树木或脚手架、龙门架或井字架上。10.空线的接头、相序排列、档距、线间距离及横担的垂直距离和横担的选择及规格,严格执行规范规定。11.动力配电箱与照明配电箱应分别设立,如合置在同一配电箱内,动力和照明线路应分路设立。12.开关箱应同末级配电箱配电,配电箱、开关箱制作所用的材料、箱的规格设立规定及安装技术应按规范执行。配电箱、开关箱最佳购合格的成品使用。13.配电箱、开关箱内的开关电器安装,绝缘规定和箱壳保护接零应按规范执行。14.每台用电设备应有各有自专用的开关箱,必须实施“一机一闸”制。严禁用同一种开关电器直接控制二台及二台以上用电设备。15.开关箱内必须装设漏电保护器,漏电保护器的选择应符合国标GB6829-86漏电保护器(剩余电流动作保护)的规定。漏电保护器的按装规定和额定漏电动作应符合规范规定。16.总配电箱和开关箱中两级漏电保护器的额定漏电动作时间作合理配合,使之含有分段保护的功效。17.手动开关电器只许用于直接控制照明电器和容量不不不大于5﹒5KW动力电路应采用自动开关电器或降压启动装置控制。多个开关电器的额定值与其控制用电设备的额定值相适应。18.全部配电箱、开关箱应由专人负责。应每月定时检修一次。检查、维修人员必须是专业电工,检查、维修时必须按规定穿戴绝缘工具。19.对配电箱、开关箱进行检查、维修时,必须将其前一级对应的电源开关分闸断电,并悬挂停电检修标志牌,严禁带电作业。20.移动的用电设备使用的电源线路,必须使用绝缘工具。21.用电设备和电气线路必须有保护接零。22.严禁施工现场非正式电工乱接用电线和安装用电开关。23.残缺绝缘盖的闸刀开关严禁使用,开关不得采用铜、铁、铝线作熔断保险丝。交底人签名接受交底负责人签名交底时间年月日施工现场临时用电验收表工程名称供电方式计划容量(...

1、当您付费下载文档后,您只拥有了使用权限,并不意味着购买了版权,文档只能用于自身使用,不得用于其他商业用途(如 [转卖]进行直接盈利或[编辑后售卖]进行间接盈利)。
2、本站所有内容均由合作方或网友上传,本站不对文档的完整性、权威性及其观点立场正确性做任何保证或承诺!文档内容仅供研究参考,付费前请自行鉴别。
3、如文档内容存在违规,或者侵犯商业秘密、侵犯著作权等,请点击“违规举报”。

碎片内容

2025年建筑施工施工用电检查表

您可能关注的文档

确认删除?
VIP
微信客服
  • 扫码咨询
会员Q群
  • 会员专属群点击这里加入QQ群
客服邮箱
回到顶部