电脑桌面
添加小米粒文库到电脑桌面
安装后可以在桌面快捷访问

2025年水泥砂浆楼地面施工工法VIP免费

2025年水泥砂浆楼地面施工工法_第1页
1/2
2025年水泥砂浆楼地面施工工法_第2页
2/2
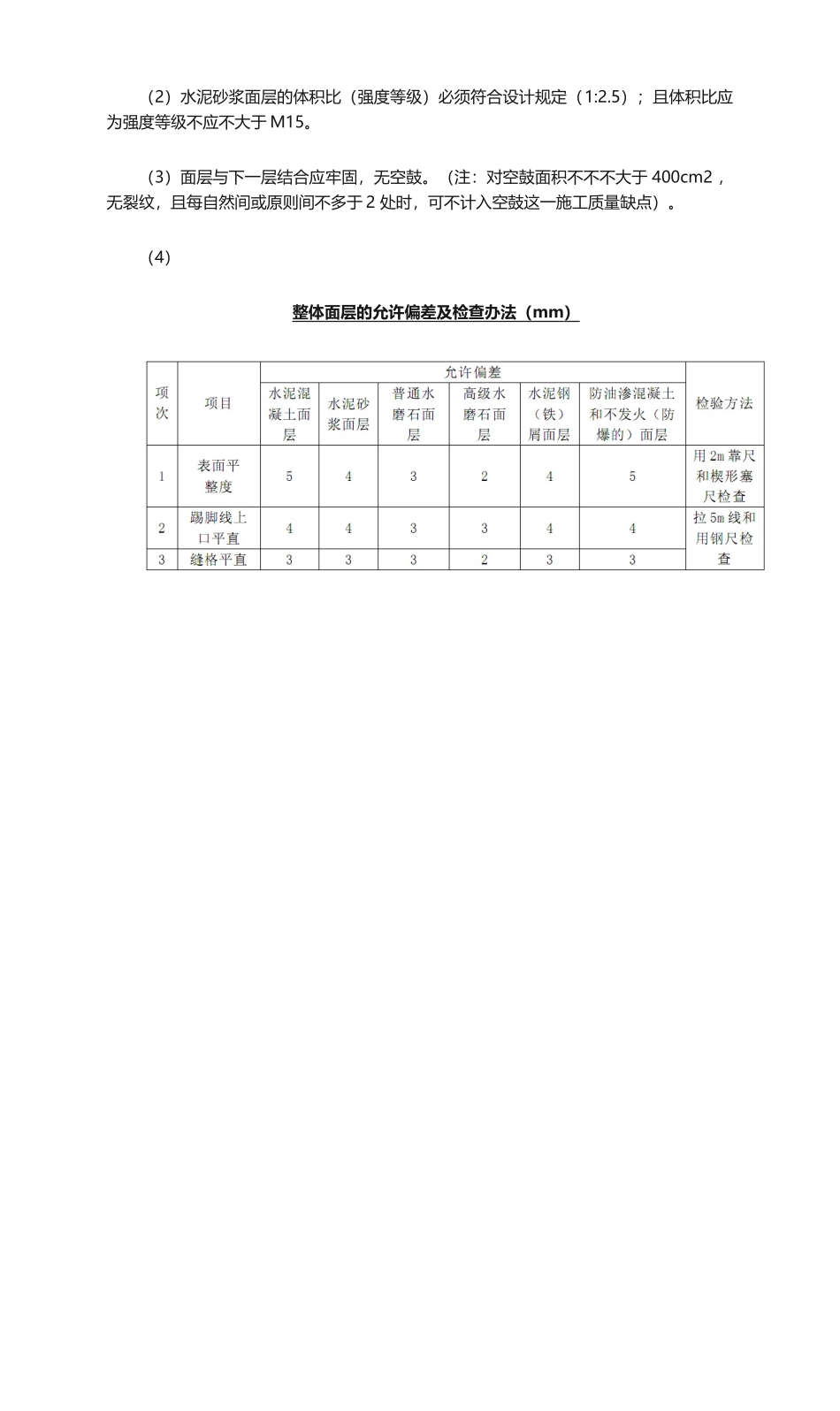
水泥砂浆楼地面施工工法1.工艺流程基层解决→找标高、弹线→洒水湿润→抹灰饼和标筋→搅拌砂浆→刷水泥浆结合层→铺水泥砂浆面层→木抹子搓平→铁抹子压第一遍→第二遍压光→第三遍压光→养护2.施工工法(1)、基层解决:将基层混凝土表面的杂物、硬块等清扫干净,并用水进行冲洗,确保基层密实、平整。待干燥后应在混凝土基层表面涂刷界面解决剂(普通为水泥浆,水灰比为0.4~0.5),方便基层与面层结合紧密。(2)、水泥砂浆宜采用机械搅拌,按配合比投料,计量要对的,严格控制加水量,搅拌时间不应不大于2min,拌合要均匀,颜色一致。水灰比宜控制在0.4,不得任意加水。(3)、摊铺水泥砂浆后,即进行振实。并做好面层的抹平和压光工作,但必须掌握好水泥砂浆在水泥初凝前完毕抹平、终凝前完毕压光。普通抹压三遍,先用木抹子扳实、刮平、搓平,再用钢皮抹子压头遍,等表面收水后随即压光,并检查平整度。待水泥砂浆开始凝结,即人踏上有脚印但不下陷时,用钢皮抹子压第二遍,规定不漏压,并将凹坑、砂眼处压平,当水泥砂浆凝结,即人踩上去稍有脚印而无抹子纹时,可用钢皮抹子压第三遍,并将第二遍留下的抹子纹压平、压实、压光。当采用地面抹光机压光时,在压第二、第三遍中,水泥砂浆的干硬度应比手工压光时稍干某些。(4)当水泥砂浆面层抹压时,其干湿度不适宜时,应采用方法:如表面稍干,宜淋水予以压光;如确因水灰比稍大,表面难于收水,可撒干拌的水泥和砂进行压光,其体积比为1:1(水泥:砂),砂需过3mm筛,但撒布时应均匀。(5)水泥砂浆面层如遇管线等出现局部面层厚度减薄处在10mm下列时,必须采用避免开裂方法,普通沿管线走向放置钢筋网片,或符合设计规定后方可铺设面层。(6)水泥砂浆面层铺设好并压光后24h,即应开始养护工作。普通采用满铺湿润材料覆盖,浇水养护,在常温下养护5~7d。夏季时24h后养护5d;春秋季节48h后需养护7d,使其在湿润条件下硬化。养护要适时,浇水过早面层易起皮;浇水过晚又不用湿润材料覆盖,面层易造成裂缝或起砂。(7)水泥砂浆面层完毕后,应注意成品保护工作。避免面层碰撞和表面玷污,影响美观和使用。3、质量验收原则(1)水泥采用硅酸盐水泥、普通硅酸盐水泥,其强度等级不应不大于32.5,不同品种、不同强度等级的水泥严禁混用;砂应为中粗砂,当采用石屑时,其粒径应为1~5mm,且含泥量不应不不大于3%。(2)水泥砂浆面层的体积比(强度等级)必须符合设计规定(1:2.5);且体积比应为强度等级不应不大于M15。(3)面层与下一层结合应牢固,无空鼓。(注:对空鼓面积不不不大于400cm2,无裂纹,且每自然间或原则间不多于2处时,可不计入空鼓这一施工质量缺点)。(4)整体面层的允许偏差及检查办法(mm)

1、当您付费下载文档后,您只拥有了使用权限,并不意味着购买了版权,文档只能用于自身使用,不得用于其他商业用途(如 [转卖]进行直接盈利或[编辑后售卖]进行间接盈利)。
2、本站所有内容均由合作方或网友上传,本站不对文档的完整性、权威性及其观点立场正确性做任何保证或承诺!文档内容仅供研究参考,付费前请自行鉴别。
3、如文档内容存在违规,或者侵犯商业秘密、侵犯著作权等,请点击“违规举报”。

碎片内容

2025年水泥砂浆楼地面施工工法

您可能关注的文档

确认删除?
VIP
微信客服
  • 扫码咨询
会员Q群
  • 会员专属群点击这里加入QQ群
客服邮箱
回到顶部