电脑桌面
添加小米粒文库到电脑桌面
安装后可以在桌面快捷访问

2025年桥台扩大基础施工方案VIP专享VIP免费

2025年桥台扩大基础施工方案_第1页
1/8
2025年桥台扩大基础施工方案_第2页
2/8
2025年桥台扩大基础施工方案_第3页
3/8
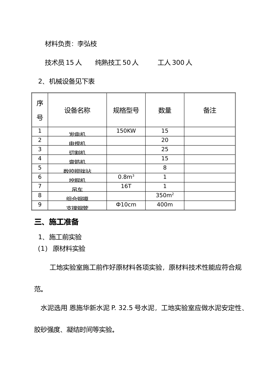
桥台扩大基础施工技术方案一、工程概况本项目第26合同段位于K163+950~K178+140段全长14.258公里。该区地貌多属岩溶石芽、构造剥蚀低中山单元。在桥台处岩溶不甚发育,基础稳定性较好的桥台构造,设计采用扩大基础构造。二、施工组织1、人员安排桥台扩大基础施工任务由我部桥梁施工队完毕,各工区重要技术负责人以下:第一工区:雒志勇第二工区:范成云第三工区:周军辉实验负责:黄金涛安全负责:刘让平材料负责:李弘枝技术员15人纯熟技工50人工人300人2、机械设备见下表序号设备名称规格型号数量备注1发电机150KW152电焊机203切割机254弯筋机155数控搅拌站86挖掘机0.8m317吊车16T18组合钢摸350m29支撑钢管Ф10cm400m三、施工准备1、施工前实验(1)原材料实验工地实验室施工前作好原材料各项实验,原材料技术性能应符合规范。水泥选用恩施华新水泥P.32.5号水泥,工地实验室应做水泥安定性、胶砂强度、凝结时间等实验。碎石选用红岩福刚石料场(5-31.5)并做筛分、含泥量、针片状含量、压碎值等实验。砂选用确山红岩福刚石料场机制中砂,并做筛分、含泥量及容重等实验。原材料各项重要技术指标及检测见下表。材料项目规定值及允许偏差检测频率砂子颗粒分析应符合下列级配规定每料源一次筛子尺寸(mm)0-160.3151.255累计筛余(%)90-10070-9520-550-10容重>1550kg/m3同上含泥量<3%同上压碎值<35%同上SO2含量<1%同上轻物质含量<1%同上颗粒分析应符合下列级配规定每100M3实验一次,每一品种不同配合比最少实验筛子尺寸(mm)5102040一次,有怀疑时随时取样.累计筛余(%)95-10075-9030-150-5含泥量<1%压碎值≤12%每料源,有怀疑时随时取样针片状含量<10%注:检测规定见《桥涵施工技术规范》及《质量检查评定原则》六、质量控制及检测工程种类检测项目技术规定及允许偏差检测办法及频率基坑基底标高+50mm,-200mm基础施工前水准仪测一次轴线偏位<15mm基础施工前经纬仪纵横两点模板表面平整度<5mm2米直尺每套模板查5点轴线偏位±15mm经纬仪纵横向各测2点模内尺寸±30mm从轴线基础丈量纵横向测两点相邻板面高差<2mm直尺每套模板查5点平面位置30mm支点跨中标高±15mm尺量抽查结构物砼断面尺寸±50mm尺量和水准仪随时检查顶面标高±50mm轴线偏位25mm七、安全方法1、建立健全安全确保体系,成立以项目部经理为组长,各施工队队长为组员的安全领导小组,各施工队设立专职安全员。2、建立严格的安检制度,施工中对脚手架,安全网,起重设备安全装置等进行检查。3、树立安全第一的思想,加强日常安全检查活动,发现安全隐患及时告知施工队,并限期改正。八、质保方法2、强化质量意识,树立质量至上思想。3、成立质检机构,质检机构不受行政干预,严格执行质量否决制度。4、严格工序管理,每道工序竣工后,均进行质量自检、互检交接检,发现问题及时解决。5、每道工序竣工后,均报工程师验收,合格承认后方可进行下一工序施工。九、环保方法本工程处在旅游区内,因而环保工作显得犹为重要。在本工程施工中我们将会始终坚持环保和生产并举的原则,建立环保责任制度,采用切实方法,避免生产建设过程中的废水、废渣、粉尘等污染环境,产生公害。我们采用以下方法:1.避免破坏农田排灌系统,在施工过程中,一旦与农田排灌和城乡排水系统产生矛盾时,首先征得本地政府意见,协商解决方法,待工程结束后清理恢复。2.工地生活污水和垃圾解决妥当,使其符合本地环保规定。3.在集镇和村庄附近尽量减少噪音,拌和场地选择尽量远离居民点,必要时将噪声较大的施工机械避开夜间作业。4.施工期间不随意挤占、堵塞河道。扩大基础施工工艺流程图基坑放样测量检查验收基坑开挖基础放样搭设脚手架浇筑砼支立模板砼养护、拆模及脚手架质量验收材料进场检查检查验收检查验收

1、当您付费下载文档后,您只拥有了使用权限,并不意味着购买了版权,文档只能用于自身使用,不得用于其他商业用途(如 [转卖]进行直接盈利或[编辑后售卖]进行间接盈利)。
2、本站所有内容均由合作方或网友上传,本站不对文档的完整性、权威性及其观点立场正确性做任何保证或承诺!文档内容仅供研究参考,付费前请自行鉴别。
3、如文档内容存在违规,或者侵犯商业秘密、侵犯著作权等,请点击“违规举报”。

碎片内容

2025年桥台扩大基础施工方案

您可能关注的文档

读万卷书+ 关注
实名认证
内容提供者

各类经典PPT文档分享

确认删除?
VIP
微信客服
  • 扫码咨询
会员Q群
  • 会员专属群点击这里加入QQ群
客服邮箱
回到顶部