电脑桌面
添加小米粒文库到电脑桌面
安装后可以在桌面快捷访问

2025年路缘石专项施工和方案VIP专享VIP免费

2025年路缘石专项施工和方案_第1页
1/9
2025年路缘石专项施工和方案_第2页
2/9
2025年路缘石专项施工和方案_第3页
3/9
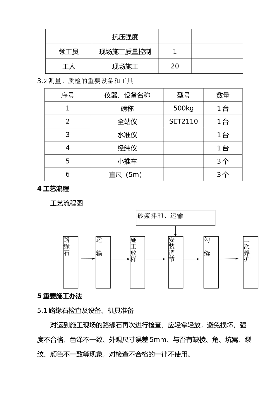
1工程概况三元桥坐落于三环路东北角,是北三环路与首都机场高速公路及京顺路三条道路的立体交叉,为非机动车道和机动车道混行的苜蓿叶形互通式立交。整座立交总占地面积26万平方米。三元桥于1984年建成通车,至今已运行28年,由于日益增加的交通需求,三元桥(跨机场路桥)桥面交通组织变更,桥面宽度仍为44.8米,将两侧人行步道变窄,拆除快车道与慢车道间的1.5米分隔带,将原机动车道、非机动车道拆除,原机动、非机动车道合为一体,以达成道路拓宽的目的。桥面横断面的交通组织宽度分派为:0.4米(装饰护栏)+2米(人行步道)+20米(快车道)+1.0米(分隔带)+19.8米(快车道)+1.2米(人行步道)+0.4米(装饰护栏),桥面布置双向十车道。2路缘石状况本次大修只对三元桥(跨机场路桥)及三元桥区道路上破损缘石进行更换。3施工人员配备及测量、质检的设备和工具3.1重要施工人员职务工作范畴人数备注生产副经理总体协调1项目总工控制施工中技术要点1质检人员现场质量控制1实验人员水泥剂量、水灰比、1抗压强度领工员现场施工质量控制1工人现场施工203.2测量、质检的重要设备和工具序号仪器、设备名称型号数量1磅称500kg1台2全站仪SET21101台3水准仪1台4经纬仪1台5小推车3个6直尺(5m)3个4工艺流程工艺流程图5重要施工办法5.1路缘石检查及设备、机具准备对运到施工现场的路缘石再次进行检查,应轻拿轻放,避免损坏,强度不合格、色泽不一致、外观尺寸误差5mm、与否有缺棱、角、坑窝、裂纹、颜色不一致等现象,对检查不合格的一律不使用。路缘石砂浆拌和、运输运输施工放样安装调节勾缝二次养护施工所需设备有打磨机、吹风机、空压机、发电机、切割机等。5.2测量放样路缘石安装前,应校核道路中线,对于破损长度长的地段(破损长度不不大于20米),测设路缘石安装边桩和高程控制桩,直线段桩距为10m,曲线段不不不大于5m,路口为1~5m。按照设计高程进行控制测量。对于破损长度短的地段(破损长度不大于20米),采用在原路缘石上挂小线,高程接顺原路缘石的办法控制高程。5.3路缘石运输⑴路缘石的运输,规定厂方对路缘石块与块、层与层之间安设夹板,并且进行四角包装,确保路缘石的完好。⑵路缘石在经业主及监理批复的厂方进行加工制造。路缘石出厂时必须检查合格。运到施工现场后,材料质检员按规范对其构件进行查收检查,及时抽样送检和见证取样,并有质量合格证和质量检查报告。⑶第一次运输,由加工厂用叉车装车,汽车运到现场人行步道的两树池间寄存,并设安全提示标记。⑷第二次运输安装前,使用小型叉车运到安装地点间隔码放,随使用随运输。安装后,剩余的路缘石及时运回人行步道指定地点,并用绿网苫盖设安全提示标记。⑸路缘石在运输过程中,确保不碰撞轻拿轻放,避免损坏。运到施工现场的路缘石要及时安装。⑹异型缘石加工前,应根据设计图纸上标注的各路口圆弧半径数值与现场实际进行比对,如有误差及时告知设计人员进行修改、复核后,统一归纳编号后提供应生产厂家,厂家据此加工。5.4路缘石安装(1)旧路缘石拆除:路缘石随拆随装车进行外弃。(2)砂浆垫层和勾缝砂浆严格按实验室给的配比进行拌和,勾缝砂浆采用细砂。1:5水泥砂浆卧底,配比控制,现场设磅秤,按每袋水泥重量,称砂石水的重量,砂石水各设原则桶计量。(3)统一采用坐浆法施工,垫层砂浆厚2cm,不允许污染路缘石和路面。人工按放线位置安装路缘石。安装前,基础要先清理干净,并保持湿润。安装时,先用线绳控制路缘石的直顺度,再用水平尺进行检查,安装合格后及时采用C15豆石混凝土进行后背浇筑和水泥砂浆勾缝。路缘石砌筑应平顺,相邻混凝土路缘石缝用8mm厚铁板或塑料板控制,相邻路缘石的缝隙应均匀一致,路缘石与路面无缝隙、不漏水。(4)路缘石缝宽为8~10mm,应采用凹缝解决。(5)事先计算好每段路口路缘石块数,砌筑时,路段短时由一侧路口切点安砌到另一侧路口切点;路段长时,由中间向两端铺砌与路口异型缘石接顺。路口缘石按等高线坡化控制。(6)路口、隔离带端部等曲线段路缘石,宜按设计弧形加工预制,单块长度宜为50cm。尽量不使用小原则块进行拼接。路缘石的安装速度满足现场施工的需要,必...

1、当您付费下载文档后,您只拥有了使用权限,并不意味着购买了版权,文档只能用于自身使用,不得用于其他商业用途(如 [转卖]进行直接盈利或[编辑后售卖]进行间接盈利)。
2、本站所有内容均由合作方或网友上传,本站不对文档的完整性、权威性及其观点立场正确性做任何保证或承诺!文档内容仅供研究参考,付费前请自行鉴别。
3、如文档内容存在违规,或者侵犯商业秘密、侵犯著作权等,请点击“违规举报”。

碎片内容

2025年路缘石专项施工和方案

您可能关注的文档

确认删除?
VIP
微信客服
  • 扫码咨询
会员Q群
  • 会员专属群点击这里加入QQ群
客服邮箱
回到顶部