电脑桌面
添加小米粒文库到电脑桌面
安装后可以在桌面快捷访问

2025年自动冲洗平台VIP专享VIP免费

2025年自动冲洗平台_第1页
1/6
2025年自动冲洗平台_第2页
2/6
2025年自动冲洗平台_第3页
3/6
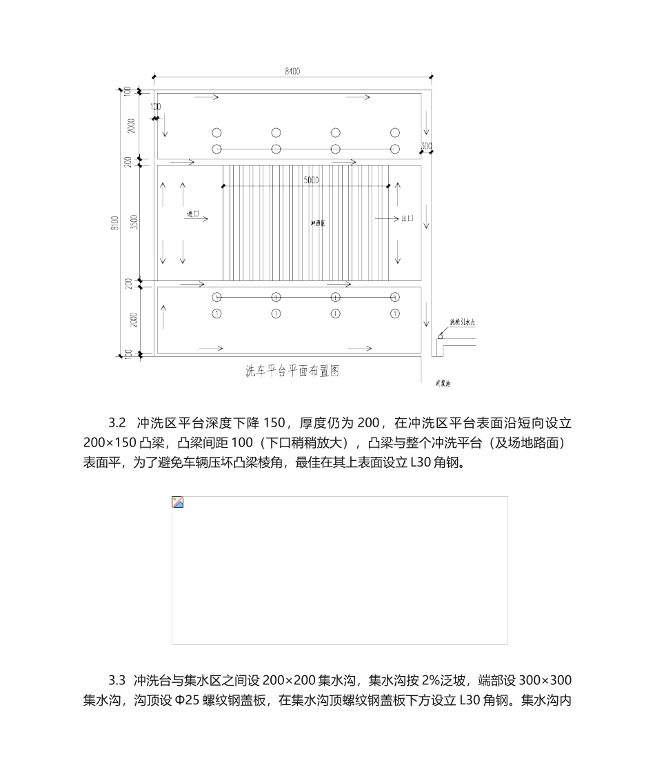
施工现场循环水自动冲洗平台系统1、设立目的为了确保驶出施工现场的车辆整洁干净,不污染市政道路,兑现文明施工承诺,在施工现场大门口设立洗车平台,对车辆轮胎、底盘及车厢外侧进行冲洗,冲洗干净一辆放行一辆。同时,对车辆冲洗后的水经多级沉淀池后来再次用于车辆冲洗,形成用水循环,以达成节省水资源、减轻都市污水管网负荷、保护环境的目的。2、系统设立洗车台由冲洗平台、自动冲洗系统、循环沉淀池构成。3、冲洗台设立3.1冲洗平台由200厚混凝土浇筑而成,混凝土强度等级C20以上。洗车台平面尺寸3500×8100,冲西区3500×5000,洗车台两侧设宽集水区(设集水口),总尺寸为8100×8500。3.2冲洗区平台深度下降150,厚度仍为200,在冲洗区平台表面沿短向设立200×150凸梁,凸梁间距100(下口稍稍放大),凸梁与整个冲洗平台(及场地路面)表面平,为了避免车辆压坏凸梁棱角,最佳在其上表面设立L30角钢。3.3冲洗台与集水区之间设200×200集水沟,集水沟按2%泛坡,端部设300×300集水沟,沟顶设Φ25螺纹钢盖板,在集水沟顶螺纹钢盖板下方设立L30角钢。集水沟内积水最后排入设于洗车台附近的沉淀池中。3.4冲洗平台外沿除集水沟以外的另外三侧设R50半圆明沟,明沟最高点深度50,按2%向集水沟泛坡。4、自动冲洗系统设立4.1冲洗区平台混凝土浇筑前,在凸梁间隙处预设喷淋管,喷淋管为DN15热镀锌钢管,在钢管上按下页图所示尺寸钻孔,使之形成喷淋头,喷淋头孔径Ø1.3mm。钢管安装时,孔位与地面成60°夹角,方向朝施工场地内车辆进入洗车台一侧。喷淋管以冲洗区中心线为对称轴对称设立。喷淋管端干管管径DN32,喷淋供水总管管径DN50。4.2供水系统分两路。4.2.1一路提供应自动冲洗区,作为车辆轮胎及车厢底盘冲洗用水,由5台水泵构成。其中2台水泵(4号水泵、5号水泵,功率3KW,流量12M3/h)并联负责从沉淀池的清水池中吸水并初级加压,3台水泵(1号水泵、2号水泵、3号水泵,功率4KW,流量6M3/h)并联同时与前2台水泵串联,负责将经初级加压的冲洗用水增压至0.6MPa以上用于车辆冲洗。该路系统运行/停止由冲洗管理人员遥控控制。4.2.1另一路提供应高压水枪,作为车厢侧壁冲洗用水。由1台水泵(6号水泵,功率4KW,流量6M3/h)一种气压罐联接构成。气压罐压力范畴0.6~1.1MPa,水泵启/闭由电接点压力表自动控制,当气压罐压力低于0.6MPa时,水泵自动启动,当气压罐压力高于1.1MPa时,水泵自动停止。本路水源由市政供水管网直接供应。4.2.3市政管网供水同时也提供3台冲洗增压泵水源,当沉淀池无水或水量过小时,人工手动启动联接阀门,由市政管网供水,当沉淀池水量充足时,人工手动关闭联接阀门,停止管网供水,车辆冲洗运用沉淀池循环水。5、沉淀池设立5.1沉淀池设于自动冲洗台附近不当路的地方,池底为100厚C20素混凝土板,池壁为砖砌体,池顶为钢板盖板,为了确保盖板有足够的刚度,在钢板下方衬L40×4角钢加强。5.2沉淀池最少为4级,前三级池身相对较小些,用于沉淀积於,后一级池为清水池,面积相对较大,在池内安设水泵(4、5号水泵),作为循环冲洗的水源。清水池末端设立溢水口,多出5.3沉淀池内积於需及时清理。注:本文中冲洗系统的水泵是运用以前其它项目的旧水泵,故水泵数量较多,功率较小,新设系统时,能够适宜增加水泵功率,减少水泵数量。

1、当您付费下载文档后,您只拥有了使用权限,并不意味着购买了版权,文档只能用于自身使用,不得用于其他商业用途(如 [转卖]进行直接盈利或[编辑后售卖]进行间接盈利)。
2、本站所有内容均由合作方或网友上传,本站不对文档的完整性、权威性及其观点立场正确性做任何保证或承诺!文档内容仅供研究参考,付费前请自行鉴别。
3、如文档内容存在违规,或者侵犯商业秘密、侵犯著作权等,请点击“违规举报”。

碎片内容

2025年自动冲洗平台

您可能关注的文档

读万卷书+ 关注
实名认证
内容提供者

各类经典PPT文档分享

确认删除?
VIP
微信客服
  • 扫码咨询
会员Q群
  • 会员专属群点击这里加入QQ群
客服邮箱
回到顶部