电脑桌面
添加小米粒文库到电脑桌面
安装后可以在桌面快捷访问

2025年石材技术交底VIP免费

2025年石材技术交底_第1页
1/7
2025年石材技术交底_第2页
2/7
2025年石材技术交底_第3页
3/7
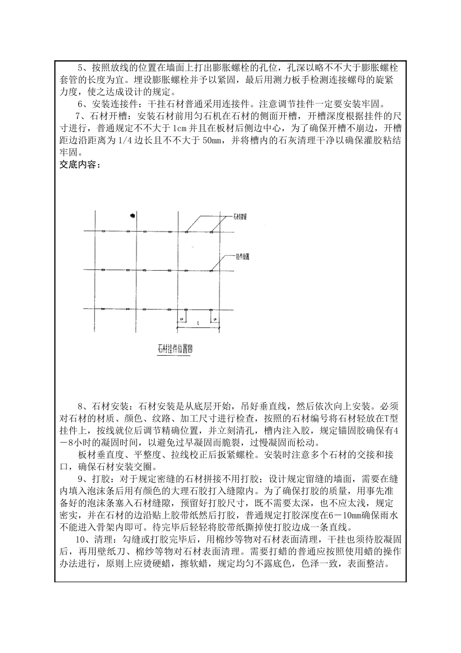
外挂石材技术交底月日交底内容:一、材料准备石材、镀锌挂件(膨胀螺栓、直角连接板和锚固件连接板等)、环氧树脂、橡胶条、硅胶等。二、机具准备重要有冲击钻、手枪钻、匀石机、磨光机、活动扳手、水平尺、铝合金靠尺、白线、钢卷尺、铁锤、笤帚、凿子、胶枪、壁纸刀、棉纱、小桶、铁锹、灰盆、钳子等。三、作业条件1、构造经验收合格,水电、通风、设备安装等应提前完毕,并准备好加工石材的场地、水电源等前提条件已含有。2、安装质量符合规定。2、石材的质量、规格、品种、数量、外观等符合规定。3、一层至二层吊篮基层施工,三层搭设脚手架,并做好隐预检统计。(主龙骨、次龙骨、角铁、防锈、防火、保温、材料、MB螺栓套件等)四、技术规范1、石材:(1)石材色泽均匀一致,无色差,色泽与甲方拟定的样品一致。(2)石材板上侧开深10mm,宽3-4mm。(3)普通平板石材厚度不得低于25mm。(4)石材六面水性防护。2、钢骨架:(1)主龙骨为8#热镀锌槽钢,符合国标规定,产地为济钢。(2)次龙骨为∟50×5#热镀锌角钢,符合国标规定,产地为济钢。(3)化学锚栓:M12×160,上海产多国牌或产地为上海的江雨牌。锚板为热镀锌钢板厚度8mm。(4)不锈钢挂件:5#热镀锌钢挂件,产地河北,必须按照现有规范使用钢挂件,不锈钢厚度符合国家规范,配套螺栓规定亦包含在内。(5)钢骨架焊接时包含钢架内的避雷连接焊接规定。(6)耐候硅酮构造胶:舒心793#,产地广东;(7)云石胶:产地上海的固力牌(8)拉拔检测等检测实验规定符合国家规定及竣工资料规定,并且乙方负责拉拔检测费用。(9)资料整顿齐全完整。3、吊篮1、外墙吊篮需要安装上限位装置和下限位装置,不得将吊篮作为垂直运输设备,不得采用吊篮运输物料。2、吊篮作业人员不得超出2人。3、吊篮平台内应保持荷载均衡,严禁超载运行。4、吊篮做升降运行时,工作平台两端高差不得超出150mm。5、在吊篮作业人员应佩戴安全帽,系安全带,并应将安全锁扣对的挂置在独立设立的安全绳上。6、吊篮正常工作时,人员应从地面进入吊篮,不得从屋顶、窗口等处出入吊篮。五、施工工艺1、工艺流程基层解决→装饰面位置放线,石材钻孔或开槽→安装挂件膨胀螺栓→安装挂件→安装饰面石材→复核并调校饰面石材位置→用环氧树脂填实石材上的连接孔、槽→用橡胶条或泡沫条填塞拼接缝并打封缝硅胶→饰面清理。2、基层混凝土墙面解决混凝土墙面平整度误差过大的地方应进行剔凿解决,平整度应控制在4mm/2m以内。3、按设计规定在墙面上弹出控制网,由中心向两边弹放。应弹出每块板的位置线和每个挂件的具体位置。4、石材钻孔或切槽,为确保所开孔、槽的精确度和减少石材破损,应使用专门的机架,以固定板材和钻机等。5、按照放线的位置在墙面上打出膨胀螺栓的孔位,孔深以略不不大于膨胀螺栓套管的长度为宜。埋设膨胀螺栓并予以紧固,最后用测力板手检测连接螺母的旋紧力度,使之达成设计的规定。6、安装连接件:干挂石材普通采用连接件。注意调节挂件一定要安装牢固。7、石材开槽:安装石材前用匀石机在石材的侧面开槽,开槽深度根据挂件的尺寸进行,普通规定不不大于1cm并且在板材后侧边中心,为了确保开槽不崩边,开槽距边沿距离为1/4边长且不不大于50mm,并将槽内的石灰清理干净以确保灌胶粘结牢固。交底内容:8、石材安装:石材安装是从底层开始,吊好垂直线,然后依次向上安装。必须对石材的材质、颜色、纹路、加工尺寸进行检查,按照的石材编号将石材轻放在T型挂件上,按线就位后调节精确位置,并立刻清孔,槽内注入胶,规定锚固胶确保有4-8小时的凝固时间,以避免过早凝固而脆裂,过慢凝固而松动。板材垂直度、平整度、拉线校正后扳紧螺栓。安装时注意多个石材的交接和接口,确保石材安装交圈。9、打胶:对于规定密缝的石材拼接不用打胶;设计规定留缝的墙面,需要在缝内填入泡沫条后用有颜色的大理石胶打入缝隙内。为了确保打胶的质量,用事先准备好的泡沫条塞入石材缝隙,预留好打胶尺寸,既不需要太深,也不应太浅,规定密实,并在石材的边沿贴上胶带纸然后打胶,普通规定打胶深度在6-10mm确保雨水不能进入骨架内即可。待完毕后轻轻将胶...

1、当您付费下载文档后,您只拥有了使用权限,并不意味着购买了版权,文档只能用于自身使用,不得用于其他商业用途(如 [转卖]进行直接盈利或[编辑后售卖]进行间接盈利)。
2、本站所有内容均由合作方或网友上传,本站不对文档的完整性、权威性及其观点立场正确性做任何保证或承诺!文档内容仅供研究参考,付费前请自行鉴别。
3、如文档内容存在违规,或者侵犯商业秘密、侵犯著作权等,请点击“违规举报”。

碎片内容

2025年石材技术交底

您可能关注的文档

读万卷书+ 关注
实名认证
内容提供者

各类经典PPT文档分享

确认删除?
VIP
微信客服
  • 扫码咨询
会员Q群
  • 会员专属群点击这里加入QQ群
客服邮箱
回到顶部