电脑桌面
添加小米粒文库到电脑桌面
安装后可以在桌面快捷访问

2025年天然石粉施工方案VIP免费

2025年天然石粉施工方案_第1页
1/12
2025年天然石粉施工方案_第2页
2/12
2025年天然石粉施工方案_第3页
3/12
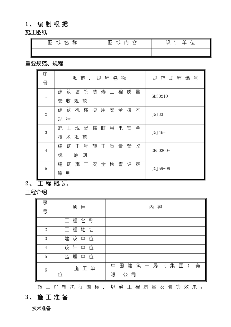
天然石粉工程施工方案编制人:审核人:北京胜美龙建筑装饰工程有限公司01月30日目录1、编制根据..........................................12、工程概况..........................................13、施工准备..........................................24、施工工艺及办法.................................5、混凝土墙面做法………………………………………………………..………………..5、新型空心砌块墙做法…………………………………………………………………….6、水泥砂浆抹灰墙面做法………………………………………………………………….75、质量确保方法…………………………………………………………76、成品保护……………………………………………………………….87、安全、文明施工.................................91、编制根据施工图纸图纸名称图纸内容设计单位重要规范、规程序号规范、规程名称规范规程编号1建筑装饰装修工程质量验收规范GB50210-2建筑机械使用安全技术规程JGJ33-3施工现场临时用电安全技术规范JGJ46-4建筑工程施工质量验收统一原则GB50300-5建筑施工安全检查评定原则JGJ59-992、工程概况工程介绍序号项目内容1工程名称2工程地址3建设单位4设计单位5监理单位6施工单位中国建筑一局(集团)有限公司施工严格执行国标,以确工程质量及装饰效果。3、施工准备技术准备首先由项目部组织有关工程师、项目部技术负责人、工长一同进行技术评审研究,审查施工图和有关的设计资料。最后技术负责人汇总列出存在问题不详之处,工程施工特点、难点,并提出对应的解决方法,工艺特点及技术要领,从而使项目部能够按照设计图的规定顺利进行施工并达成业主的最后规定。明确工期(据实际状况排定)分列工程所用的主、辅材、机械设备和人员安排,并贯彻供货期及人力资源调配方案。采用测量仪器精确抄平,精拟定位,严格控制质量,并计算材料的合理调配。机械、材料准备计划1、材料准备天然石粉涂料石粉配液专用基底料等,有出厂合格证及材料质量证明。2、测量器具根据本工程特点本工程器具需要以下表所示:序号名称规格数量用途备注1电动搅拌器KDT220把搅拌天然石粉涂料2角磨机DS18把打磨个别处不平基底3梯子25个2米以上部位施工使用43级配电箱10套照明灯电源5灯架灯管20架施工照明使用6铝合金靠尺、方尺20根找平找方7美纹纸10箱分格及门窗、洞口边侧防护8防锈漆4桶基底钢筋头防锈解决9装饰用抹子50把石粉涂料抹涂10钢片刮板20把石粉涂料抹涂11砂纸30捆中层涂料打磨12彩条布5卷防污及防潮防护天然石粉涂料施工作业准备:天然石粉涂料粉料及液料在运输过程中应轻拿轻放,避免破损。施工现场材料库房地面铺垫彩条布或木板防潮,避免日晒、避免水浸。材料库房暂设于车库负二层密封较好的房间,温度保持在5度以上。具体方法:(1)室温保持均衡,不得忽然变化,室内相对湿度不不不大于80%,以防凝结水。施工中如不能运用永久性采暖通风设施,可采用电暖器、电炉,局部可使用碘钨灯进行加热。(2)冬季室内涂料施工,材料不应受冻。基层最低温度不低于5℃,同一施工段温差超出5-6℃,一昼夜内环境温度不得低于3℃。(3)施工洞口、运料口及楼梯间等处搞好封闭保温。现场寄存时间不得超出6个月。辅助材料单独寄存,随用随领。施工机具到场重新调试,确保安全运行,达不到使用规定时及时更换。单独设立搅拌材料区,专人管理并设立地面防护布及围挡防护。全方面检查基底状况,基层规定水泥砂浆墙面应平整、干燥,基层含水率不得不不大于8%,PH值<10,如有不符合条件处需重新修理。与总包协调拟定水电源接入位置。进行现场施工环境考察,合理制订施工次序,尽量避免交叉作业。涂料施工前应按设计图纸规定确认施工部位、工程量、质量规定等,按国标及规范进行施工。.施工任务的安排我司对本工程投以极大的重视,公司特针对天然石粉涂料工程成立了工程项目部:由工程经理及技术负责人负责工程管理工作。专门设有材料员协调本工程材料供应工作。工程经理重要负责施工管理工作,确保进度的顺利进展。劳动力安排:为确保施工进度,安排现场施工人员累计20人,施工分为2个大组...

1、当您付费下载文档后,您只拥有了使用权限,并不意味着购买了版权,文档只能用于自身使用,不得用于其他商业用途(如 [转卖]进行直接盈利或[编辑后售卖]进行间接盈利)。
2、本站所有内容均由合作方或网友上传,本站不对文档的完整性、权威性及其观点立场正确性做任何保证或承诺!文档内容仅供研究参考,付费前请自行鉴别。
3、如文档内容存在违规,或者侵犯商业秘密、侵犯著作权等,请点击“违规举报”。

碎片内容

2025年天然石粉施工方案

您可能关注的文档

确认删除?
VIP
微信客服
  • 扫码咨询
会员Q群
  • 会员专属群点击这里加入QQ群
客服邮箱
回到顶部