电脑桌面
添加小米粒文库到电脑桌面
安装后可以在桌面快捷访问

2025年深基坑支护检算VIP免费

2025年深基坑支护检算_第1页
1/9
2025年深基坑支护检算_第2页
2/9
2025年深基坑支护检算_第3页
3/9
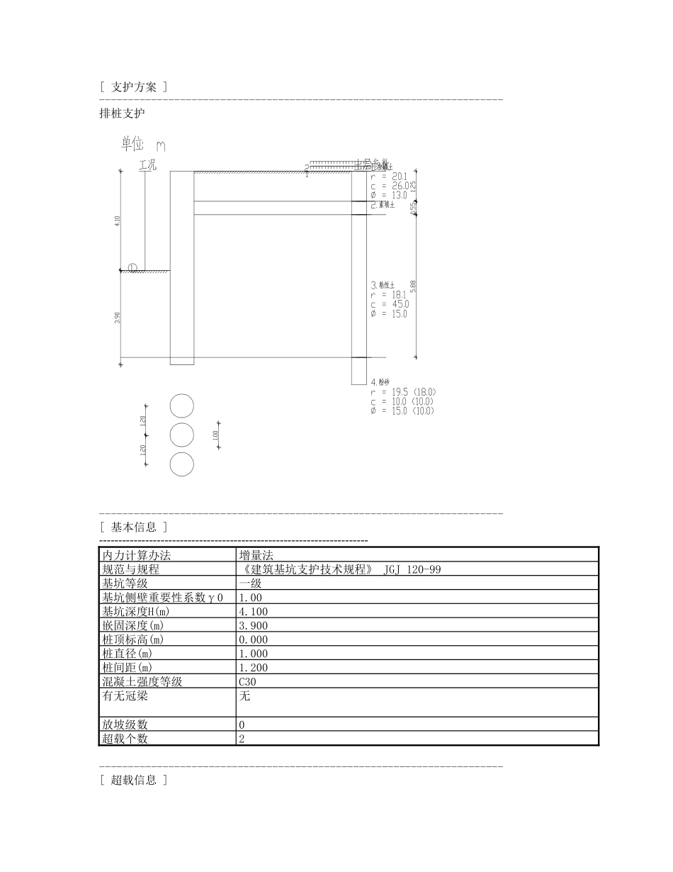
[支护方案]----------------------------------------------------------------------排桩支护----------------------------------------------------------------------[基本信息]----------------------------------------------------------------------内力计算办法增量法规范与规程《建筑基坑支护技术规程》JGJ120-99基坑等级一级基坑侧壁重要性系数γ01.00基坑深度H(m)4.100嵌固深度(m)3.900桩顶标高(m)0.000桩直径(m)1.000桩间距(m)1.200混凝土强度等级C30有无冠梁无放坡级数0超载个数2----------------------------------------------------------------------[超载信息]----------------------------------------------------------------------超载类型超载值作用深度作用宽度距坑边距形式长度序号(kPa,kN/m)(m)(m)(m)(m)190.7770.0002.5004.800------210.0000.0002.5004.800----------------------------------------------------------------------------[土层信息]----------------------------------------------------------------------土层数8坑内加固土否内侧降水最后深度(m)10.000外侧水位深度(m)10.000弹性法计算办法m法----------------------------------------------------------------------[土层参数]----------------------------------------------------------------------层号土类名称层厚重度浮重度粘聚力内摩擦角(m)(kN/m3)(kN/m3)(kPa)(度)1杂填土1.2520.1---26.0013.002素填土0.5520.0---0.0033.003粘性土5.8818.1---45.0015.004粉砂3.0719.58.010.0015.005粉土6.7919.18.0------6粗砂2.8518.08.0------7强风化岩2.6318.08.0------8中风化岩50.0018.08.0------层号与锚固体摩粘聚力内摩擦角水土计算m值抗剪强度擦阻力(kPa)水下(kPa)水下(度)(MN/m4)(kPa)10.1---------4.68---20.1---------18.48---350.0---------7.50---460.010.0010.00分算10.00---540.010.0010.00分算10.00---690.010.0010.00分算10.00---7120.010.0010.00分算10.00---8170.010.0010.00分算10.00-------------------------------------------------------------------------[土压力模型及系数调节]----------------------------------------------------------------------___弹性法土压力模型:__典型法土压力模型:______层号土类名称水土水压力主动土压力被动土压力被动土压力调节系数调节系数调节系数最大值(kPa)1杂填土合算1.0001.0001.00010000.0002素填土分算1.0001.0001.00010000.0003粘性土合算1.0001.0001.00010000.0004粉砂分算1.0001.0001.00010000.0005粉土分算1.0001.0001.00010000.0006粗砂分算1.0001.0001.00010000.0007强风化岩分算1.0001.0001.00010000.0008中风化岩分算1.0001.0001.00010000.000----------------------------------------------------------------------[设计成果]--------------------------------------------------------------------------------------------------------------------------------------------[构造计算]----------------------------------------------------------------------各工况:内力位移包络图:地表沉降图:----------------------------------------------------------------------[环梁选筋成果]----------------------------------------------------------------------___钢筋级别选筋As1HPB2351d12As2HPB2351d12As3HPB235d12@1----------------------------------------------------------------------[截面计算]----------------------------------------------------------------------[截面参数]桩与否均匀配筋是混凝土保护层厚度(mm)20桩的纵筋级别HRB335桩的螺旋箍筋级别HRB335桩的螺旋箍筋间距(mm)150弯矩折减系数0.85剪力折减系数1.00荷载分项系数1.25配筋分段数一段各分段长度(m)8.00[内力取值]段内力类型弹性法典型法内力内力号计算值计算值设计值实用值1基坑内侧最大弯矩(kN.m)0.000.000.000.00基坑外侧最大弯矩(kN.m)20.5515.3521.8321.83最大剪力(kN)15.235.9619.0419.04段选筋类型级别钢筋...

1、当您付费下载文档后,您只拥有了使用权限,并不意味着购买了版权,文档只能用于自身使用,不得用于其他商业用途(如 [转卖]进行直接盈利或[编辑后售卖]进行间接盈利)。
2、本站所有内容均由合作方或网友上传,本站不对文档的完整性、权威性及其观点立场正确性做任何保证或承诺!文档内容仅供研究参考,付费前请自行鉴别。
3、如文档内容存在违规,或者侵犯商业秘密、侵犯著作权等,请点击“违规举报”。

碎片内容

2025年深基坑支护检算

您可能关注的文档

确认删除?
VIP
微信客服
  • 扫码咨询
会员Q群
  • 会员专属群点击这里加入QQ群
客服邮箱
回到顶部