GL 型三角形挂篮主要构件检算书1 GL 型三角形挂篮概述根据某特大桥的特点,本桥悬臂施工采纳 GL 型三角形挂篮。挂篮的主承重架采纳三...
连续梁支架检算目录一、编制依据 1二、工程概况 1三、支架布置 1四、支架检算 11、荷载标准值 12、模板的强度、刚度检算 23、方木的...
西安地铁 5 号线二期工程(交大创新港~与平村(不含))土建施工项目D5-G C-TJ3 标连续梁专项施工方案检算书编制人: 审核人: 审批人...
公路混凝土梁式结构的检算规定1 混凝土板(梁)桥的检算1.1 简支板桥应检算跨中截面和四分之一截面及支点截面。简支梁桥应检算跨中截面、...
公路桥面系结构的检算规定1 行车道板的检算1.1 行车道板的检算,可依据《公路钢筋混凝土及预应力混凝土桥涵设计法律规范》进行,可分别按...
公跨铁桥梁体支架加固方案及检算关键词:加固方案公跨铁支架检算一、满堂支架布置情况满堂支架立杆、横杆、剪刀撑、横向水平杆均采纳外径 ...
无支架抱箍施工检算一、检算编制依据1、惠兴高速公路惠水至镇宁第一合同段(K0+000~K15+000)设计图纸;2、公路桥涵钢结构及木结构设计规范...
制梁厂台座受力检算资料一、制梁台座检算1、40m 后箱梁制梁台座设计(1)40m 后箱梁台座尺寸示意图(2)荷载计算:计算参数:按 40m 边...
重力式挡土墙模板检算书 编制 审核 审批中铁一局集团至喀左客运专线CFSG-4 标项目经理部二零一七年三月 目 录1、参数信息 31.1 基...
第 2 期构造检算理论基础测试试题题 号第一题第二题第三题总 分阅卷人得 分答卷阐明:本试卷满分 100 分,测试时间为 180 分钟。...
1 钢板桩围堰检算 1、构件特性 取钢材的弹性模量为 211/N101.2m,3.0,)1(2/ EG 1.1 拉森Ⅳ钢板桩 截面参数: 截面积...
新建广州至珠铁海路复工工程北江特大桥跨贵广铁路(32.55+48+32.55)m 刚构连续梁挂篮设计计算书中铁十二局第四工程公司 03 月下载后可任...
无支架抱箍施工检算 一、检算编制依据 1、惠兴高速公路惠水至镇宁第一合同段(K0+000~K15+000)设计图纸; 2、公路桥涵钢结构及木结构设...
. . Word 格式. . Word 格式目录1 基坑支护总体概况..............................................................................
模板及支架受力检算书1、侧模检算模板采用 15mm竹胶板,外贴 100×100mm方木横向间距为30cm,纵向间距 60cm双排Φ 48mm×3.5mm钢管,纵...
midas Civil 技术资料 检测专题应用 北京迈达斯技术有限公司 刘浩磊(编) 唐晓东(核) 1 目录 1 桥梁承载能力检算评定 .........
X X X 工程 N 标 XXX 桥支架现浇箱梁 专项施工方案 中国中铁编制: 复核: 审核: 下载后可任意编辑中国中铁一局集团有限公司...
课 程 设 计 设计题目__轨道强度检算普通无缝线路设计 __ 院( 系) _ _ _ _ _ _ _ _ 软件学院_ _ _ _ _ _ _ _ 专 ...
中铁 X 局桥限公司 基坑支护检算 1 目 录 1 基坑支护总体概况 ............................................... 2 1.1 支护结...
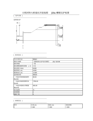
大明河特大桥基坑开挖按照[20a 槽钢支护检算[ 支护方案 ] ---------------------------------------------------------------------- ...

