电脑桌面
添加小米粒文库到电脑桌面
安装后可以在桌面快捷访问

基坑开挖检算资料VIP免费

基坑开挖检算资料_第1页
1/9
基坑开挖检算资料_第2页
2/9
基坑开挖检算资料_第3页
3/9
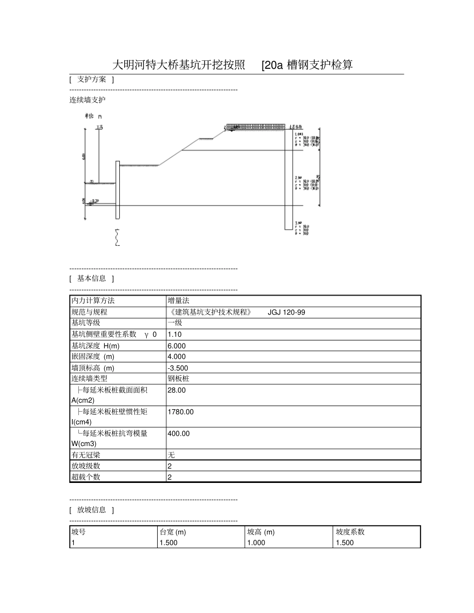
大明河特大桥基坑开挖按照[20a 槽钢支护检算[ 支护方案 ] ---------------------------------------------------------------------- 连续墙支护---------------------------------------------------------------------- [ 基本信息 ] ---------------------------------------------------------------------- 内力计算方法增量法规范与规程《建筑基坑支护技术规程》 JGJ 120-99基坑等级一级基坑侧壁重要性系数γ 01.10基坑深度 H(m)6.000嵌固深度 (m)4.000墙顶标高 (m)-3.500连续墙类型钢板桩├每延米板桩截面面积A(cm2)28.00├每延米板桩壁惯性矩I(cm4)1780.00└每延米板桩抗弯模量W(cm3)400.00有无冠梁无放坡级数2超载个数2---------------------------------------------------------------------- [ 放坡信息 ] ---------------------------------------------------------------------- 坡号台宽 (m)坡高 (m)坡度系数11.5001.0001.50024.5003.0001.500---------------------------------------------------------------------- [ 超载信息 ] ---------------------------------------------------------------------- 超载类型超载值作用深度作用宽度距坑边距形式长度序号(kPa,kN/m)(m)(m)(m)(m)148.900---------------210.500------------------------------------------------------------------------------------- [ 土层信息 ] ---------------------------------------------------------------------- 土层数3坑内加固土否内侧降水最终深度(m)8.300外侧水位深度 (m)0.000弹性法计算方法m法---------------------------------------------------------------------- [ 土层参数 ] ---------------------------------------------------------------------- 层号土类名称层厚重度浮重度粘聚力内摩擦角(m)(kN/m3)(kN/m3)(kPa)( 度 )1素填土2.3018.08.010.0030.002粉砂6.2018.08.010.0030.003粉砂50.0018.08.0------层号与锚固体摩粘聚力内摩擦角水土计算 m值抗剪强度擦阻力 (kPa)水下 (kPa)水下 ( 度)(MN/m4)(kPa)1100.010.0010.00分算10.00---2100.010.0010.00分算10.00---3100.010.0010.00分算10.00------------------------------------------------------------------------- [ 土压力模型及系数调整 ] ---------------------------------------------------------------------...

1、当您付费下载文档后,您只拥有了使用权限,并不意味着购买了版权,文档只能用于自身使用,不得用于其他商业用途(如 [转卖]进行直接盈利或[编辑后售卖]进行间接盈利)。
2、本站所有内容均由合作方或网友上传,本站不对文档的完整性、权威性及其观点立场正确性做任何保证或承诺!文档内容仅供研究参考,付费前请自行鉴别。
3、如文档内容存在违规,或者侵犯商业秘密、侵犯著作权等,请点击“违规举报”。

碎片内容

基坑开挖检算资料

您可能关注的文档

确认删除?
VIP
微信客服
  • 扫码咨询
会员Q群
  • 会员专属群点击这里加入QQ群
客服邮箱
回到顶部