电脑桌面
添加小米粒文库到电脑桌面
安装后可以在桌面快捷访问

2025年明挖扩大基础技术交底VIP专享VIP免费

2025年明挖扩大基础技术交底_第1页
1/7
2025年明挖扩大基础技术交底_第2页
2/7
2025年明挖扩大基础技术交底_第3页
3/7
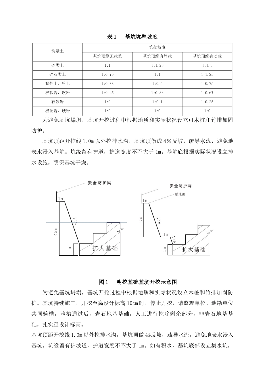
新建长春(开安)至西巴彦花铁路施工技术交底纪要CX-V标段工程项目:明挖扩大基础施工三级技术交底编号:记录者:(签字)交底者:(签字)技术负责:(签字)技术部门:(盖章)日期:6月11日交底记录工程名称新建(开安)长春至西巴彦花铁路分部(分项)工程跨G5511省际大通道特大桥交底项目明挖扩大基础施工技术交底图纸名称、图号技术交底内容:长春(开安)至西巴彦花铁路项目站前工程CX-V标段三架子队位于内蒙古自治区兴安盟突泉县境内,本段有跨G5511省际大通道特大桥一座,累计墩(台)40个,其中明挖扩大基础的有22个墩(台)。一、施工准备1、施工前充足理解地下有无高压线、光缆、天然气管道及浇灌水管等地下管线,在拟定无地下管线或对地下管线采用了保护方法的状况下方可进行承台基坑的开挖。2、基坑开挖前,精确测定基础轮廓线,测出原地面高程,放出开挖边界并用白灰撒线,并在纵横方向设立保护桩。根据图纸设计,基坑开挖轮廓以满足基础底部尺寸为原则。3、根据设计规定合理布置施工场地,将现场的泥浆及渣土清运出场,保持场内无杂物4、施工机具及材料重要施工机械设备有吊车、挖掘机、装载机、自卸车、砼罐车、空压机、电焊机、汽车泵等。二、施工工艺流程明挖基础施工工艺流程:测设基坑平面位置、标高→挖掘机开挖基坑(基坑防护)→基底解决与检查→安装模板→灌筑下层基础混凝土→浇筑中间部分基础→浇筑上层混凝土→与墩台身接触面拉毛解决三、施工工艺1、基坑开挖施工时以机械开挖为主,人工开挖为辅,开挖时严格按所测放的基坑开挖线及坡度进行逐级均匀开挖,不得随意集中开挖、点挖过深,以免破坏边坡的稳定性。全部人员必须按规定规定,佩戴安全防护用品,基坑高度超出1.5时应含有便于出入基坑的爬梯等安全设施;开挖过程中如坑沿顶面裂缝,坑壁松塌或遇有漏水等影响基坑边坡稳定时,应立刻加固防护;开挖基坑需机械抽水开挖时,必须配备足够的抽排水设备,抽水机及管路要安放牢固。在坑沿应设“小心坠落”警示标志,并加设围栏,夜间施工时应设立红灯示警;应对基础边坡和孔壁的稳定进行监控,经常检查,及时进行支护,以免发生边坡跨塌事故。在天然土层上挖基,如深度在5m以内,施工期较短,基坑底处在地下水位以上,土的湿度靠近最佳含水率、土层构造均匀时,则基坑坑壁坡度可按照表1开挖。基坑深度不不大于5m或有其它不利条件时,应将坑壁坡度适宜放缓,或加作平台。表表1基坑坑壁坡度坑壁土坑壁坡度基坑顶缘无载重基坑顶缘有静载基坑顶缘有动载砂类土1:11:1.251:1.5碎石类土1:0.751:11:1.25黏性土、粉土1:0.331:0.51:0.75极软岩、软岩1:0.251:0.331:0.67较软岩1:01:0.11:0.25极硬岩、硬岩1:01:01:0为避免基坑塌坍,基坑开挖过程中根据地质和实际状况设立可木桩和竹排加固防护。基坑顶距开挖线1.0m以外挖排水沟,基坑顶做成4%反坡,疏导水流,避免地表水浸入基坑。坑缘留有护道,护道宽度不不大于1m。基坑底根据实际状况设立排水设施,确保基坑干燥。图1明挖基础基坑开挖示意图为避免基坑坍塌,基坑开挖过程中根据地质和实际状况设立木桩和竹排加固防护。基坑持续施工,开挖至离设计标高10cm时,停止开挖,请监理单位、地勘单位共同验槽,验槽通过后,岩石地基基础,人工进行挖除剩余部分,非岩石地基基础,扎实至设计标高。基坑顶距开挖线1.0m以外挖排水沟,基坑顶做4%反坡,疏导水流,避免地表水浸入基坑。坑缘留有护坡道,护道宽度不不大于1m。如有积水,基坑底部设立集水坑,及时运用水泵抽出积水,确保基坑内无积水2、基底解决、浇筑垫层验槽符合设计规定后,开挖至设计基底标高,清理松散岩石、土屑,清理平整。将基坑底部平整完毕后,浇筑8cm厚C20混凝土垫层,垫层应大面平整,不得积水。3、钢筋工程预埋墩身钢筋时注意基础顶以上3米内钢筋不许有接头。4、模板安装模板拼装迈进行清理,涂刷脱模剂,脱模剂涂刷要均匀,且不适宜过多,脱模剂采用模板专用脱模剂,严禁用废机油做脱模剂,以确保砼外观质量。模板拼缝夹塞采用双面胶,确保接缝严密,不漏浆。模板如有缝隙、孔洞,必须要堵严。模板节段间严格控制错台,如错台较大则进行将模板打...

1、当您付费下载文档后,您只拥有了使用权限,并不意味着购买了版权,文档只能用于自身使用,不得用于其他商业用途(如 [转卖]进行直接盈利或[编辑后售卖]进行间接盈利)。
2、本站所有内容均由合作方或网友上传,本站不对文档的完整性、权威性及其观点立场正确性做任何保证或承诺!文档内容仅供研究参考,付费前请自行鉴别。
3、如文档内容存在违规,或者侵犯商业秘密、侵犯著作权等,请点击“违规举报”。

碎片内容

2025年明挖扩大基础技术交底

您可能关注的文档

确认删除?
VIP
微信客服
  • 扫码咨询
会员Q群
  • 会员专属群点击这里加入QQ群
客服邮箱
回到顶部