电脑桌面
添加小米粒文库到电脑桌面
安装后可以在桌面快捷访问

2025年施工组织设方案审批表VIP免费

2025年施工组织设方案审批表_第1页
1/4
2025年施工组织设方案审批表_第2页
2/4
2025年施工组织设方案审批表_第3页
3/4
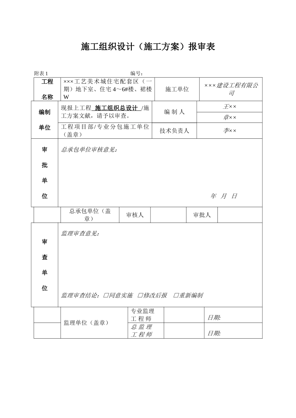
施工组织设计(方案)报审表工程名称:×××天逸湾湖畔花园编号:A2—×××致:×××工程建设监理有限公司我方已根据施工合同的有关规定完毕了×××天逸湾湖畔花园康体商业中心、别墅C组团、员工宿舍、施工组织设计(方案)及模板专项施工方案的编制,并经我单位上级技术负责人同意,请予以审查。附:模板专项施工方案承包单位(章)项目经理日期专业监理工程师审查意见:专业监理工程师日期总监理工程师审核意见:项目监理机构总监理工程师日期施工组织设计(施工方案)报审表附表1编号:工程名称×××工艺美术城住宅配套区(一期)地下室、住宅4~6#楼、裙楼W施工单位×××建设工程有限公司编制单位现报上工程施工组织总设计/施工方案文献,请予以审查。编制人王××章××工程项目部/专业分包施工单位(盖章)技术负责人李××审批单位总承包单位审核意见:年月日总承包单位(盖章)审核人审批人审查单位监理审查意见:监理审查结论:□同意实施□修改后报□重新编制监理单位(盖章)专业监理工程师日期:总监理工程师日期:危险性较大专项施工方案专家论证表附表2编号:工程名称编号施工总承包单位项目经理专业承包单位技术负责人分部分项工程名称参加会审人员一览表姓名性别年纪工作单位职务职称专业专家论证意见:年月日签字栏组长:专家:年月日

1、当您付费下载文档后,您只拥有了使用权限,并不意味着购买了版权,文档只能用于自身使用,不得用于其他商业用途(如 [转卖]进行直接盈利或[编辑后售卖]进行间接盈利)。
2、本站所有内容均由合作方或网友上传,本站不对文档的完整性、权威性及其观点立场正确性做任何保证或承诺!文档内容仅供研究参考,付费前请自行鉴别。
3、如文档内容存在违规,或者侵犯商业秘密、侵犯著作权等,请点击“违规举报”。

碎片内容

2025年施工组织设方案审批表

您可能关注的文档

确认删除?
VIP
微信客服
  • 扫码咨询
会员Q群
  • 会员专属群点击这里加入QQ群
客服邮箱
回到顶部