电脑桌面
添加小米粒文库到电脑桌面
安装后可以在桌面快捷访问

2025年检验实验室建设规划VIP免费

2025年检验实验室建设规划_第1页
1/8
2025年检验实验室建设规划_第2页
2/8
2025年检验实验室建设规划_第3页
3/8
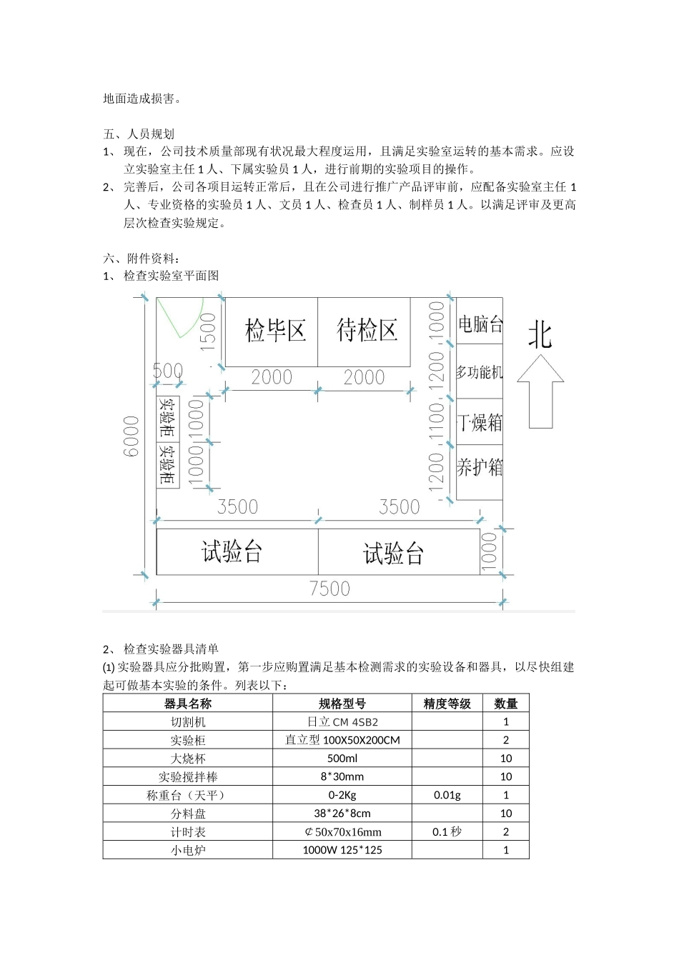
宇美检查实验室建设规划实验室的筹建总规划原则应以本身检查需求为根本,附带厂区环境为参考,结合外部获得推广评审原则为重要,而拟定实验室总建设规划原则。一、建设根据、目的。1、为了满足本身生产检查及产品改良需求以及根据安徽省外墙建筑材料推广规定,“安徽省住宅产业化增进中心”对于评定推广新型外墙墙体建筑材料评审规定,重要根据《安徽省建设新技术新产品推广证书管理方法》的具体内容。外墙墙体建筑材料生产厂家需要获得推广,需要确保所生产的墙体材料质量达标,必须拥有自检对应实验室。因此需要建设对应原则的检查实验室。2、在评定方面具体规定为:检测设备:配有恒温干燥箱、万能实验机(10-100kN)、养护箱、试模的出厂检测仪器。附有有关设备功效清单、购置发票和有效检定、校准证书。因此以上设备在实验室建设过程中必须配备。二、建设期限公司设定的试生产期限为5月20日,自试生产至投产阶段应最少有2个月时间,故而从总体估算实验室的的预期建设期限应为三个月。三、硬件规划根据“安徽省住宅产业化增进中心”的《安徽省建设新技术新产品推广证书管理方法》所规定的检查设备硬件原则,所实施的检查实验项目必须按此原则建设,且结合公司本身对产品及原材料的检查需求以及将来的开发改良需求,具体的建设节点应当按照“投产前”“评审前”两个节点环节实施,具体以下:1、投产前投产前的重要目的是为满足公司生产过程里原材料检查、成品检查的基本需求。所添置的实验设备应能满足以上两点的规定。2、评审前评审前的重要目的是为了满足评审时“安徽省住宅产业化增进中心”所规定必须要有的检查项目能够得到满足,确保评审时能够顺利通过。进而对公司的内部检查也是一种提高。四、场地规划1、公司现有实验室场地位于一号生产车间内,内部尺寸为7500mm*6000mm,累计45m2。南侧有窗,出入门位于北侧厂房内。2、按实验室基本建设规范,应将操作台布置于南侧有窗位置,小型称量设备及实验易损器具摆放于操作台上,水路管线分布于南侧。3、东侧有良好的电力分部且背阴靠近工作台应摆放中、大型实验设备。4、而北侧完全背阴,靠近出入门及厂区又不能在开门时及外部一眼望尽,是良好的摆放试件及实验完毕件的位置,应当在此位置划定对应区域。5、西侧背阴,又靠近出入门,开门及进入时能够被及时看见,应当对应的整洁于实验台相交互,而实验柜应整洁的码放于此位置,用于寄存某些留存的原则样本。6、应在实验室基础设施建设完毕,第一批设施、器具、设备进入后,拟定完毕实验室对应的规章制度,操作规范,对应的设备操作手册,人员构造,并及时上墙公示警示。7、实验室地面应采用地板砖,能够有效的清理及避免实验中有腐蚀性液体滴落在地面上对地面造成损害。五、人员规划1、现在,公司技术质量部现有状况最大程度运用,且满足实验室运转的基本需求。应设立实验室主任1人、下属实验员1人,进行前期的实验项目的操作。2、完善后,公司各项目运转正常后,且在公司进行推广产品评审前,应配备实验室主任1人、专业资格的实验员1人、文员1人、检查员1人、制样员1人。以满足评审及更高层次检查实验规定。六、附件资料:1、检查实验室平面图2、检查实验器具清单⑴实验器具应分批购置,第一步应购置满足基本检测需求的实验设备和器具,以尽快组建起可做基本实验的条件。列表以下:器具名称规格型号精度等级数量切割机日立CM4SB21实验柜直立型100X50X200CM2大烧杯500ml10实验搅拌棒8*30mm10称重台(天平)0-2Kg0.01g1分料盘38*26*8cm10计时表¢50x70x16mm0.1秒2小电炉1000W125*1251实验室主任(陈创新)暂兼实验员(陈海波)暂兼实验室主任文员制样员检查员实验员三角铲4寸5玻璃量筒10ml25ml100ml2不锈钢取样铲中号2广口瓶125ml250ml20游标卡尺0~150mm0.1mm2游标卡尺0~300mm0.1mm2钢卷尺5m1mm4钢直尺0~500mm1mm2角尺0~300mm1mm2千分尺0~25mm0.01mm2外墙保温材料多功效拉拔仪0-6KN1%1数显电热鼓风干燥箱0-200℃1℃1多功效粘结强度检测仪0-6KN1%1⑵实验室的第二步购置计划应当满足“安徽省住宅产业化增进中心”的实验设备配备规定,申请购置更高级别的实验设备。列表以下:器具...

1、当您付费下载文档后,您只拥有了使用权限,并不意味着购买了版权,文档只能用于自身使用,不得用于其他商业用途(如 [转卖]进行直接盈利或[编辑后售卖]进行间接盈利)。
2、本站所有内容均由合作方或网友上传,本站不对文档的完整性、权威性及其观点立场正确性做任何保证或承诺!文档内容仅供研究参考,付费前请自行鉴别。
3、如文档内容存在违规,或者侵犯商业秘密、侵犯著作权等,请点击“违规举报”。

碎片内容

2025年检验实验室建设规划

您可能关注的文档

确认删除?
VIP
微信客服
  • 扫码咨询
会员Q群
  • 会员专属群点击这里加入QQ群
客服邮箱
回到顶部