电脑桌面
添加小米粒文库到电脑桌面
安装后可以在桌面快捷访问

2025年数控实训教学大纲VIP专享VIP免费

2025年数控实训教学大纲_第1页
1/3
2025年数控实训教学大纲_第2页
2/3
2025年数控实训教学大纲_第3页
3/3
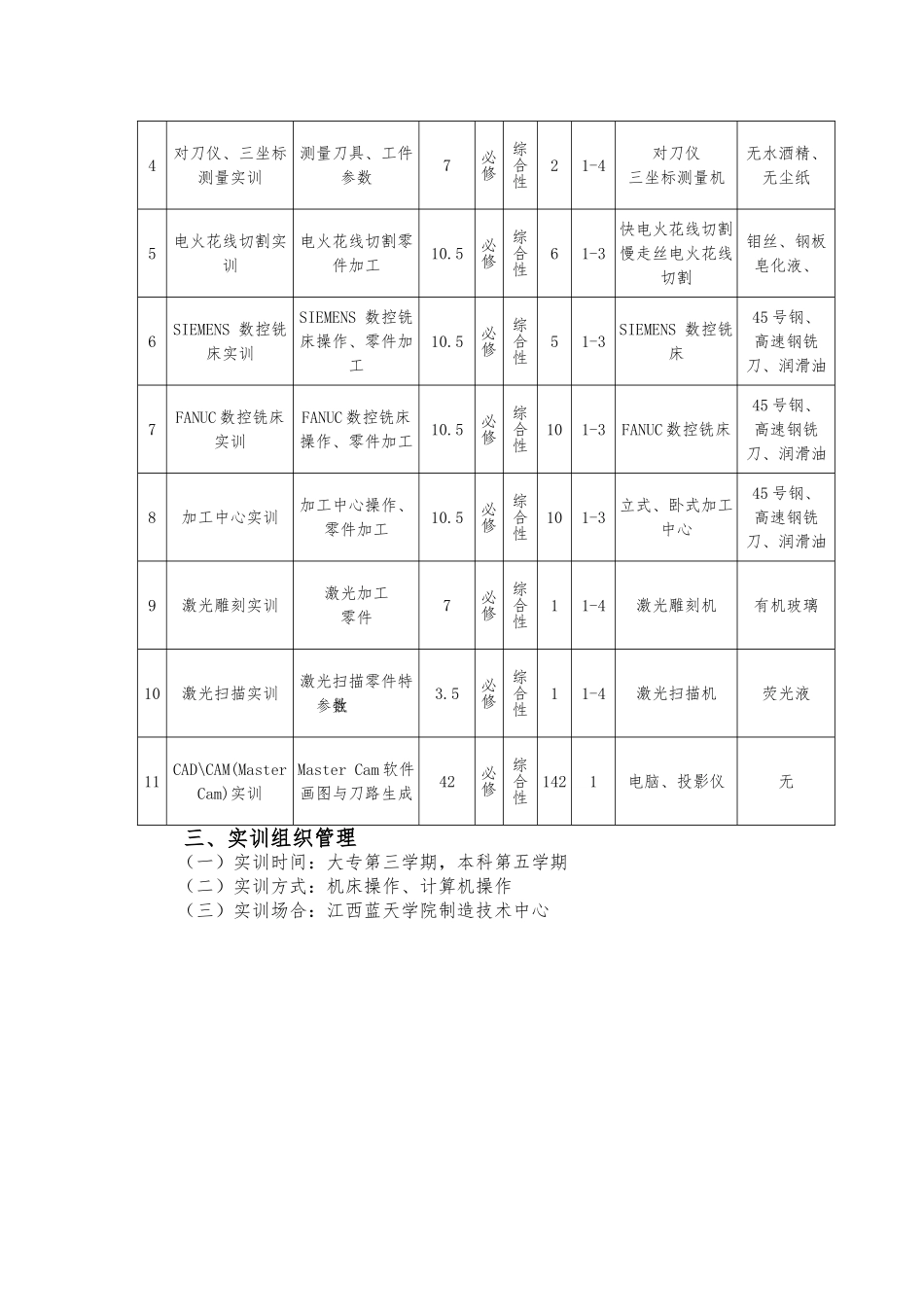
《数控实训》教学大纲课程中文名称:数控实训课程英文名称:Numercalcontraltrainsinfact课程代码:合用专业:理工、机械类实训周数:3周学分:3学分先修课程:数控编程、数控技术及应用、数控机床操作、机械制图一、实训目的与任务(一)实训目的:1、理解数控加工的普通过程,熟悉机械零件的惯用加工办法及其数控机床的工作原理及典型构造、工夹量具的使用以及安全操作技术,理解数控编程工艺知识和某些数控特种加工工艺、新技术在机械制造中的应用。2、对简朴零件初步含有选择加工办法和进行工艺分析的能力,在重要工种上应含有独立完毕简朴零件编程、加工制造和测量的实践能力。3、在劳动观点、质量和经济观念、理论联系实际和科学作风以及恪守安全技术操作、热爱劳动、爱惜公物等工程技术人员应含有的基本素质方面受到培养和锻炼。(二)实训任务:1、熟悉机械零件的惯用加工办法及其数控机床操作。2、熟悉数控特种加工工艺及机台操作3、独立完毕简朴零件编程、加工制造和测量。4、根据规定填写实训报告和心得、机床的保养。二、实训重要内容及规定序号实验项目名称内容提纲学时要求类型设备套数每组人数每组常规仪器设备名称每组重要耗材名称、金额1FANUC数控车床实训FANUC数控车床操作、零件加工10.5必修综合性51-3FANUC数控车床塑料棒、润滑油、车刀2广数、三菱数控车床实训广数、三菱数控车床操作、零件加工10.5必修综合性61-3广数数控车床三菱数控车床塑料棒、润滑油、车刀3电火花成型机实训电火花成型机操作3.5必修综合性61-3电火花成型机三轴电火花成型机电火花油、铜棒、钢板4对刀仪、三坐标测量实训测量刀具、工件参数7必修综合性21-4对刀仪三坐标测量机无水酒精、无尘纸5电火花线切割实训电火花线切割零件加工10.5必修综合性61-3快电火花线切割慢走丝电火花线切割钼丝、钢板皂化液、6SIEMENS数控铣床实训SIEMENS数控铣床操作、零件加工10.5必修综合性51-3SIEMENS数控铣床45号钢、高速钢铣刀、润滑油7FANUC数控铣床实训FANUC数控铣床操作、零件加工10.5必修综合性101-3FANUC数控铣床45号钢、高速钢铣刀、润滑油8加工中心实训加工中心操作、零件加工10.5必修综合性101-3立式、卧式加工中心45号钢、高速钢铣刀、润滑油9激光雕刻实训激光加工零件7必修综合性11-4激光雕刻机有机玻璃10激光扫描实训激光扫描零件特性参数3.5必修综合性11-4激光扫描机荧光液11CAD\CAM(MasterCam)实训MasterCam软件画图与刀路生成42必修综合性1421电脑、投影仪无三、实训组织管理(一)实训时间:大专第三学期,本科第五学期(二)实训方式:机床操作、计算机操作(三)实训场合:江西蓝天学院制造技术中心四、考试办法及成绩评定方法(一)实训成绩由实践操作、实习报告、校规校纪和安全操作四部分构成满100分。1、实践操作考核占总成绩的60%。每工种根据学生的考核工件、操作纯熟程度、实训态度等由指导教师根据各工种考核方法记分。2、实习报告成绩占总成绩的10%。(1)不写或不交实训报告者,本次工种实训成绩为零分。(2)不写实训小结和意见建议者全部实训项目均为无效分。(3)画图不工整,笔迹不清晰、敷衍了事写报告给5分下列。(4)剽窃别人实训报告,报告不得分。3、校规校纪占总成绩的15%。(1)迟到早退一次扣3分(超出5分钟按旷课一节扣5分)。(2)窜岗溜号一次扣5分。4、安全操作占总成绩的15%。(1)着装不符合规定一次扣5分。(2)规范操作10分。(二)以上九门工种实训中有一项不及格,则数控实训成绩不及格,不及格工种将补考。(三)数控实训为必修课,每次实训完毕考核不及格者,应按告知规定及时补训,若缺少数控实训成绩学校不予毕业。五、实训指导书及重要参考教材教材:《数控机床操作与编程训练》(上、下册),张贻摇,北京理工大学出版社,制订人签字:田科主任审核签字:制订日期:1月25日(单位盖章)

1、当您付费下载文档后,您只拥有了使用权限,并不意味着购买了版权,文档只能用于自身使用,不得用于其他商业用途(如 [转卖]进行直接盈利或[编辑后售卖]进行间接盈利)。
2、本站所有内容均由合作方或网友上传,本站不对文档的完整性、权威性及其观点立场正确性做任何保证或承诺!文档内容仅供研究参考,付费前请自行鉴别。
3、如文档内容存在违规,或者侵犯商业秘密、侵犯著作权等,请点击“违规举报”。

碎片内容

2025年数控实训教学大纲

您可能关注的文档

静心书店+ 关注
实名认证
内容提供者

专注于各类考试试卷和真题。

确认删除?
VIP
微信客服
  • 扫码咨询
会员Q群
  • 会员专属群点击这里加入QQ群
客服邮箱
回到顶部