电脑桌面
添加小米粒文库到电脑桌面
安装后可以在桌面快捷访问

2025年监理平行检验方案VIP专享VIP免费

2025年监理平行检验方案_第1页
1/8
2025年监理平行检验方案_第2页
2/8
2025年监理平行检验方案_第3页
3/8
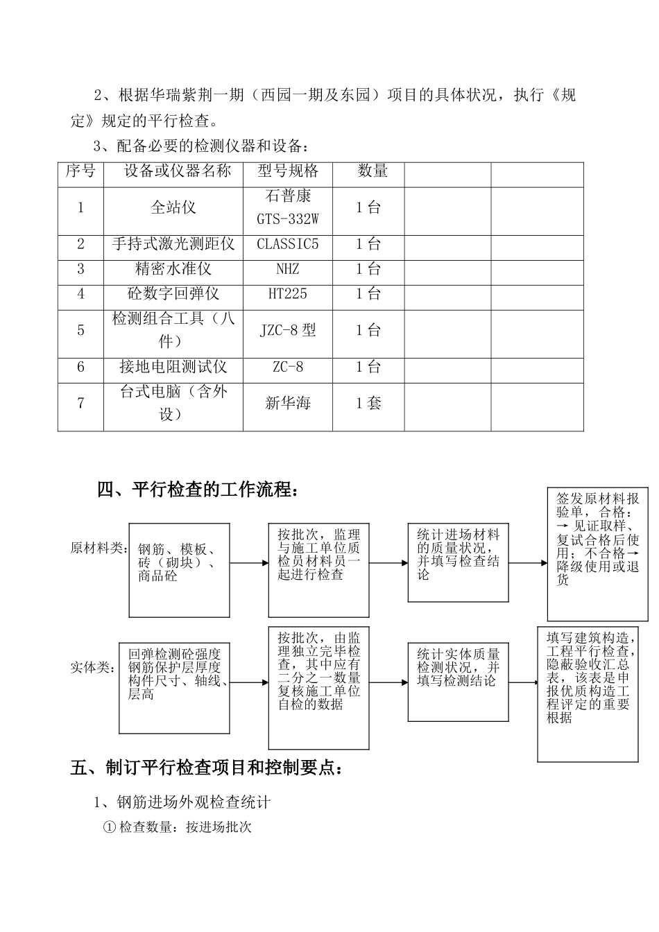
监理平行检查方案一、工程概况:1、工程项目特性(1)项目名称:华瑞紫荆一期(东园一期及西园)(2)建设地点:郑州市丰硕南街以东,天元路南,新苑路以北(3)建筑面积:23.92万㎡²(4)建筑用途:住宅及商业楼(5)构造类型:住宅:剪力墙构造;商铺、地下车库:框架构造(6)计划工期:731日历天(7)工程质量目的:主体优质构造,其它精品工程。(8)工程特点:(主楼)CFG复合地基、筏板基础,框架剪力墙构造。2、工程项目建设实施有关单位名录(1)建设单位:郑州华瑞房地产开发集团有限公司(2)设计单位:河南省纺织建筑设计研究院有限公司(3)承包单位:河南国信建设有限公司河南瑞祥建筑工程有限公司(4)监理单位:河南海纳建设管理有限公司(5)勘察单位:河南卓越建设工程有限公司二、平行检查在质量控制中的重要性:1、是衡量工程质量的一把尺子,是实现合同质量目的的重要手段。2、在于细节的解决,平行检查能够增进做好细节解决。3、是监理本身工作的需要。使监理平行检查的工作更加规范化、具体化。三、监理部平行检查的检测手段和仪器配备:1、组织全体员工认真学习,严格执行平行检查工作,规定达成:对全部平行检查表格要一知三会,即(懂得内容,会操作、会判断、会填表)。2、根据华瑞紫荆一期(西园一期及东园)项目的具体状况,执行《规定》规定的平行检查。3、配备必要的检测仪器和设备:四、平行检查的工作流程:原材料类:实体类:五、制订平行检查项目和控制要点:1、钢筋进场外观检查统计①检查数量:按进场批次序号设备或仪器名称型号规格数量1全站仪石普康GTS-332W1台2手持式激光测距仪CLASSIC51台3精密水准仪NHZ1台4砼数字回弹仪HT2251台5检测组合工具(八件)JZC-8型1台6接地电阻测试仪ZC-81台7台式电脑(含外设)新华海1套按批次,监理与施工单位质检员材料员一起进行检查统计进场材料的质量状况,并填写检查结论钢筋、模板、砖(砌块)、商品砼签发原材料报验单,合格:→见证取样、复试合格后使用;不合格→降级使用或退货回弹检测砼强度钢筋保护层厚度构件尺寸、轴线、层高按批次,由监理独立完毕检查,其中应有二分之一数量复核施工单位自检的数据统计实体质量检测状况,并填写检测结论填写建筑构造,工程平行检查,隐蔽验收汇总表,该表是申报优质构造工程评定的重要根据②严禁盘圆钢筋外加工,如经甲方同意场外加工的,进场时应按批次验收和复试,外观和物理力学性能应符合规范规定。③直条钢筋,直径偏差超出允许值时,可退货或降级使用。④钢筋标牌上的炉批号,应与质保书一致,否则应查明材料来源或退货。2、模板试拼装及周转检查统计控制要点:①检查数量:木模的拼装和保养验收,以每一流水段为一种检查批。②检查原则:木模板材厚度,不得出现负偏差,起皮、脱胶应变更。③每次周转、变更模板的块数应统计表内。④脱模剂应有出厂合格证,不得使用废机油。刷脱模剂模板的块数应统计表内。3、砖(砌块)外观检查统计控制要点:①检查数量:每日进场(同一厂家,同品种,同规格)的砖(砌块)为一检查批。随机抽取20块砖(砌块)对几何尺寸,外观质量进行检查。②每一次采购进场的同一厂家,同品种,同规格的砖(砌块)应最少提供一份合格证或新产品准用证,并将证件编号统计表内。③当有四块砖(砌块)不合格时,应双倍取样(另取40块)如仍有8块及以上的砖不合格时,则该批砖应退货。4、混凝土坍落度检测统计控制要点:①检查数量:每10车检查1次②按规程取样,操作③数据真实5、混凝土强度回弹检查统计控制要点:①检测数量:每一楼层,同一类型构件各不少于25②检查时间:要在同养试块强度达成龄期后进行③检测部位一栏要注明检测的楼层和轴线④长度不不大于3m的构件,每一试件的测区数不少于10个⑤检测成果低于设计值一种等级的需委托有资质的检测单位检测6、钢筋保护层厚度检测统计控制要点:①检测数量:每层梁板构件不少于2个②梁:应对梁底全部纵向受力钢筋的保护层厚度进行检查③板:应抽取不少于6根纵向受力钢筋保护层厚度进行检查④检测前应全方面进行外观检查,对出现露筋和锈斑的构件进行具体的统计,并分类抽取有代...

1、当您付费下载文档后,您只拥有了使用权限,并不意味着购买了版权,文档只能用于自身使用,不得用于其他商业用途(如 [转卖]进行直接盈利或[编辑后售卖]进行间接盈利)。
2、本站所有内容均由合作方或网友上传,本站不对文档的完整性、权威性及其观点立场正确性做任何保证或承诺!文档内容仅供研究参考,付费前请自行鉴别。
3、如文档内容存在违规,或者侵犯商业秘密、侵犯著作权等,请点击“违规举报”。

碎片内容

2025年监理平行检验方案

您可能关注的文档

确认删除?
VIP
微信客服
  • 扫码咨询
会员Q群
  • 会员专属群点击这里加入QQ群
客服邮箱
回到顶部