电脑桌面
添加小米粒文库到电脑桌面
安装后可以在桌面快捷访问

住宅工程质量分户验收记录表空间尺寸VIP专享VIP免费

住宅工程质量分户验收记录表空间尺寸_第1页
1/50
住宅工程质量分户验收记录表空间尺寸_第2页
2/50
住宅工程质量分户验收记录表空间尺寸_第3页
3/50
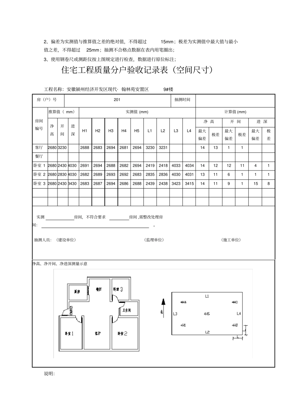
住宅工程质量分户验收记录表(空间尺寸)工程名称:安徽颍州经济开发区现代·翰林苑安置区9#楼房(户)号101抽测时间房间编号推算值(mm)实测值(mm)计算值(mm)净高开间进深H1H2H3H4H5L1L2L3L4净高开间进深最大偏差极差最大偏差极差最大偏差极差客厅268032302688268326942681269432303231141311餐厅卧室1268024304030269126942688268226842419241840334034141212141卧室226802830403026822689269326922683283528364030403113116111卧室3268024303430268326872694268626882439243834233415141191158实测房间,不符合要求房间,需整改处理房间:。抽测人员:(建设单位)(监理单位)(施工单位)净高、净开间、净进深测量示意说明:1、H1-H5代表房间净高尺寸,L1-L5代表房间开间和进深尺寸,L值宜取500mm;2、偏差为实测值与推算值之差的绝对值,不得超过15mm;极差为实测值中最大值与最小值之差,不得超过25mm;抽测不合格点数据在表内用笔圈出;3、使用钢卷尺或测距仪按上图规定进行检查,数据进行原位标注;住宅工程质量分户验收记录表(空间尺寸)工程名称:安徽颍州经济开发区现代·翰林苑安置区9#楼房(户)号102抽测时间房间编号推算值(mm)实测值(mm)计算值(mm)净高开间进深H1H2H3H4H5L1L2L3L4净高开间进深最大偏差极差最大偏差极差最大偏差极差客厅268032302688268326942681269432303231141311餐厅卧室1268024304030269126942688268226942419241840334034141212141卧室226802830403026822689269326922683283528364030403113116111卧室3268024303430268326872694268626882439243834233415141191158实测房间,不符合要求房间,需整改处理房间:。抽测人员:(建设单位)(监理单位)(施工单位)净高、净开间、净进深测量示意说明:1、H1-H5代表房间净高尺寸,L1-L5代表房间开间和进深尺寸,L值宜取500mm;2、偏差为实测值与推算值之差的绝对值,不得超过15mm;极差为实测值中最大值与最小值之差,不得超过25mm;抽测不合格点数据在表内用笔圈出;3、使用钢卷尺或测距仪按上图规定进行检查,数据进行原位标注;住宅工程质量分户验收记录表(空间尺寸)工程名称:安徽颍州经济开发区现代·翰林苑安置区9#楼房(户)号201抽测时间房间编号推算值(mm)实测值(mm)计算值(mm)净高开间进深H1H2H3H4H5L1L2L3L4净高开间进深最大偏差极差最大偏差极差最大偏差极差客厅268032302688268326942681269432303231141311餐厅卧室12680243040302691269426882682269424192418403340341412121141卧室226802830403026822689269326922683283528364030403113116111卧室3268024303430268326872694268626882439243834233415141191158实测房间,不符合要求房间,需整改处理房间:。抽测人员:(建设单位)(监理单位)(施工单位)净高、净开间、净进深测量示意说明:1、H1-H5代表房间净高尺寸,L1-L5代表房间开间和进深尺寸,L值宜取500mm;2、偏差为实测值与推算值之差的绝对值,不得超过15mm;极差为实测值中最大值与最小值之差,不得超过25mm;抽测不合格点数据在表内用笔圈出;3、使用钢卷尺或测距仪按上图规定进行检查,数据进行原位标注;住宅工程质量分户验收记录表(空间尺寸)工程名称:安徽颍州经济开发区现代·翰林苑安置区9#楼房(户)号202抽测时间房间编号推算值(mm)实测值(mm)计算值(mm)净高开间进深H1H2H3H4H5L1L2L3L4净高开间进深最大偏差极差最大偏差极差最大偏差极差客厅268032302688268326942681269432303231141311餐厅卧室1268024304030269126942688268226942419241840334034141212141卧室226802830403026822689269326922683283528364030403113116111卧室3268024303430268326872694268626892439243834233415141191158实测房间,不符合要求房间,需整改处理房间:。抽测人员:(建设单位)(监理单位)(施工单位)净高、净开间、净进深测量示意说明:1、H1-H5代表房间净高尺寸,L1-L5代表房间开间和进深尺寸,L值宜取500mm;2、偏差为实测值与推算值之差的绝对值,不得超过15mm;极差为实测值中最大值与最小值之差,不得超过25mm;抽测不合格点数据在表内用笔圈出;3、使用钢卷...

1、当您付费下载文档后,您只拥有了使用权限,并不意味着购买了版权,文档只能用于自身使用,不得用于其他商业用途(如 [转卖]进行直接盈利或[编辑后售卖]进行间接盈利)。
2、本站所有内容均由合作方或网友上传,本站不对文档的完整性、权威性及其观点立场正确性做任何保证或承诺!文档内容仅供研究参考,付费前请自行鉴别。
3、如文档内容存在违规,或者侵犯商业秘密、侵犯著作权等,请点击“违规举报”。

碎片内容

住宅工程质量分户验收记录表空间尺寸

确认删除?
VIP
微信客服
  • 扫码咨询
会员Q群
  • 会员专属群点击这里加入QQ群
客服邮箱
回到顶部