电脑桌面
添加小米粒文库到电脑桌面
安装后可以在桌面快捷访问

信息系统项目管理师五类常见计算题VIP免费

信息系统项目管理师五类常见计算题_第1页
1/8
信息系统项目管理师五类常见计算题_第2页
2/8
信息系统项目管理师五类常见计算题_第3页
3/8
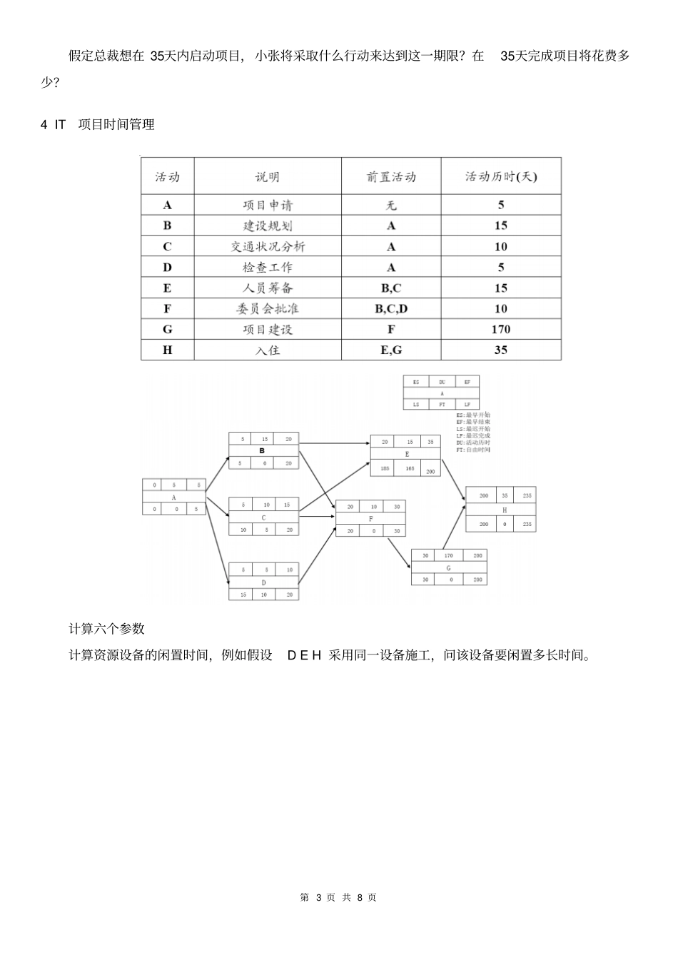
第1页共8页第一章五类常见计算题归纳1静态回收期与投资回报率IT项目投资收益分析(财务)方法投资回收期(PBP)(PayBackPeriod)例子:投资回报率(ROI)2动态回收期与投资收益率根据表中的数据,该产品的动态投资回收期是__(7)__年,投资收益率是__(8)__。(7)A.1B.2C.2.27D.2.73(8)A.42%B.44%C.50%D.100%第2页共8页投资收益率=1/动态投资回收期从该表可以看出,到第三年即2007年开始收回投资,动态投资回收率要考虑贴现率,不过此表已给出净现值。第三年要收回-929.93+428.67+396.92=100.34万元才能将投资全部收回,第三年总共可以收入净现值为367.51,则100.34万元大概需要100.34/367.51=0.27年。所以,动态投资回收率=2年+0.27年=2.27年。投资收益率的计算:925.93万元需要2.27年才能收回,所以每年平均回收925.93/2.27万元,投资收益率=平均每年需要回收金额/总投资金额=925.93/2.27/925.93=1/2.27=0.44=44%3关键路径识别与进度规划项目相关的任务如下:第一项任务是比较现有电子商务平台,按照正常速度估算完成这项任务需要花10天,成本为15000元。但是,如果使用允许的最多加班工作量,则可在7天、18750元的条件下完成。一旦完成比较任务,就需要向最高层管理层提交项目计划和项目定义文件,以便获得批准。项目团队估算完成这项任务按正常速度为5天,成本3750元,如果赶工为3天,成本为4500元。当项目团队获得高层批准后,各项工作就可以开始了。项目团队估计需求分析为15天,成本45000元,如加班则为10天,成本58500元。设计完成后,有3项任务必须同时进行:①开发电子商务平台数据库;②开发和编写实际网页代码;③开发和编写电子商务平台表格码。估计数据库的开发在不加班的时候为10天和9000元,加班时可以在7天和11250元的情况下完成。同样,项目团队估算在不加班的情况下,开发和编写网页代码需要10天和17500元,加班则可以减少两天,成本为19500元。开发表格工作分包给别的公司,需要7天、成本8400元。开发表格的公司并没有提供赶工多收费的方案。最后,一旦数据库开发出来,网页和表格编码完毕,整个电子商务平台就需要进行测试、修改,项目团队估算需要3天,成本4500元。如果加班的话,则可以减少一天,成本为6750元。【问题1】(6分)如果不加班,完成此项目的成本是多少?完成这一项目要花多长时间?【问题2】(6分)项目可以完成的最短时间量是多少?在最短时间内完成项目的成本是多少?【问题3】(6分)假定比较其他电子商务平台的任务执行需要13天而不是原来估算的10天。小张将采取什么行动保持项目按常规速度进行?【问题4】(7分)第3页共8页假定总裁想在35天内启动项目,小张将采取什么行动来达到这一期限?在35天完成项目将花费多少?4IT项目时间管理计算六个参数计算资源设备的闲置时间,例如假设DEH采用同一设备施工,问该设备要闲置多长时间。第4页共8页5计算完工概率标准正态分布时区间(-1,1)或正态分布时区间(μ-1σ,μ+1σ)的面积占总面积的68.27%;标准正态分布时区间(-1.96,1.96)或正态分布时区间(μ-1.96σ,μ+1.96σ)的面积占总面积的95%;标准正态分布时区间(-2.58,2.58)或正态分布时区间(μ-2.58σ,μ+2.58σ)的面积占总面积的99%。(2007下)完成活动A所需的时间,悲观(P)的估计需36天,最可能(ML)的估计需21天,乐观(O)的估计需6天。活动A在16天至26天内完成的概率是(37)。A.55.70%B.68.26%C.95.43%D.99.73%6成本估算第5页共8页7挣值分析挣值(EarnedValue)分析挣值表示在测量时点已完成工作量的计划费用挣值分析是测量执行情况的常用方法,它整合了范围,费用和进度测量,从而帮助IT项目管理者评价IT项目执行情况挣管理的关注点IT项目的进度是超前还是落后?预算是否超支?资源的利用是否有效?还需要对IT项目投入多少费用?挣值管理(EVM)IT项目成本偏差CV(CostVariance)●CV=EV-AC●如果CV>0,表示IT项目实际成本在预算之内;如果CV=0,表示IT项目实际成本符第6页共8页合预算;如果CV<0,表示实际成本超出预算,对于超支的IT项目要及时采取措施。成本偏差百分比(CV%):CV%=CV/EV*100%成本绩效指数CPI(CostPerfor...

1、当您付费下载文档后,您只拥有了使用权限,并不意味着购买了版权,文档只能用于自身使用,不得用于其他商业用途(如 [转卖]进行直接盈利或[编辑后售卖]进行间接盈利)。
2、本站所有内容均由合作方或网友上传,本站不对文档的完整性、权威性及其观点立场正确性做任何保证或承诺!文档内容仅供研究参考,付费前请自行鉴别。
3、如文档内容存在违规,或者侵犯商业秘密、侵犯著作权等,请点击“违规举报”。

碎片内容

信息系统项目管理师五类常见计算题

您可能关注的文档

文库响当当+ 关注
实名认证
内容提供者

该用户很懒,什么也没介绍

确认删除?
VIP
微信客服
  • 扫码咨询
会员Q群
  • 会员专属群点击这里加入QQ群
客服邮箱
回到顶部