电脑桌面
添加小米粒文库到电脑桌面
安装后可以在桌面快捷访问

光源灯具的选择VIP免费

光源灯具的选择_第1页
1/8
光源灯具的选择_第2页
2/8
光源灯具的选择_第3页
3/8
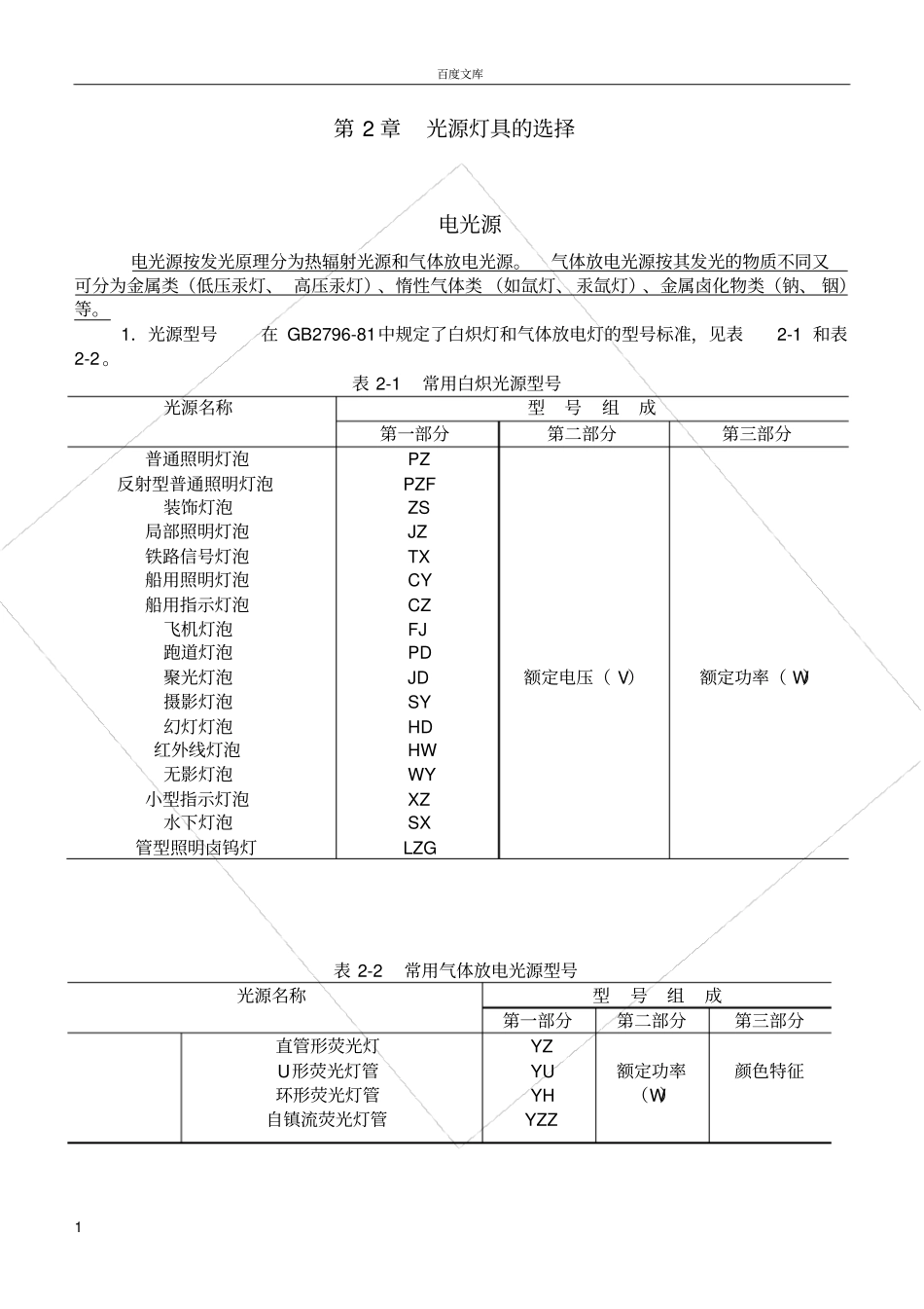
百度文库1第2章光源灯具的选择电光源电光源按发光原理分为热辐射光源和气体放电光源。气体放电光源按其发光的物质不同又可分为金属类(低压汞灯、高压汞灯)、惰性气体类(如氙灯、汞氙灯)、金属卤化物类(钠、铟)等。1.光源型号在GB2796-81中规定了白炽灯和气体放电灯的型号标准,见表2-1和表2-2。表2-1常用白炽光源型号光源名称型号组成第一部分第二部分第三部分普通照明灯泡反射型普通照明灯泡装饰灯泡局部照明灯泡铁路信号灯泡船用照明灯泡船用指示灯泡飞机灯泡跑道灯泡聚光灯泡摄影灯泡幻灯灯泡红外线灯泡无影灯泡小型指示灯泡水下灯泡管型照明卤钨灯PZPZFZSJZTXCYCZFJPDJDSYHDHWWYXZSXLZG额定电压(V)额定功率(W)表2-2常用气体放电光源型号光源名称型号组成第一部分第二部分第三部分直管形荧光灯U形荧光灯管环形荧光灯管自镇流荧光灯管YZYUYHYZZ额定功率(W)颜色特征百度文库2低压汞灯黑光荧光灯管紫外线灯管直管形石英紫外线低压汞灯U形石英紫外线低压汞灯管白炽荧光灯泡YHGZWZSZZSUZY额定功率(W)不同结构形式的顺序号高压汞灯高压汞灯泡荧光高压汞灯泡自镇流荧光高压汞灯泡反射型高压汞灯泡反射型荧光高压汞灯泡GGGGYGYZGGFGYF额定功率(W)氙灯管形氙灯管形水冷氙灯XGXSG额定功率(W)结构形式的顺序号钠灯低压钠灯泡高压钠灯泡NDNG额定功率(W)金属卤化物灯管形镝灯DDG额定功率(W)光源的额定电压是指光源及其附件组成的回路所需电源电压的额定值。光源的额定功率是指光源自身及其附件消耗的功率之和。光源的起动时间是指光源接通电源开始至光源发出的光通量达到稳定值时所需的时间。光源的寿命分有效寿命和全寿命两种。有效寿命指光源光通量衰减到初始值的70%时的寿命。全寿命是指光源从开始使用到无法使用的寿命。光源的平均寿命是指光源有效寿命的平均值。2.热辐射光源利用物体通电使之发热到白炽状态而发光的原理所制造的光源称为热辐射光源,其功率因数接近1。(1)白炽灯:白炽灯是靠钨丝白炽体的高温热辐射发光,结构简单,使用方便,显色性好。但因热辐射中只有2~3%为可见光,其发光效率低,抗震性较差,当灯丝发热蒸发出的钨分子在玻璃泡上有黑化现象,平均寿命一般达1000h。当电源电压变化会直接影响白炽灯的使用寿命和发光效率。白炽灯经常用在建筑物室内照明和施工工地的临时照明,聚光灯的电光电压,其额定电压有220V和36V安全电压,有可用于地下室施工照明或手持临时照明光源。图2-1白炽灯的结构(2)卤钨灯:卤钨灯包括碘钨灯、溴钨灯。在白炽灯泡中充入微量的卤化物,利用卤钨循环提高发光效率。发光效率比白炽灯高30%。为了使卤钨循环顺利进行,卤钨灯必须水平安装,倾斜角不得大于4,不允许采用人工冷却措施(如电风扇冷却),工作时的管壁温度可高达600℃,不能与易燃物接近,灯脚的引入线采用耐高温的导线。此灯的耐震性、耐电压波动性都比白炽灯差,但显色性很好。经常用于电视转播等场合。卤钨灯的光效(~21lm/W)和寿命(3500h)及显色性等均较白炽灯为佳,其体积能小型化,灯具也可小型化,已被广泛作为商业橱窗、餐厅、会议室、博物馆、展览馆照明光源。2.气体放电灯(1)荧光灯:荧光灯是利用汞蒸气在外加电源作用下产生弧光放电,可以发出少量的可见百度文库3光和大量的紫外线,紫外线再激励管内壁的荧光粉使之发出大量的可见光。荧光灯由镇流器、灯管、启辉器和灯座组成。荧光灯的特点是光效高,使用寿命长,光谱接近日光,显色性好,缺点是功率因数低,有频闪效应,不宜频繁开启。目前多使用电子镇流器的荧光灯,其功率因数可以达到以上。荧光灯一般用在图书馆、教室、隧道、地铁、商场等对显色性要求较高的场所。(2)荧光高压汞灯(水银灯):此类灯的外玻璃壳内壁涂有荧光粉,它能将汞蒸气放电时辐射的紫外线转变为可见光,以改善光色,提高光效。荧光高压汞灯光效高(30~50lm/W),寿命长(5000h),使用于庭院、街道、广场、工业厂房、车站、施工现场等场所的照明。荧光高压汞灯按构造分外镇流式荧光高压汞灯和自镇流式荧光高压汞灯两种。(3)高压钠灯:它利用高压钠蒸气放电,其辐射光的波长集中在人眼感受较灵敏...

1、当您付费下载文档后,您只拥有了使用权限,并不意味着购买了版权,文档只能用于自身使用,不得用于其他商业用途(如 [转卖]进行直接盈利或[编辑后售卖]进行间接盈利)。
2、本站所有内容均由合作方或网友上传,本站不对文档的完整性、权威性及其观点立场正确性做任何保证或承诺!文档内容仅供研究参考,付费前请自行鉴别。
3、如文档内容存在违规,或者侵犯商业秘密、侵犯著作权等,请点击“违规举报”。

碎片内容

光源灯具的选择

文库当当响+ 关注
实名认证
内容提供者

该用户很懒,什么也没介绍

确认删除?
VIP
微信客服
  • 扫码咨询
会员Q群
  • 会员专属群点击这里加入QQ群
客服邮箱
回到顶部