电脑桌面
添加小米粒文库到电脑桌面
安装后可以在桌面快捷访问

兰州乙烯压缩机方案VIP免费

兰州乙烯压缩机方案_第1页
1/22
兰州乙烯压缩机方案_第2页
2/22
兰州乙烯压缩机方案_第3页
3/22
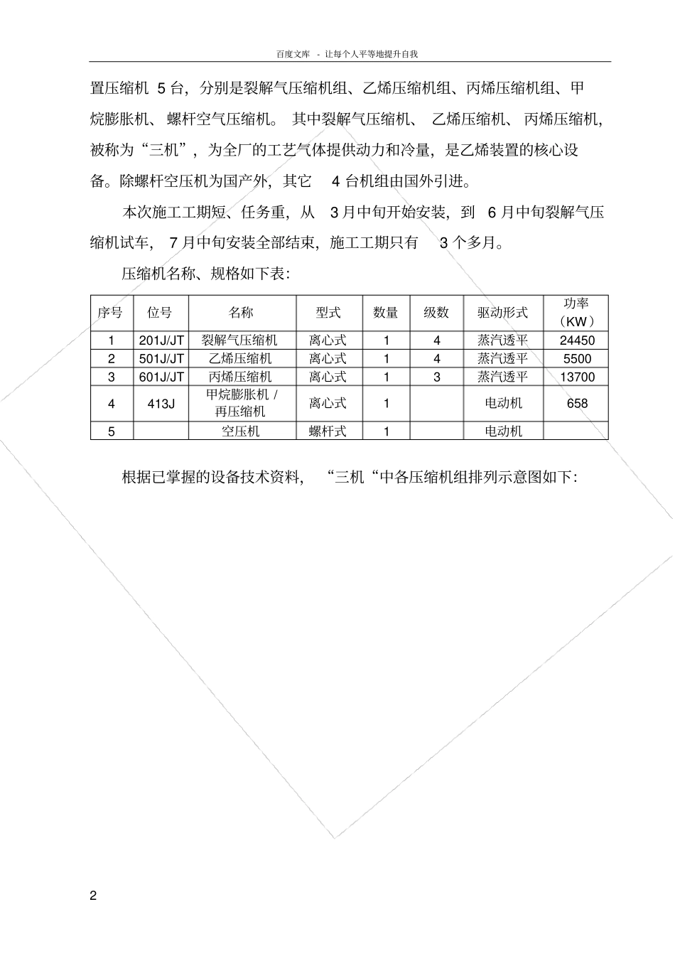
百度文库-让每个人平等地提升自我1一、编制说明兰州石化60万吨/年乙烯改扩建工程建在兰州石化化肥厂东南部废弃的合成氨装置的位置,北邻兰化公司苯胺装置,西面是汽油加氢和丁二烯装置,南面是厂前区,东为空分、空压装置。乙烯装置是兰州石化改扩建工程的主体装置之一。本次改扩建工程是在原有乙烯装置24万吨/年生产能力的基础上另辟新地改造,新增乙烯规模45万吨/年。兰州石化年产60万吨乙烯改扩建工程乙烯装置由中国寰球工程公司设计,上海惠生公司采购、施工管理总承包,兰州石化工程公司监理公司监理。我公司承担了压缩、分离、反应及碱洗装置区的施工。主要包括:压缩区、分离区、反应区、碱洗区四个施工区域的设备、工艺管线、电气仪表、防腐保温等的施工。本施工技术措施介绍了压缩机组的安装施工程序和标准。为了保证施工的质量及进度,应严格按照本技术措施的有关要求进行规范化施工。二、编制依据1、《机械设备安装工程施工及验收通用规范》GB50231-98;2、《压缩机、风机、泵安装工程施工及验收规范》GB50275-98;3、《乙烯装置离心压缩机组施工验收规程》SH/T3519-2002;4、《化工机器安装工程施工及验收规范离心式压缩机》HGJ205-92;5、设备随机资料;6、有关设计图纸;三、工程概况兰州石化60万吨/年乙烯改扩建工程压缩、分离、反应及碱洗装置共设百度文库-让每个人平等地提升自我2置压缩机5台,分别是裂解气压缩机组、乙烯压缩机组、丙烯压缩机组、甲烷膨胀机、螺杆空气压缩机。其中裂解气压缩机、乙烯压缩机、丙烯压缩机,被称为“三机”,为全厂的工艺气体提供动力和冷量,是乙烯装置的核心设备。除螺杆空压机为国产外,其它4台机组由国外引进。本次施工工期短、任务重,从3月中旬开始安装,到6月中旬裂解气压缩机试车,7月中旬安装全部结束,施工工期只有3个多月。压缩机名称、规格如下表:序号位号名称型式数量级数驱动形式功率(KW)1201J/JT裂解气压缩机离心式14蒸汽透平244502501J/JT乙烯压缩机离心式14蒸汽透平55003601J/JT丙烯压缩机离心式13蒸汽透平137004413J甲烷膨胀机/再压缩机离心式1电动机6585空压机螺杆式1电动机根据已掌握的设备技术资料,“三机“中各压缩机组排列示意图如下:百度文库-让每个人平等地提升自我3以上三机组均为透平驱动,具有结构复杂,技术难度大,安装精度高等特点,尤其是裂解气压缩机组,轴系长、重量大、功率大,为本次安装之重点。本方案重点说明裂解气压缩机组的安装施工方法,乙烯压缩机、丙稀压缩机的安装可参照裂解气压缩机安装方法进行。甲烷膨胀机和螺杆式空压机为整体到货,安装方法可参照泵安装方法进行。S/TMPHP裂解气压缩机(201J/JT)排列示意图透平低压压缩机中压压缩机高压压缩机LPS/T丙稀压缩机(601J/JT)排列示意图乙烯压缩机(501J/JT)排列示意图PS/TLPHP低压压缩机高压压缩机透平透平压缩机百度文库-让每个人平等地提升自我4四、主要施工方案1、离心压缩机组的安装工序离心压缩机组施工程序图冷凝器附属设备管线预制透平、低压缸底座中压缸、高压缸联合底座工艺管线附属设备施工准备开箱检验开箱检验开箱检验基础验收基础验收安装凝汽器安装接管和膨胀节安装随机管线检试验吹扫凝液泵安装、找正吊装、就位地脚螺栓紧固一次灌浆初找正、找平基础验收及处理垫板设置及灌浆轴系初找正无应力配管底座整体二次灌浆测量底座下沉量轴系精对中设备就位初找正地脚螺栓孔灌浆二次找正二次灌浆机械部分对中管线安装单机试运预制、安装检试验打表与压缩机连接管支架调整预制部分安装现场制安检试验保温蒸汽吹扫打表与透平连接轴承拆检、调整仪表自控系统安装调试油冲洗油循环复测轴系同心度凝液泵单机试运透平调试透平单机试运联轴器复位机组联合试运转竣工验收机械设备试运工艺系统准备吹扫蒸汽管线百度文库-让每个人平等地提升自我52、主要施工方法开箱验收★设备到货后,由甲方组织商检、施工单位、监理单位及厂家共同进行开箱检验。机组开箱验收,按照装箱单和技术资料进行,其内容如下:按照位号、规格、包装箱号和箱数进行核对,并检验包装情况;检查随机技术资料及专用工具是否齐全;对机组的零、部件进行外观检...

1、当您付费下载文档后,您只拥有了使用权限,并不意味着购买了版权,文档只能用于自身使用,不得用于其他商业用途(如 [转卖]进行直接盈利或[编辑后售卖]进行间接盈利)。
2、本站所有内容均由合作方或网友上传,本站不对文档的完整性、权威性及其观点立场正确性做任何保证或承诺!文档内容仅供研究参考,付费前请自行鉴别。
3、如文档内容存在违规,或者侵犯商业秘密、侵犯著作权等,请点击“违规举报”。

碎片内容

兰州乙烯压缩机方案

您可能关注的文档

确认删除?
VIP
微信客服
  • 扫码咨询
会员Q群
  • 会员专属群点击这里加入QQ群
客服邮箱
回到顶部