电脑桌面
添加小米粒文库到电脑桌面
安装后可以在桌面快捷访问

内审和管理评审记录文本范例VIP免费

内审和管理评审记录文本范例_第1页
1/23
内审和管理评审记录文本范例_第2页
2/23
内审和管理评审记录文本范例_第3页
3/23
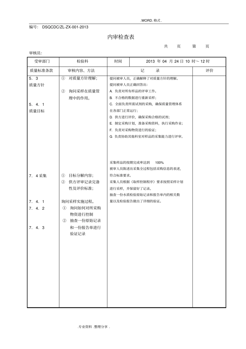
.WORD.格式..专业资料.整理分享.年度内审计划审核目的:检查本公司的质量管理体系的符合性和运行的有效性。包括:1、质量手册是否适用于本公司对全疆的防雷技术服务。2、质量管理体系全过程是否进行的控制与管理。3、是否可以证实其有能力稳定地提供满足群众和适用的法律法规要求的服务。被审核部门(岗位):主任,副主任,各科室;审核方法:集中式审核审核时间、持续时间:2017.04.01-2013.04.25编制:审核:批准:批准时间:年月日.WORD.格式..专业资料.整理分享.编号:DSQCDC/JH-ZX-410-2013审核实施计划审核组组长:组员:、、、年月日第页,共页1.审核目的:检验质量管理体系的符合性,是否可以迎接外审;2.审核依据:质量手册和程序文件3.审核覆盖:各部门业务水平;4.审核时间:年月日至年月日首次会议时间:月日时分末次会议时间:月日时分5.现场审核期间请被审核方有关人员参加下列活动:首、末次会议:领导、各部门及审核有关的管理人员参加。审核活动:按审核日程安排,被审核方有关人员在本岗位。6.审核安排:日期时间部门审核涉及的质量管理体系标准要求首次会议各部门经理审核组会议审核组会议末次会议.WORD.格式..专业资料.整理分享.编号:DSQCDC/ZL-ZX-001-2013内审检查表共页第页审核员:受审部门检验科时间2013年04月24日10时~12时质量标准条款审核内容、方法记录评价5.3质量方针5.4.1质量目标7.4采集7.4.17.4.27.4.3①对质量方针理解;②询问采样在质量管理中的作用。①目标分解内容;②供方评审记录完备性及评价标准;询问采样实施过程。①询问如何对所采购物资进行控制②抽查一份原始记录和一份报告单进行验证记录提问被审人员,正确解释了对质量方针的理解。提问被审人员正确回答出:A.负责对所有样品的评审工作。B.不合格的数据进行重新采样;C.全面负责所需试剂的采购,确保质量管理体系在各部门正常运行;D.供方进行评价,确保采购合格的试剂;E.制定采购计划,准备采购资料,执行采购作业;F.负责对采购物资进行的验证;G.负责协助其他科室对样品的采集能力进行评审。采集样品的按期完成率达到100%被审人员陈述出采集全过程包括采购信息的表述,符合标准要求。采集人员根据《取样控制程序》要求按照采样计划进行采样,并保留好了记录。抽查一份水质检验原始记录和报告单内的相关数量以及检验报告做出了详细的验证。.WORD.格式..专业资料.整理分享.内审检查表编号:DSQCDC/ZL-ZX-001-2013共页第页审核员:受审部门检验科时间2013年04月24日13时~15时质量标准条款审核内容、方法记录评价5.3质量方针5.4.1质量目标7.17.57.58.2.3询问质量方针与质量目标,了解其理解程度询问检验科在质量管理体系中的作用?询问如何获得样品信息询问员工是否经过培训,查阅相关培训记录询问关键过程与特殊过程有哪些,询问如何对关键过程和特殊过程进行控制查看关键岗位的培训记录询问如何对检验过程进行控制抽查一个检验日志,看过程是否符合质量体系要求询问检验完毕后,用哪些资料,查看一个记录是否齐全1样品一次交验合格率95%,返工率5%;负责按样品的要求进行检验;负责对检验设备的维护及保养;负责检验质量、安全的宣传、教育检查、监督、服务工作;落实中心各项管理制度;负责主管检验不合格的控制;负责对检验过程的监视和测量;负责协助其他科室对样品的采集能力以及检验报告交付进行评审。样品采集、样品运送、天气情况查看了上岗前的岗位培训记录,新进的员工有无相关培训记录。对特殊过程,关键过程,从人员,设备、作业指导书,对关键过程应留下相应的记录,符合质量体系要求查看2013年培训记录,符合要求人员、设备、作业指导书、记录是否符合标准要求检验日志,检验计划,样品检验记录,合格供评定.WORD.格式..专业资料.整理分享.内审检查表编号:DSQCDC/ZL-ZX-001-2013共页第页审核员:受审部门检验科时间2013年04月25日09时~11时质量标准条款审核内容、方法记录评价5.3质量方针5.4.1质量目标4.2.36.36.47.68.2.4询问对质量方针与质量目标理解;询问技术标准有哪些?如何控制询问设备如何维护与保养,查看是否有...

1、当您付费下载文档后,您只拥有了使用权限,并不意味着购买了版权,文档只能用于自身使用,不得用于其他商业用途(如 [转卖]进行直接盈利或[编辑后售卖]进行间接盈利)。
2、本站所有内容均由合作方或网友上传,本站不对文档的完整性、权威性及其观点立场正确性做任何保证或承诺!文档内容仅供研究参考,付费前请自行鉴别。
3、如文档内容存在违规,或者侵犯商业秘密、侵犯著作权等,请点击“违规举报”。

碎片内容

内审和管理评审记录文本范例

您可能关注的文档

确认删除?
VIP
微信客服
  • 扫码咨询
会员Q群
  • 会员专属群点击这里加入QQ群
客服邮箱
回到顶部