电脑桌面
添加小米粒文库到电脑桌面
安装后可以在桌面快捷访问

内层制程试车作业管理规范VIP免费

内层制程试车作业管理规范_第1页
1/13
内层制程试车作业管理规范_第2页
2/13
内层制程试车作业管理规范_第3页
3/13
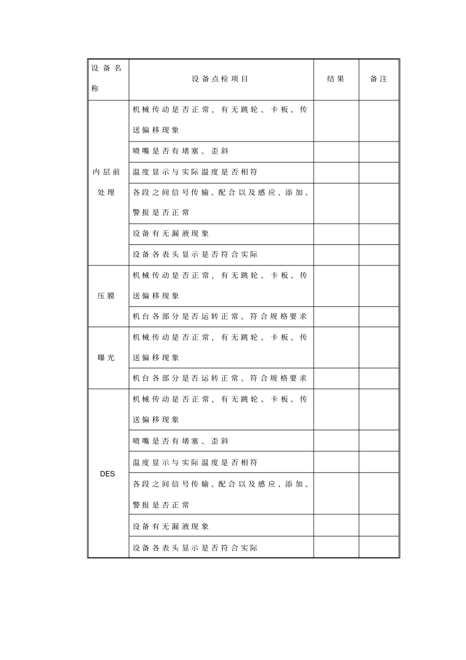
内层制程试车作业规范一、目的---------------------------------------------------------------1二、说明---------------------------------------------------------------3三、设备点检项目----------------------------------------------------4四、测试项目----------------------------------------------------------5一、目的测试新进设备品质和制程能力,为现场量产做准备二、说明内层试车计画包含伍个主要设备,清单如下:(1)裁板机(2)前处理线(3)压膜机(4)曝光机(5)後处理制程试车计画由相关制程负责PE编制,交付工程部、制造部及品保部会签,会同相关制程的各部负责人共同配合执行。测试板与小量产规定(1)测试板数量:20-100PNL,尺寸:接近设备最大设计尺寸,板厚:无特殊要求时40-60mil.(2)小量产数量3-10lot(150PNL/lot)三设备点检项目设备名称设备点检项目结果备注内层前处理机械传动是否正常,有无跳轮、卡板、传送偏移现象喷嘴是否有堵塞、歪斜温度显示与实际温度是否相符各段之间信号传输、配合以及感应、添加、警报是否正常设备有无漏液现象设备各表头显示是否符合实际压膜机械传动是否正常,有无跳轮、卡板、传送偏移现象机台各部分是否运转正常、符合规格要求曝光机械传动是否正常,有无跳轮、卡板、传送偏移现象机台各部分是否运转正常、符合规格要求DES机械传动是否正常,有无跳轮、卡板、传送偏移现象喷嘴是否有堵塞、歪斜温度显示与实际温度是否相符各段之间信号传输、配合以及感应、添加、警报是否正常设备有无漏液现象设备各表头显示是否符合实际四测试项目制程站别项目测试标准测试结果内层裁板尺寸精确度与设定值相差2mm内板边无BURR无BURR一次裁切厚度30mm内层前处理水破实验>=30s微蚀测试40±10μ〞烘干测试无水痕残留传动测试无卡板、无刮伤板面清洁度无异物内层压膜线设备传送无卡板、气泡、膜皱干膜对准度干膜距板边2±1mm板出温度60±5℃温度均匀性左中右温差小於7℃内层曝光线设备传送无卡板曝光能量±格曝光均匀性自动85%↑CCD对位精准度偏差1mil内真空度22inHg↑DES线设备传送无卡板,无刮伤显影PH值↑显影点50%±5%解析度/附着力55μm/55μm氯化铜测试无亮点铜面存在蚀刻点70%±5%蚀刻均匀性10%↓蚀刻因数3↑去膜点40%±5%制程站别项目测试标准内层裁板尺寸精确度量测尺寸符合机台设定板边无BURR无BURR一次裁切厚度30mm内层前处理水破实验>=30s微蚀测试40μ〞±10μ〞烘干测试无水痕残留传动测试无卡板、无刮伤板面清洁度无异物内层压膜线设备传送无卡板、气泡、膜皱干膜对准度干膜距板边2±1mm板出温度60±5℃温度均匀性左中右温差小於7℃内层曝光线设备传送无卡板曝光能量±格曝光均匀性自动85%↑,手动80%↑CCD对位精准度1mil真空度22inHg↑DES线无卡板,无刮伤设备传送显影PH值↑显影点50%±5%解析度/附着力55μm/55μm氯化铜测试无亮点铜面存在蚀刻点70%±5%蚀刻均匀性10%↓蚀刻因数3↑去膜点40%±5%氯化铜测试无亮点铜面存在测试方法1.内层前处理水破实验的测试方法:取39mil1/120"×24"基板走过前处理线後,浸入水中然後拿起,将板子倾斜45,让水沿着板子流下,观察水膜破裂时间,并记录数据.前处理水破测试线别化验项目标准值实测值线速(m/min)微蚀温度(℃)烘乾温度(℃AH2O2~%H2SO410~14%Cu2+30~50g/LBH2O2~%H2SO410~14%Cu2+30~50g/L前处理微蚀量测试方法:1将板厚39mil15cm×15cm裸铜基板作为测试板,将其用水洗净,置於烤箱内以120℃烘烤15分钟.2烘烤後取出基板并冷却3分钟,称重至小数点以下四位,记录为W1.3将测试板与生产板一起走完微蚀槽,注意不可与量产板重叠.4微蚀完毕後将基板取出水洗,然後置於烤箱内以120℃烘烤15分钟,并冷却3分钟,称重至小数点以下四位,记录为W2..5Etchcount=(W1-W2)×92900/(2××A)单位:u"W1、W2单位:克A:测试板面积A的计算:当规格为10cm×10cm时,A为1002.内层压膜制程干膜对准度测试目的:测试压膜机压膜对准能力测试材料:39mil1/120”×24”裸铜基板检验工具:量尺检验标准:干膜距板边2±1mm测试方法:取测试用基板走过压膜线後,测试干膜与板边间距板出温度测试目的:测试压膜机压膜的温...

1、当您付费下载文档后,您只拥有了使用权限,并不意味着购买了版权,文档只能用于自身使用,不得用于其他商业用途(如 [转卖]进行直接盈利或[编辑后售卖]进行间接盈利)。
2、本站所有内容均由合作方或网友上传,本站不对文档的完整性、权威性及其观点立场正确性做任何保证或承诺!文档内容仅供研究参考,付费前请自行鉴别。
3、如文档内容存在违规,或者侵犯商业秘密、侵犯著作权等,请点击“违规举报”。

碎片内容

内层制程试车作业管理规范

您可能关注的文档

爱的疯狂+ 关注
实名认证
内容提供者

该用户很懒,什么也没介绍

确认删除?
VIP
微信客服
  • 扫码咨询
会员Q群
  • 会员专属群点击这里加入QQ群
客服邮箱
回到顶部