电脑桌面
添加小米粒文库到电脑桌面
安装后可以在桌面快捷访问

全市危险化学品企业安全工作检查考核登记表VIP免费

全市危险化学品企业安全工作检查考核登记表_第1页
1/5
全市危险化学品企业安全工作检查考核登记表_第2页
2/5
全市危险化学品企业安全工作检查考核登记表_第3页
3/5
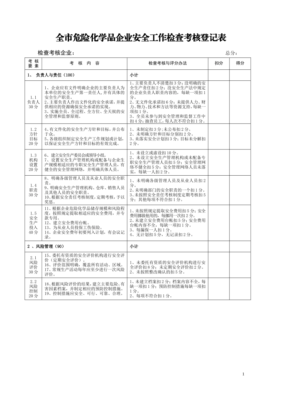
全市危险化学品企业安全工作检查考核登记表检查考核企业:总分:考核要素考核内容检查考核与评分办法扣分得分1、负责人与责任(100)小计1.1负责人30分1、企业应有文件明确企业的主要负责人为本单位的安全生产第一责任人,并有具体的安全生产职责。2、主要负责人作出文件化的安全承诺,并提供相应的资源确保安全承诺的实现。3、实施全员、全过程、全方位、全天候的安全管理和监督原则。1、主要负责人不清楚扣3分;没明确的安全生产责任扣2分;没安全生产法中规定的企业负责人职责内容的,每缺一项扣1分。2、无文件化承诺扣6分;未提供人力、财力、物力、技术和方法等资源支持,每缺一项扣1分。3、全员未参与到安全管理和监督工作中扣4分;抽查员工,每人次不符合扣1分。1.2方针目标20分4、有文件化的安全生产方针和目标,并公布于众。5、各级组织制定安全生产工作规划或计划,以保证安全生产方针和目标的有效完成。1、未制定扣3分;未公布扣2分。2、未明确方针和目标分别扣2分。3、未落实安全计划扣3分;目标未分解扣2分。1.3机构设置20分6、建立安全生产委员会或领导小组。7、设置安全生产管理机构或配备与企业生产规模相适应的专职安全生产管理人员,有健全的安全管理网络,并明确具体人员。1、未设立或虚设扣10分。2、未设立安全生产管理机构或未配备专职安全生产管理人员扣5分;安全管理网络不健全扣5分;安全管理网络人员未落实,每缺一人扣2分。1.4职责30分8、明确各级管理人员及从业人员的安全职责。9、明确安全生产管理机构、仓库、销售人员及其他人员的安全职责。10、根据安全责任考核制度,定期考核,予以奖惩。1、未明确各级管理人员及从业人员扣2分。2、未明确部门的安全职责的一个扣1分。3、未按照安全责任考核制度定期考核扣5分;其他每项不符合扣1分。1.5安全生产投入40分11、根据企业危险化学品储存规模和风险程度,按照规定提取相适应的安全费用,并专款专用。12、建立安全费用台帐。13、为从业人员投保工伤保险。14、企业安全费年初要列入计划,有会议记录。1、未按照规定提取安全费用扣5分;安全费用挪做他用的,每挪用一次扣2分。2、未建立安全费用台帐扣5分;安全费用台帐内容不全,每缺一项扣1分。3、每漏保一人扣1分。4、无计划扣5分,无记录扣2分。2、风险管理(90)小计2.1风险评价30分15、委托有资质的安全评价机构进行安全评价(定期安全评价)。16、评价范围明确,覆盖所有活动、区域。17、常规生产活动每年应至少进行一次风险评价。1、未委托有资质的安全评价机构进行安全评价扣8分;未定期安全评价扣2分。2、未按照整改确认的扣5分。2.2风险控制20分18、根据风险评价的结果,建立主要危险、有害因素档案,并制定相应的预防控制措施。19、控制措施应安全、可行、可靠、合理。1、未建立档案扣2分;档案内容不全,每缺一项扣1分;预防控制措施每缺一项扣1分。2、每项不符合扣1分。12.3重大危险源40分20、按照有关规定对重大危险源进行登记建档,定期检测、评估、监控,并对存在的隐患和问题进行整改确认。21、制定重大危险源应急预案,告知从业人员和相关人员在紧急情况下应采取的应急措施。22、将本单位重大危险源及有关安全措施、应急措施报当地安全生产监督管理部门备案。23、重大危险源与周边的防护距离应满足国家标准或有关规定。老企业与周边的防护距离不符合国家标准的,应采取切实可行的防范措施。1、未建档扣2分;每遗漏一个扣2分;未定期检测、评估的,或检测、评估不全的扣2分;未采取监控措施的,或监控措施不适合的,每项扣2分,整改未确认的扣2分。2、未制定应急预案扣8分;应急预案内容充分性、有效性差,每发现一处扣2分;抽查人员对应急预案的掌握情况,每人次不符合扣1分。3、未备案扣5分;每漏报一个扣1分。4、防护距离不符合规定扣2分;老企业无防范措施或防范措施失效,每项再扣1分。3、法律法规、安全管理制度(125)小计3.1法律法规40分24、建立识别和获取适用的安全生产法律、法规、标准及其他要求的管理制度。25、明确责任部门,确定获取渠道、方式和时机,建立法律、法规、标准等的清单。26、定期对适用的安全生产法律、法规、...

1、当您付费下载文档后,您只拥有了使用权限,并不意味着购买了版权,文档只能用于自身使用,不得用于其他商业用途(如 [转卖]进行直接盈利或[编辑后售卖]进行间接盈利)。
2、本站所有内容均由合作方或网友上传,本站不对文档的完整性、权威性及其观点立场正确性做任何保证或承诺!文档内容仅供研究参考,付费前请自行鉴别。
3、如文档内容存在违规,或者侵犯商业秘密、侵犯著作权等,请点击“违规举报”。

碎片内容

全市危险化学品企业安全工作检查考核登记表

您可能关注的文档

确认删除?
VIP
微信客服
  • 扫码咨询
会员Q群
  • 会员专属群点击这里加入QQ群
客服邮箱
回到顶部