电脑桌面
添加小米粒文库到电脑桌面
安装后可以在桌面快捷访问

净化空调系统调试方案VIP免费

净化空调系统调试方案_第1页
1/20
净化空调系统调试方案_第2页
2/20
净化空调系统调试方案_第3页
3/20
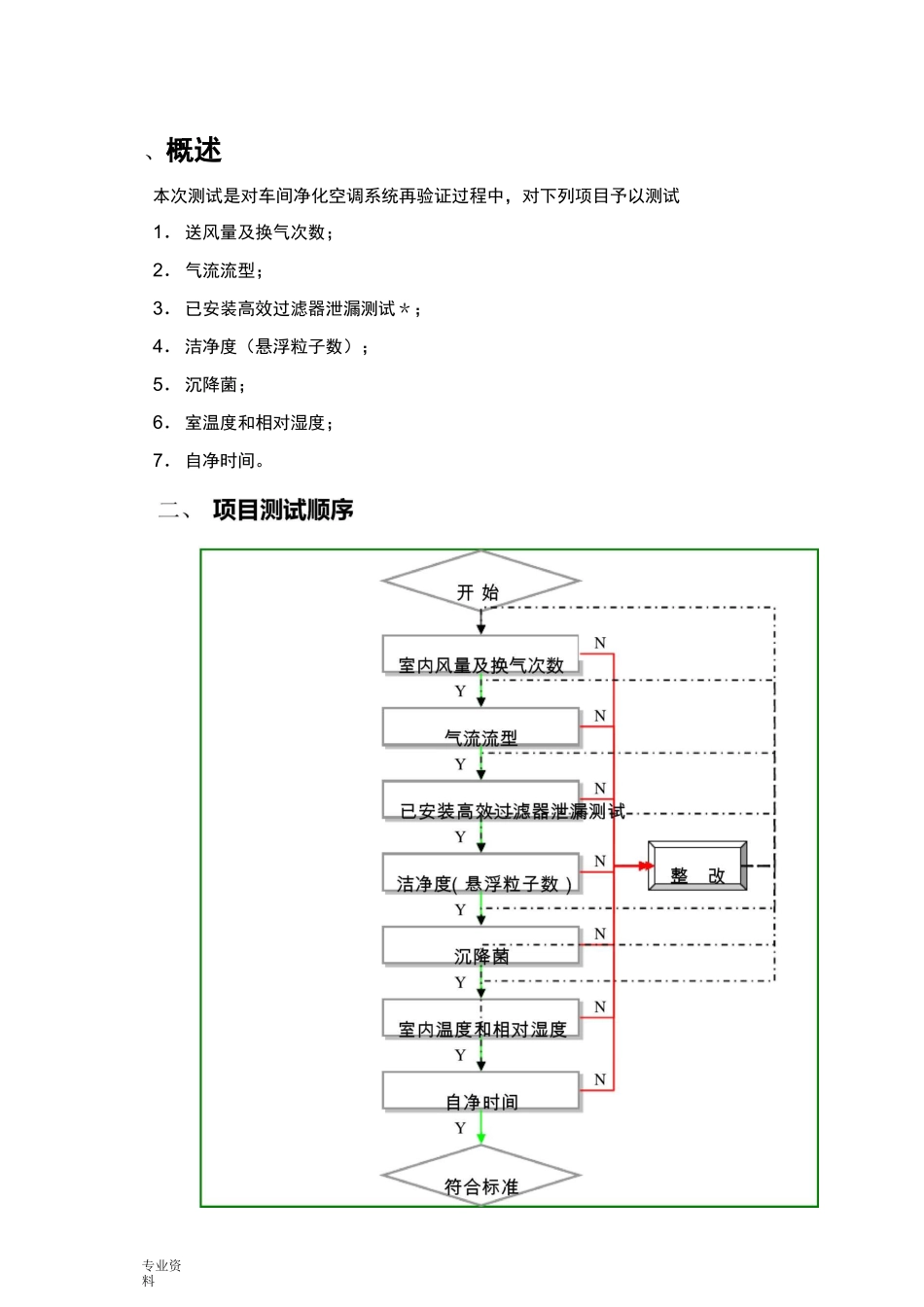
专业资料、概述本次测试是对车间净化空调系统再验证过程中,对下列项目予以测试1.送风量及换气次数;2.气流流型;3.已安装高效过滤器泄漏测试*;4.洁净度(悬浮粒子数);5.沉降菌;6.室温度和相对湿度;7.自净时间。专业资料三、测试区域及洁净等级中药提取车间洁净室(区),洁净等级为100000级四、测试程序1.室风量及换气次数1.1测试目的通过测试洁净室的风量,计算出该室的换气次数,判定其是否符合100000级洁净室对换气次数的要求。1.2检测仪器仪器名称型号编号误差最近校验证书号电子风量罩VF01SB-16读数的±5%国空质检(委)字(009)第A049号测量卷尺--SB-30读数士0.02mmCD-20090419511.3测试状态静态。1.4合格标准换气次数为10一15次/h(医药工业洁净厂房设计规GB50457-2008)注:换气次数计算L1+L2+•…+Sn=(1)V式中n—换气次数(次/h)Ln——n号送风口的送风量V—所测房间的容积专业资料1.5测试步骤1.5.1测试进行前完成下列容的确认♦进风口、回风口、排风口无异常堵、挡;♦风阀开启在正常位置上;♦风机运行正常。1.5.2风量罩装配,确认供电电池电量充足;1.5.3接通电源,测试者手持风量罩将整个风口罩牢,风量罩的四边与风口的四周贴住,待屏幕显示值相对稳定后读数,按键存储并书面记录。1.5.4测量洁净室的长、宽、高,计算该房间的容积。1.5.5按式(1)计算洁净室的换气次数。注:测试记录、数据计算的格式详见附件1:洁净室综合性能检测原始记录。1.6不符合纠正措施在确认总送风量足够基础上,调整该室的送/回/排风量,重新测并记录数据。根据重新测得的数据对结果的符合性作出判断。2.静压差2.1测试目的通过测试洁净室与相邻房间/走廊/室外之间的静压差,对净化空调系统目前送、回排风设置的合理性作出判定。2.2检测仪器设备仪器名称型号编号误差最近校验证书号差压仪Testo510SB-14±0.03hpaRG-20090421642.3测试状态与前提条件专业资料♦静态;♦风量/风速测试符合标准规定;♦直排风、除尘设施处于运行状态。2.4合格标准♦洁净室与室外大气的静压差〉10Pa;♦空气洁净级别相同的相邻房间之间,产尘量大的房间保持相对负压。2.5测试前检查♦送风口、回风口有无被堵、挡;♦直排风、除尘设施是否处于运行状态。2.6测试操作关闭所有的门;从平面上最里面的房间依次向外测定;测试者在被测房间的外部,将连接微差压力计“+”孔端的软管从检测孔(无检测孔的从房门底部的缝隙)伸入被检房间,待差压计的读数稳定后,记录。注:任一洁净室相对室外的静压差,可由最外一个房间相对室外的测得值,依次与相邻房间的测得值相加得出。2.7测试结果各洁净室与相邻洁净室(区)静压差的测试数据及相对室外静压差的计算结果详见第页~第_页之记录2.8结果分析:本次检测对车间级级区个房间进行了静压差测试,从测试结专业资料果来看:□各洁净室(区)相对室外大气的静压差均>10Pa,空气洁净级别相同的相邻房间之间,产尘量大的房间保持相对负压。符合规要求;□部分房间的相对室外大气的静压差v10Pa,部分产尘量大的房间与同级别相邻房间之间没有保持相对负压。不符合规要求,须整改后重新测试。2.9不符合纠正措施压差达不到标准要求,通过调整进风、回风和/或排风比例进行改善。改善后重新测试,根据重新测得的情况对结果的符合性作出判断。方案实施:日期:2.气流流型2.1测试目的通过目检被测洁净室气流的运动状况,确认洁净室的气流形式能有效报稀释或排替室空气的悬浮污染物,从而防止室的污染积累。2.2检测仪器设备仪器名称型号编号误差最近校验证书号雾化器ZS-20SSB-31——测量卷尺--SB-30读数±0.02mmCD-20090419512.3合格标准测试烟雾快速地散布到室,无涡流形成2.4测试区域双方协商同意,选择下列主要工作室进行气流流型检测序号房间名称房间编号专业资料1容器存放间2粉碎包间2.5测试状态:静态。2.6测试条件:净化系统开启运行不少于30min。2.7测点数目及其布置2.7.1以主要工作区上方的送风口为代表性风口,选择通过代表性风口中心的纵横剖面和工作区高度(距也面1.1m高度)的水平面各1个,测量剖面/平面的高度/宽度/长度,按下述原则计算测点数目,设置测...

1、当您付费下载文档后,您只拥有了使用权限,并不意味着购买了版权,文档只能用于自身使用,不得用于其他商业用途(如 [转卖]进行直接盈利或[编辑后售卖]进行间接盈利)。
2、本站所有内容均由合作方或网友上传,本站不对文档的完整性、权威性及其观点立场正确性做任何保证或承诺!文档内容仅供研究参考,付费前请自行鉴别。
3、如文档内容存在违规,或者侵犯商业秘密、侵犯著作权等,请点击“违规举报”。

碎片内容

净化空调系统调试方案

您可能关注的文档

确认删除?
VIP
微信客服
  • 扫码咨询
会员Q群
  • 会员专属群点击这里加入QQ群
客服邮箱
回到顶部